ЗапКам
zap-kam16@yandex.ru
(900) 323-41-41
Вход / Регистрация отключена
Вход
Избранное
0
по запросу
Каталог
Все товары и категории
Запчасти КАМАЗ
Двигатель
Двигатели в сборе
Евро-0
КамАЗ-4310
Урал-4320
КамАЗ-4350
Евро-1
КамАЗ-43114
Евро-2
КамАЗ-43118
КамАЗ-65115
КамАЗ-6520
Евро-3
Евро-4
Евро-5
Газовые
Блоки цилиндров
Блоки цилиндров Евро-0 КамАЗ
Блоки цилиндров Евро-1 КамАЗ
Блоки цилиндров Евро-2 КамАЗ
Блоки цилиндров Евро-3 КамАЗ
Блоки цилиндров Евро-4,5 КамАЗ Common Rail
Сборочные комплекты (лонг-, шорт-блоки)
Блоки управления
Валы коленчатые
Коленвалы Евро-0 КамАЗ
Коленвалы Евро-1 КамАЗ
Коленвалы Евро-2 КамАЗ
Коленвалы Евро-3 КамАЗ
Коленвалы Евро-4,5 КамАЗ Common Rail
Вкладыши коренные
Евро-3,4,5
Евро-0,1,2
Вкладыши шатунные
Евро-3,4,5
Евро-0,1,2
Валы распредительные
ЦПГ – поршневая
Поршневая Евро-4,-5 (740.602)
Поршневая Евро-2,-3 (740.60)
Поршневая Евро-1,-2 (740.30)
Поршневая Евро-0,1 (740)
Кольца поршневые
ТНВД
Евро-4-5 Common Rail
Евро-3
Евро-2
Евро-1
Евро-0
Система питания
Форсунки топливные
Распылители форсунок
Топливозаборники
ГБЦ
Евро-3,4,5 Common Rail
Евро-1,2,3
Евро-0
Газ
Турбокомпрессоры
ТРК Евро-4,5 (однотурбовые)
Евро-4
Евро-3
Евро-2
Евро-1
Насос водяной
Насос масляный
Маховики
Коробка передач
КПП в сборе
Валы
Валы вторичные
Валы первичные
Валы промежуточные
Шестерни
Синхронизаторы
Делители в сборе
Коробка раздаточная
РК в сборе
РК 6522
Дифференциалы
Валы
Валы первичные
Валы промежуточные
Вилки
Шестерни
Механизмы переключения
Трансмиссия
Мосты
Редукторы в сборе
Заднего моста
Переднего моста
Среднего моста
Зубьев
31, 35
50
49
48
47
46
КамАЗ
4310
43114
43118
4326
5320
53205
65115
43253
53229
6520
6522
4308
65111
65116
65117
55102
55111
53212
53215
54115
5410
5511
Мосты в сборе
Передние
Средние
Задние
6520, 6522 (20т)
65115 (15т)
65111 (15т)
43118 (10т)
43114 / 4310 (8т)
53205 Евро (10т)
5320 (8т)
5511 (10т)
МОД
Мадара
Подвеска в сборе
Ось передняя
Ось в сборе
Ходовая часть
Подвеска (тележка) в сборе
Колеса и шины
Рама
Рессоры
Лебедка
Механизмы управления
Отопление и вентиляция
Система выпуска
Сцепление
Тормоза
Кабина
Управление рулевое
Электрооборудование
Автомобили
КАМАЗ 5490
Двигатель 457
Двигатели в сборе
Сцепление
Кабина
Кузов
Мосты
Рама
Система выпуска
Тормоза
Управление рулевое
Ходовая часть
КАМАЗ К5
Двигатели WeiChai
Двигатели в сборе
Двигатели Р6
Двигатели 910 Р6 в сборе
Кабина
Сцепление
Тормоза
Управление рулевое
Электрооборудование
ZF
КПП ZF в сборе
16S EcoSplit
КПП 16s 1820 TO
КПП 16S 2220
9S Ecomid
12AS Astronic
12TX Traxon
Запчасти 12tx Traxon
Cummins
Двигатели в сборе
Блоки цилиндров
Коленвалы
Головки блока
Генератор
Китайские грузовики
Shaanxi HanDe
Fast Gear
Sitrak
Weichai
FAW
Laizhou Tongji
Европейские грузовики
Mercedes
Электрооборудование
Блоки управления
Блоки управления ADM
Блоки управления CPC4
Блоки управления двигателем
Блоки управления электрооборудованием
Датчики
Стартеры
Карданная передача
Карданы КамАЗ
Коробки отбора мощности
Прицепная техника
ССУ (Седла)
Ремонт
Ремонт двигателей
Ремонт КПП Камаз и ZF
Ремонт раздаток и редукторов
Ремонт кабин
Услуги
Комплектация заявок
Скупка запчастей и агрегатов
Контакты
Отправить заявку
Каталоги запчастей к технике
Грузовые
Shaanxi
Shacman SX3258DR384—F2000
Serve brake control device
Поиск
Serve brake control device
/ Shaanxi Shacman SX3258DR384—F2000
zoom-in
zoom-out
enlarge
shrink
circle-right
circle-left
file-text2
info
cart
Тип техники
Не выбрано
Грузовые
Двигатели
Марка
Не выбрано
DAF
DongFeng
FAW
Foton
HOWO
IVECO
JAC Motors
MAN
Shaanxi
SITRAK
Volvo
Автокомпонент Плюс
ЗИЛ
КАЗ
КамАЗ
Мадара
НефАЗ
СЗАП
Тонар
УралАЗ
Модель
Не выбрано
DeLONG Е-3 (самосвал) (2008)
DeLONG Е-3 (тягач) (2008)
MAN-F2000 (SX3254JS384) (2008)
Shacman F2000 (2013)
Shacman F3000 (2013)
Shacman SX1255GP4 (2016)
Shacman SX13164N456
Shacman SX3255DR385 (2011)
Shacman SX3256DR384 (F3000) (2015)
Shacman SX3256DT384 (2011)
Shacman SX32586T384 (X3000)
Shacman SX3258DR384 (F3000)
Shacman SX3258DR384—F2000
Shacman SX3316DR366 (F2000) (2011)
Shacman SX3316DT366 (2011)
Shacman SX3316DT426C
Shacman SX3316DV386
Shacman SX3316HT406C
Shacman SX331853386 (X5000) (2023)
Shacman SX331863366 (X3000) (2021)
Shacman SX33186T386 (X3000)
Shacman SX3318DT366 (F3000)
Shacman SX3318HT366TL
Shacman SX4188YY381
Shacman SX4255DV385 (2011)
Shacman SX42564V324 (X3000)
Shacman SX4256NT324
Shacman SX42584V324
Shacman SX42584V384TL
Shacman SX5256GJBMR364 (2018)
Shacman SX5315GJB5V326C (X3000) (2021)
Shacman SX5318GJBDT386TL
SX-3255-DR 3804B 6х4
SX32566R384
Схема
>
Не выбрано
High Roofcab Welding assy
Left Fender
Right Fender
Front Cover
Dashboard (10 Interior)
Hand Griper
Tool Box
Tool Box
Door window lifter Left operated
Door window lifter Right operated
Door and Door glass
Door and Door glass
Door covering left
Door covering right
Door arrestor and door acuating system right
Door hinge left and right
Seat
Safety belt
Lower berth
Upper Berth
Ail-round curtain
Transverse curtain
Headlining mounting and grab hadle
Side-wall paneling closed with nounting I
Luggage rack
Floor mats front and anti-skid strip
Sun visor roller
Dashboard panelling
Engine cowling insulation
Noise insulation cab
Front windshield glass assembly
Wiper system
Windscreen washer pump and accessories
Rearview mirror
Rearview mirror left bracket
Rearview mirror right bracket
View mirror under the door
Sun visor
Melt-on foil
Sound proofing
Decorative assembly
Decorative assembly
Decorative assembly
Decorative assembly
Decorative assembly
Decorative assembly
MAN7.5 ton drum steering shaft
MAN Housing middle axle
MAN Two-stage deceleration drive axle rear axle axle shell
MAN Two-stage deceleration drive middle axle middle section
MAN Two-stage deceleration drive middle axle middle section
MAN Two-stage deceleration drive in the middle of the rear axle
MAN Two-stage deceleration drive axle wheel side
Air cleaning device (F3000-WP12)
Air cleaning device (F3000-WP12)
Cooler system (F3000-WP12)
Dustproof net
Expansion box system
Preventing circumfluence system
Exhausting and muffler F3000 (WP12 IV 6x4)
Urea supply tank
Engine suspension
Gear box support
Shifting device
Pull diaphragm clutch
Pull clutch control device
Propeller shaft
Front suspension (DC95259690902)
Rear suspension I
Rear suspension II
Front shock absorber
Front stabilizer assy
Rear stabilizer assy
Wheeling System
Steering transmission device
Steering column adjustable
Hydraulic device
Frame assy
Fuel tank assembly 380L
Accelerograph control device
Exhaust brake control
Air compressor outer line
Air tanl fixing (I)
Air compressor outer line
Air dryer, four-loop guard valve, air tank fixing
Dual-circuit brake system (6x4)
Connecting parts, line & nipple joint
Connecting parts, line & nipple joint
Connecting parts, line & nipple joint
Serve brake control device
Parking brake control device
Switch and cigarette lighter
Switch
Commbination switch
Brake light switch
Diagnosis panel
Loudhailer wire
Left, right front wiring
Electronical horn
Air pressure sensor
Combination gauge assy with frame
Switchm radio and cigarette lighter
Exhaust brake switch
Near switch
Electric panel I
Center electric panel II
Electric panel scutcheon
Plug
Center electrical system (Inside the dashboard)
Other cabin wiring
Relay, fuse
Other cabin wiring
Relay, fuse
ABS controller
Other cabin wiring
Relay, fuse
Switch
Other cabin wiring
Relay, fuse
Cab inner electronical device
Pump
Plug key for electric windows lifter switch
Floodlight
Floodlight on rear pannel
Wiring
Chassis electrical appliances-WP12E40-F3000HX-64-Dump truck-integrated urea tank-New cable-Russia
Chassis electrical appliances-WP12E40-F3000HX-64-Dump truck-integrated urea tank-New cable-Russia
Chassis electrical appliances-WP12E40-F3000HX-64-Dump truck-integrated urea tank-New cable-Russia
Chassis electrical appliances-WP12E40-F3000HX-64-Dump truck-integrated urea tank-New cable-Russia
Chassis electrical appliances-WP12E40-F3000HX-64-Dump truck-integrated urea tank-New cable-Russia
Chassis electrical appliances-WP12E40-F3000HX-64-Dump truck-integrated urea tank-New cable-Russia
Chassis electrical appliances-cold zone
Valve
Chassis appliances
Chassis electrical appliances/WP10/Cold zone
Valve
Chassis electrical appliances/cold zone
Chassis electrical appliances/cold zone
Chassis appliances/Accessories/K38/B38/WABCO 6ABS/New
Chassis electrical appliances/cold zone
Battery box mounting
Battery box
Main battery switch
Headlamps
Foglights
Flashers in bumper
High position lights
Side-marker lights
Taillight bracket/universal/F3000
Air system
Air system
Air intake box on cab
Air duct
Air condition pipes
Heater device (with air condition)
Heater device (with air condition), (Suitable for WP10, WP12, WD12 engines)
Temperature sensor
Air condition controller
Electronic control units for air conditioning
Cab tilting mechanism l.h. drive vehicle
Front bearing spring
Cab locking device
Cab hydraulic tilting equipment
Left-right fender bracket
Fender left behind cab
Fender right behind cab
Foot panel bracket
Left door step
Right door step
Bumper and front bracket
Rear anti-drilling protection frame
Cab vehicle type letters
Cab decoration signs and reflective signs
Fram forepart accessory
Draw gear
Parking wedge
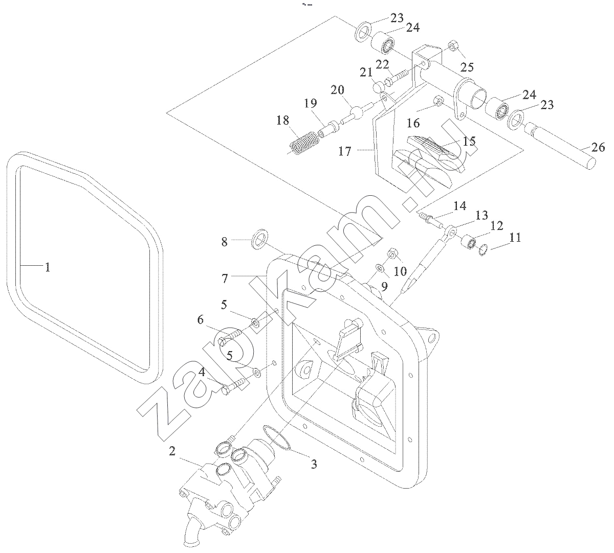
1
2
3
4
5
5
6
7
8
9
10
11
12
13
14
15
16
17
18
19
20
21
22
23
23
24
24
25
26
Поз.
Артикул
Название детали
Кол-во
1
81.96601.0659
Прокладка
1;
2
DZ93189360034
brake valve
1;
3
06.56341.1241
Кольцо уплотнительное
1;
4
06.07069.0008
Болт
7;
5
06.15013.0411
Шайба А8,4х16х1,6-200НV-МАN183-В1
9;
6
06.07069.0011
Болт
2;
7
81.48220.0106
Кронштейн
1;
8
06.29050.0116
Кольцо стопорное
1;
9
06.15013.0411
Шайба А8,4х16х1,6-200НV-МАN183-В1
2;
10
06.11064.2114
Гайка ВМ8-04-А2С
2;
11
06.29050.0111
Кольцо
1;
12
06.33719.0018
Подшипник шариковый
1;
13
81.91020.0610
Шток клапана
1;
14
81.91020.0611
Вал
1;
15
81.48227.0006
Пыльник
1;
16
06.11240.0406
Замок гайка
1;
17
81.48235.5033
Педаль тормоза в сборе
1;
18
06.46081.6338
Пружина
1;
19
81.97680.0019
Гнездо пружины
1;
20
81.48225.0029
Шариковый фиксатор
1;
21
81.96020.0369
Резиновый колпачок
1;
22
06.01283.3115
Болт М8х25-8,8-МАN183-В1
1;
23
06.15114.0418
Регулирующая шайба
2;
24
06.33719.0005
Подшипник шариковый
2;
25
06.11064.2114
Гайка ВМ8-04-А2С
1;
26
81.48210.0033
Ось педали
1;
Содержащиеся в справочниках-каталогах запасные части и детали не предлагаются к продаже, а носят исключительно информационный характер
Дополнительная информация
×
Название:
Номер:
Примечание:
Войти
Имя пользователя
Пароль
Забыли пароль?
Запомнить меня
Войти
Поиск товаров
Поиск товаров
Корзина покупок