ЗапКам
zap-kam16@yandex.ru
(900) 323-41-41
Вход / Регистрация отключена
Вход
Избранное
0
по запросу
Каталог
Все товары и категории
Запчасти КАМАЗ
Автомобили
Двигатель
Двигатели в сборе
Евро-0
КамАЗ-4310
Урал-4320
КамАЗ-4350
Евро-1
КамАЗ-43114
Евро-2
КамАЗ-43118
КамАЗ-65115
КамАЗ-6520
Евро-3
Евро-4
Евро-5
Газовые
Блоки цилиндров
Блоки цилиндров Евро-1 КамАЗ
Блоки цилиндров Евро-2 КамАЗ
Блоки цилиндров Евро-4,5 КамАЗ Common Rail
Блоки цилиндров Евро-0 КамАЗ
Сборочные комплекты (лонг-, шорт-блоки)
Блоки управления
Валы коленчатые
Коленвалы Евро-0 КамАЗ
Коленвалы Евро-2 КамАЗ
Коленвалы Евро-3 КамАЗ
Коленвалы Евро-4,5 КамАЗ Common Rail
Вкладыши коренные
Евро-3,4,5
Евро-0,1,2
Вкладыши шатунные
Евро-3,4,5
Евро-0,1,2
Валы распредительные
ЦПГ – поршневая
Поршневая Евро-4,-5 (740.602)
Поршневая Евро-2,-3 (740.60)
Поршневая Евро-1,-2 (740.30)
Поршневая Евро-0,1 (740)
Кольца поршневые
ТНВД
Евро-4-5 Common Rail
Евро-2
Евро-1
Евро-0
Система питания
Форсунки топливные
Распылители форсунок
Топливозаборники
ГБЦ
Евро-3,4,5 Common Rail
Евро-1,2,3
Евро-0
Газ
Турбокомпрессоры
ТРК Евро-4,5 (однотурбовые)
Евро-4
Евро-3
Евро-2
Евро-1
Насос водяной
Насос масляный
Коробка передач
КПП в сборе
Валы
Валы вторичные
Валы первичные
Валы промежуточные
Шестерни
Синхронизаторы
Делители в сборе
Коробка раздаточная
РК в сборе
РК 6522
Дифференциалы
Валы
Валы первичные
Валы промежуточные
Вилки
Шестерни
Механизмы переключения
Трансмиссия
Мосты
Редукторы в сборе
Заднего моста
Переднего моста
Среднего моста
Зубьев
31, 35
50
49
48
47
46
КамАЗ
4310
43114
43118
4326
5320
53205
65115
43253
53229
6520
6522
4308
65111
65116
65117
55102
55111
53212
53215
54115
5410
5511
Мосты в сборе
Передние
Средние
Задние
6520, 6522 (20т)
65115 (15т)
65111 (15т)
43118 (10т)
43114 / 4310 (8т)
53205 Евро (10т)
5320 (8т)
5511 (10т)
МОД
Мадара
Подвеска в сборе
Ось передняя
Ось в сборе
Ходовая часть
Подвеска (тележка) в сборе
Колеса и шины
Рама
Рессоры
Лебедка
Механизмы управления
Система выпуска
Сцепление
Тормоза
Кабина
Управление рулевое
Электрооборудование
КАМАЗ 5490
Рама
Система выпуска
Сцепление
Тормоза
Управление рулевое
Ходовая часть
Кабина
Мосты
Двигатель 457
Двигатели в сборе
КАМАЗ К5
Электрооборудование
Управление рулевое
Двигатели WeiChai
Двигатели в сборе
Двигатели Р6
Двигатели 910 Р6 в сборе
Кабина
Сцепление
Тормоза
ZF
КПП ZF в сборе
16S EcoSplit
КПП 16s 1820 TO
КПП 16S 2220
9S Ecomid
12AS Astronic
12TX Traxon
Запчасти 12tx Traxon
Cummins
Двигатели в сборе
Блоки цилиндров
Головки блока
Генератор
Китайские грузовики
Fast Gear
Sitrak
FAW
Shaanxi HanDe
Weichai
Европейские грузовики
Mercedes
Электрооборудование
Стартеры
Блоки управления
Блоки управления ADM
Блоки управления CPC4
Блоки управления двигателем
Блоки управления электрооборудованием
Датчики
Карданная передача
Карданы КамАЗ
Коробки отбора мощности
Прицепная техника
ССУ (Седла)
Ремонт
Ремонт двигателей
Ремонт КПП Камаз и ZF
Ремонт раздаток и редукторов
Ремонт кабин
Услуги
Комплектация заявок
Скупка запчастей и агрегатов
Контакты
Отправить заявку
Каталоги запчастей к технике
Грузовые
Shaanxi
Shacman SX331863366 (X3000)
REAR STABILIZER BAR (DC97319680164)
Поиск
REAR STABILIZER BAR (DC97319680164)
/ Shaanxi Shacman SX331863366 (X3000)
zoom-in
zoom-out
enlarge
shrink
circle-right
circle-left
file-text2
info
cart
Тип техники
Не выбрано
Грузовые
Двигатели
Марка
Не выбрано
DAF
DongFeng
FAW
Foton
HOWO
IVECO
JAC Motors
MAN
Shaanxi
SITRAK
Volvo
Автокомпонент Плюс
ЗИЛ
КАЗ
КамАЗ
Мадара
НефАЗ
СЗАП
Тонар
УралАЗ
Модель
Не выбрано
DeLONG Е-3 (самосвал) (2008)
DeLONG Е-3 (тягач) (2008)
MAN-F2000 (SX3254JS384) (2008)
Shacman F2000 (2013)
Shacman F3000 (2013)
Shacman SX1255GP4 (2016)
Shacman SX13164N456
Shacman SX3255DR385 (2011)
Shacman SX3256DR384 (F3000) (2015)
Shacman SX3256DT384 (2011)
Shacman SX32586T384 (X3000)
Shacman SX3258DR384 (F3000)
Shacman SX3258DR384—F2000
Shacman SX3316DR366 (F2000) (2011)
Shacman SX3316DT366 (2011)
Shacman SX3316DT426C
Shacman SX3316DV386
Shacman SX3316HT406C
Shacman SX331853386 (X5000) (2023)
Shacman SX331863366 (X3000) (2021)
Shacman SX33186T386 (X3000)
Shacman SX3318DT366 (F3000)
Shacman SX3318HT366TL
Shacman SX4188YY381
Shacman SX4255DV385 (2011)
Shacman SX42564V324 (X3000)
Shacman SX4256NT324
Shacman SX42584V324
Shacman SX42584V384TL
Shacman SX5256GJBMR364 (2018)
Shacman SX5315GJB5V326C (X3000) (2021)
Shacman SX5318GJBDT386TL
SX-3255-DR 3804B 6х4
SX32566R384
Схема
>
Не выбрано
ENGINE SUSPENSION
FUEL TANK ASSEMBLY 600L
ACCELEROGRAPH CONTROL DEVICE
AIR CLEANING DEVICE
COOLER SYSTEM (F3000/WP12)
DUSTPROOF NET
DC95319740519 UREA SUPPLY TANK
DC95319740519 UREA SUPPLY TANK
PULL CLUTCH CONTROL DEVICE
PULL DIAPHRAGM CLUTCH О¦430
SHIFTING DEVECE
PROPELLER SHAFT
MAN9.5T (DRUM TYPE) STEERING SHAFT
WHEELSIDE REDUCTION THROUGH-TYPE DRIVE AXLE MAIN REDUCER ASSEMBLY (MIDDLE AXLE)
WHEEL-SIDE REDUCTION THROUGH-TYPE DRIVE AXLE HOUSING (MIDDLE AXLE)
WHEEL EDGE REDUCTION THROUGH DRIVE AXLE WHEEL EDGE
WHEEL REDUCTION TRANSAXLE MAIN REDUCER ASSEMBLY (REAR AXLE)
WHEEL REDUCTION TRANSAXLE HOUSING (REAR AXLE)
WHEEL EDGE REDUCTION DRIVE AXLE WHEEL EDGE
CAB WELDING ASSEMBLY
SUN BLIND
AIL-ROUND CURTAIN
LEFT AND RIGHT SEAT ASSEMBLY
THE INTERIOR TRIM ASSEMBLY
THE INTERIOR TRIM ASSEMBLY
THE INTERIOR TRIM ASSEMBLY
THE INTERIOR TRIM ASSEMBLY
SLEEPER UNDER CAB (LIGHTWEIGHT)
DASHBOARD
DECORATIVE ASSEMBLY
DECORATIVE ASSEMBLY
DECORATIVE ASSEMBLY
DECORATIVE ASSEMBLY
RADIATOR FENCE (DC97259200047)
LEFT DOOR LOCK SYSTEM
LEFT DOOR LOCK SYSTEM
LEFT DOOR LOCK SYSTEM
RIGHT DOOR LOCK SYSTEM
RIGHT DOOR LOCK SYSTEM
RIGHT DOOR LOCK SYSTEM
FRONT COVER
LEFT DOOR LIMIT
RIGHT DOOR LIMIT
LEFT DOOR WINDOW LIFTER
RIGHT DOOR WINDOW LIFTER
DOOR COVERING LEFT (ELECTROMOTION)
DOOR COVERING RIGHT (ELECTROMOTION)
LEFT DOOR SEAL AND DOOR CLASS SEAL
RIGHT DOOR SEAL AND DOOR CLASS SEAL
SKYLIGHT PANEL ASSEMBLY
CAR WINDOW
VIEW MIRROR
SUN VISOR
THE DRIVER’S CAB LEFT FENDER
THE DRIVER’S CAB RIGHT FENDER
FENDER SYSTEM
LEFT FOOT PANEL
RIGHT FOOT PANEL
LEFT FOOT PANEL FOR CAB
RIGHT FOOT PANEL FOR CAB
BUMPER
MUDGUARDS
STEERING COLUMN ADJUSTABLE
STEERING HYDRAULIC DEVICE
DOUBLE SHAFTS STEERING TRANSMISSION DEVICE
SERVE BRAKE CONTROL DEVICE
PARKING BRAKE CONTROL DEVICE
BRAKE DEVICE OF DUMP TRUCK
BRAKE DEVICE OF DUMP TRUCK
BRAKE PIPELINE OF DRIVE AXLE
CAB ELECTRICAL APPLIANCES
CAB ELECTRICAL APPLIANCES
CAB ELECTRICAL APPLIANCES
CAB ELECTRICAL APPLIANCES
CAB ELECTRICAL APPLIANCES
CAB ELECTRICAL APPLIANCES
CAB ELECTRICAL APPLIANCES
CAB ELECTRICAL APPLIANCES (GLONASS)/BCM
CAB ELECTRICAL APPLIANCES
CAB ELECTRICAL APPLIANCES
CAB ELECTRICAL APPLIANCES
CAB ELECTRICAL APPLIANCES FHB400
CAB ELECTRICAL ACCESSORIES
CAB ELECTRICAL ACCESSORIES
LOOMS ON CAB OUTER
FRONT TERMINAL BOX
SWITCH
SWITCH
CIGRATE
COMMBINATION SWITCH
REAR LIGHT
LOUDHAILER
CHASSIS ELECTRICAL APPLIANCES/WP12E50/4Г—2/6Г—4/BOX TYPE SCR/UREA TANK MODULE/CROSSBEAM REARWARD MOVEMENT 350/YOUSHUN/FHQ/ELECTROMAGNETIC SWITCH
CHASSIS ELECTRICAL APPLIANCES/ADDITIONAL/8Г—4/ELECTRIC HEATING OIL TANK/FIREWALL/COLD ZONE
CHASSIS ELECTRICAL APPLIANCES/NON-TRACTOR/DUMP/8Г— 4/K38/1000/WABCO 6ABS/STORAGE II LEFT 1500/FHQ/COLD AREA
CHASSIS ELECTRICAL APPLIANCES/NON-TRACTOR/DUMP/8Г— 4/K38/1000/WABCO 6ABS/STORAGE II LEFT 1500/FHQ/COLD AREA
CHASSIS ELECTRICAL APPLIANCES/X3000 WEICHAI/ADDITIONAL/FAST HYDRAULIC RETARDER/FHB400
CHASSIS ELECTRICAL APPLIANCES/ADDITIONAL/REVERSING BUZZER/NO JUNCTION BOX
BATTERY BOX MOUNTING
BATTERY BOX
MAIN POWER SWITCH (SWITCH IN THE MIDDLE)
FRAME WIRING HARNESS ACCESSORIES (X3000/DUMP TRUCK/8Г—4/FHQ)
FRAME WIRING HARNESS ACCESSORIES (X3000/DUMP TRUCK/8Г—4/FHQ)
FRAME WIRING HARNESS ACCESSORIES (X3000/DUMP TRUCK/8Г—4/FHQ)
ENGINE WIRING HARNESS ACCESSORIES (X3000/WP13E50/8Г—4/RETARDER/FHQ)
ENGINE WIRING HARNESS ACCESSORIES (X3000/WP13E50/8Г—4/RETARDER/FHQ)
ENGINE WIRING HARNESS ACCESSORIES (X3000/WP13E50/8Г—4/RETARDER/FHQ)
CHASSIS LIGHTS/IRON BUMPER/DRL/MAN TAIL LIGHTS/YELLOW HEIGHT LIGHTS/WHITE POSITION LIGHTS
AIR CONDITION PIPES
HEATER DEVICE (WITH AIR CONDITION)
AIR CONDITION CONTROLLER
SENSOR
CAB LOCKING DEVICE (DC14251440348)
CAB LOCKING DEVICE (DZ14251440448)
FRONT SUSPENSION FOR VEHICLE (DC14251433007)
FRONT SUSPENSION (DC97319690777)
REAR SUSPENSION I (DC97319520821)
REAR SUSPENSION II (DC97319520821)
FRONT SHOCK ABSORBER (DC97319680164)
FRONT STABILIZER ASSEMBLY (DC97319680164)
REAR STABILIZER BAR (DC97319680164)
FRAM ASSEMBLY
BASIN BEAM ASSEMBLY
FRAM ASSEMBLY
DEFENSIVE DRILL PROTECTION FRAME
TAILLIGHT BRACKET
DRAG DEVICE
WHEELING SYSTEM
CLUTCH PNEUMATIC CONTROL
AIR RESERVOIR SUPPORT ASSEMBLY
DC97189361057 AIR RESERVOIR SUPPORT
CONNECTING PARTS, LINE & NIPPLE JOINT
CONNECTING PARTS, LINE & NIPPLE JOINT
CONNECTING PARTS, LINE & NIPPLE JOINT
CONNECTING PARTS, LINE & NIPPLE JOINT
CONNECTING PARTS, LINE & NIPPLE JOINT
CONNECTING PARTS, LINE & NIPPLE JOINT
CONNECTING PARTS, LINE & NIPPLE JOINT
PARKING WEDGE
CONNECTING PARTS, LINE & NIPPLE JOINT
CONNECTING PARTS, LINE & NIPPLE JOINT
CONNECTING PARTS, LINE & NIPPLE JOINT
CONNECTING PARTS, LINE & NIPPLE JOINT
CONNECTING PARTS, LINE & NIPPLE JOINT
AIR TANK FIXING (I)
DC95189090100 AIR FOR CAB
NIPPLE SUPPORT
NIPPLE SUPPORT
NIPPLE SUPPORT
CONNECTING PARTS, LINE & NIPPLE JOINT
CONNECTING PARTS, LINE & NIPPLE JOINT
CONNECTING PARTS, LINE & NIPPLE JOINT
CONNECTING PARTS, LINE & NIPPLE JOINT
AIR COMPRESSOR PIPELINE
AIR BLACKCURRANT UNIT
CONNECTING PARTS, LINE & NIPPLE JOINT
CONNECTING PARTS, LINE & NIPPLE JOINT
DC93189270201 PNEUMATIC CONTROL OF POWER TAKE-OFF
AIR OPERATOR FOR POWER TAKE-OFF
CONNECTING PARTS, LINE & NIPPLE JOINT
CONNECTING PARTS, LINE & NIPPLE JOINT
CAB OSTENTATIOUS SCUTCHEON GLISTEN MARK
VEHICLE SCUTCHEON
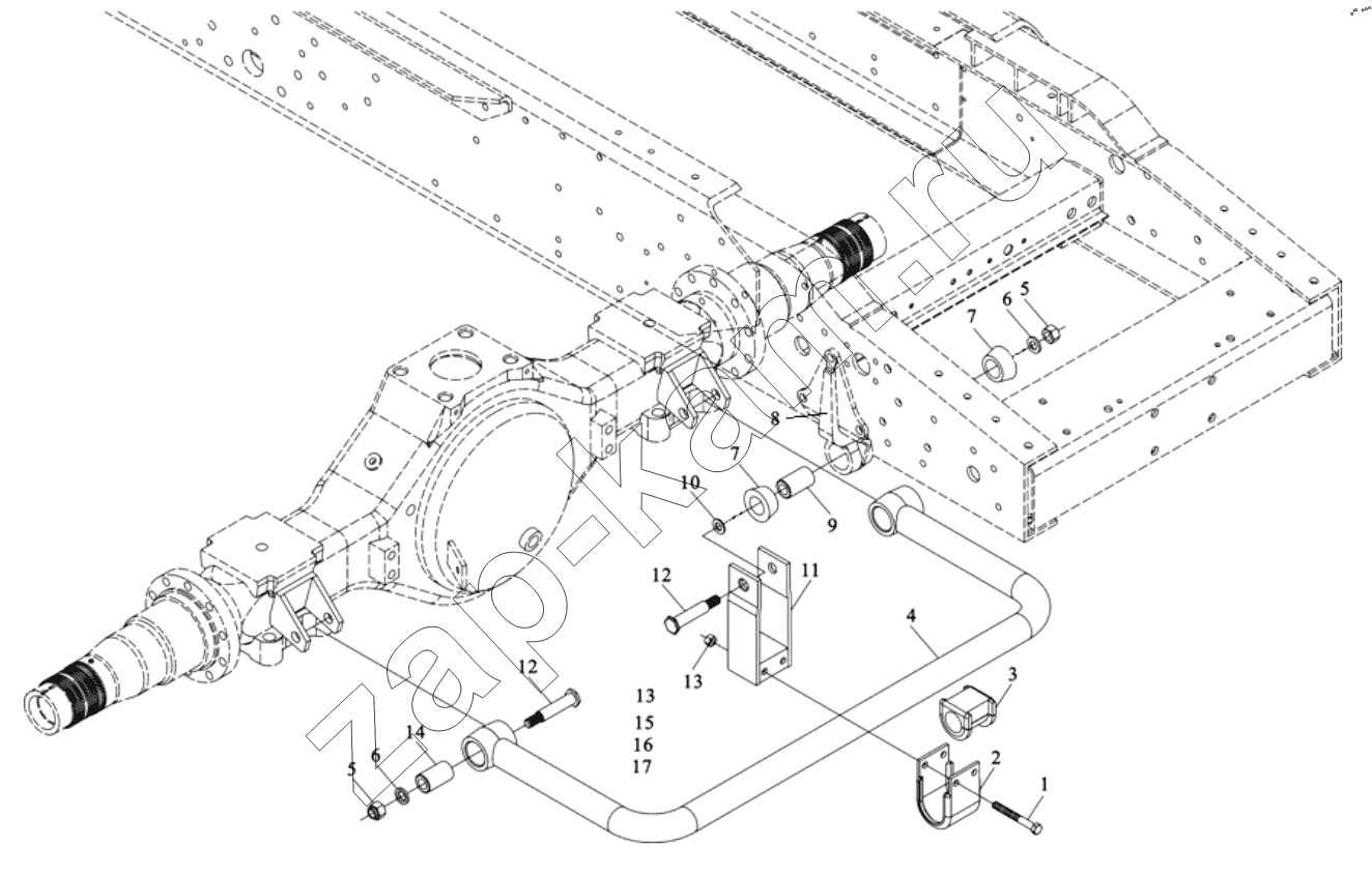
1
2
3
4
5
5
6
6
7
7
8
9
10
11
12
12
13
13
14
Поз.
Артикул
Название детали
Кол-во
1
Q151C12100T1F3
Hex head bolts-fine pitch
4;
2
178000680032
Хомут
2;
3
199100680067
Подушка
2;
4
DZ9100681015
Transverse stabilizer bar assembly
1;
5
190003888459
Гайка VМ16х1,5DIN980
4;
6
178000680030
Шайба
4;
7
199100680066
Проставка
4;
8
DZ95319680800
Rear stabilizer bar bracket
2;
9
199100680037
Втулка
2;
10
199100680071
Шайба
2;
11
199100680015
Balance clamp assembly
2;
12
178000680029
Болт
4;
13
190003888457
Гайка самоблокировочная
4;
14
178000680035
Втулка
2;
Содержащиеся в справочниках-каталогах запасные части и детали не предлагаются к продаже, а носят исключительно информационный характер
Дополнительная информация
×
Название:
Номер:
Примечание:
Войти
Имя пользователя
Пароль
Забыли пароль?
Запомнить меня
Войти
Поиск товаров
Поиск товаров
Корзина покупок