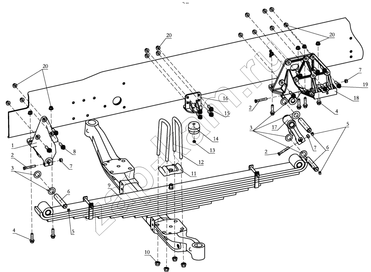
FRONT SUSPENSION (DC95259690902)
/ Shaanxi Shacman SX5256GJBMR364

1
2
2
2
2
2
2
3
3
4
4
5
5
5
5
6
6
6
6
7
7
7
8
9
9
10
11
12
12
13
14
15
16
17
18
18
19
20
20
20
Поз. | Артикул | Название детали | Кол-во | |
---|---|---|---|---|
1 | SZ970000736 | Front spring front bracket | 2; | |
2 | Q151C1275T1F3 | Hex head bolts-fine pitch | 4; | |
2 | Q151C1270T1F3 | Hex head bolts-fine pitch | 2; | |
3 | 168000520050 | Шайба | 12; | |
4 | Q1811455TF3 | Hexagon flange face bearing toothed bolt - fine teeth | 12; | |
5 | 190003963124 | Масленка | 3; | |
5 | 190003963127 | Масленка | 3; | |
6 | DZ9100520065 | Spring pin | 5; | |
6 | DZ9100520007 | Стремянка рессоры | 1; | |
7 | 190003888457 | Гайка самоблокировочная | 6; | |
8 | Q1811465TF3 | Hex flange face bearing bolts-fine | 6; | |
9 | SZ970000795 | Front left leaf spring assembly | 1; | |
9 | SZ970000796 | Front right leaf spring assembly | 1; | |
10 | 06.11289.0003 | Shoulder nut | 8; | |
11 | 81.41335.0084 | Spring clamping plate | 2; | |
12 | DZ9118526031 | U-bolt | 2; | |
12 | DZ9118526032 | U-bolt | 2; | |
13 | 190003888457 | Гайка самоблокировочная | 2; | |
14 | 81.96020.6013 | Hollow rubber bumper | 2; | |
15 | Q1811445TF3 | Hex Flange Face Bearing Bolts-Fine | 8; | |
16 | SZ970000790 | Front spring limit bracket assembly | 2; | |
17 | 199100520034 | Ушко рессоры | 2; | |
18 | SZ970000737 | Front spring left rear bracket | 1; | |
18 | SZ970000782 | Front spring right rear bracket | 1; | |
19 | Q1811455TF3 | Hexagon flange face bearing toothed bolt - fine teeth | 14; | |
20 | 06.11251.2005 | Гайка М14х1,5-10-МАN183-В1 | 40; |
Содержащиеся в справочниках-каталогах запасные части и детали не предлагаются к продаже, а носят исключительно информационный характер