ЗапКам
zap-kam16@yandex.ru
(900) 323-41-41
Вход / Регистрация отключена
Вход
Избранное
0
по запросу
Каталог
Все товары и категории
Запчасти КАМАЗ
Автомобили
Двигатель
Двигатели в сборе
Евро-0
КамАЗ-4310
Урал-4320
КамАЗ-4350
Евро-1
КамАЗ-43114
Евро-2
КамАЗ-43118
КамАЗ-65115
КамАЗ-6520
Евро-3
Евро-4
Евро-5
Газовые
Блоки цилиндров
Блоки цилиндров Евро-0 КамАЗ
Блоки цилиндров Евро-1 КамАЗ
Блоки цилиндров Евро-2 КамАЗ
Блоки цилиндров Евро-4,5 КамАЗ Common Rail
Сборочные комплекты (лонг-, шорт-блоки)
Блоки управления
Валы коленчатые
Коленвалы Евро-2 КамАЗ
Коленвалы Евро-3 КамАЗ
Коленвалы Евро-4,5 КамАЗ Common Rail
Коленвалы Евро-0 КамАЗ
Вкладыши коренные
Евро-3,4,5
Евро-0,1,2
Вкладыши шатунные
Евро-3,4,5
Евро-0,1,2
Валы распредительные
ЦПГ – поршневая
Поршневая Евро-4,-5 (740.602)
Поршневая Евро-2,-3 (740.60)
Поршневая Евро-1,-2 (740.30)
Поршневая Евро-0,1 (740)
Кольца поршневые
ТНВД
Евро-4-5 Common Rail
Евро-2
Евро-1
Евро-0
Система питания
Форсунки топливные
Распылители форсунок
Топливозаборники
ГБЦ
Евро-3,4,5 Common Rail
Евро-1,2,3
Евро-0
Газ
Турбокомпрессоры
ТРК Евро-4,5 (однотурбовые)
Евро-4
Евро-3
Евро-2
Евро-1
Насос водяной
Насос масляный
Коробка передач
КПП в сборе
Валы
Валы вторичные
Валы первичные
Валы промежуточные
Шестерни
Синхронизаторы
Делители в сборе
Коробка раздаточная
РК в сборе
РК 6522
Дифференциалы
Валы
Валы первичные
Валы промежуточные
Вилки
Шестерни
Механизмы переключения
Трансмиссия
Мосты
Редукторы в сборе
Заднего моста
Переднего моста
Среднего моста
Зубьев
31, 35
50
49
48
47
46
КамАЗ
4310
43114
43118
4326
5320
53205
65115
43253
53229
6520
6522
4308
65111
65116
65117
55102
55111
53212
53215
54115
5410
5511
Мосты в сборе
Передние
Средние
Задние
6520, 6522 (20т)
65115 (15т)
65111 (15т)
43118 (10т)
43114 / 4310 (8т)
53205 Евро (10т)
5320 (8т)
5511 (10т)
МОД
Мадара
Подвеска в сборе
Ось передняя
Ось в сборе
Ходовая часть
Подвеска (тележка) в сборе
Колеса и шины
Рама
Рессоры
Лебедка
Механизмы управления
Система выпуска
Сцепление
Тормоза
Кабина
Управление рулевое
Электрооборудование
КАМАЗ 5490
Рама
Система выпуска
Сцепление
Тормоза
Управление рулевое
Ходовая часть
Кабина
Мосты
Двигатель 457
Двигатели в сборе
КАМАЗ К5
Электрооборудование
Управление рулевое
Двигатели WeiChai
Двигатели в сборе
Двигатели Р6
Двигатели 910 Р6 в сборе
Кабина
Сцепление
Тормоза
ZF
КПП ZF в сборе
16S EcoSplit
КПП 16s 1820 TO
КПП 16S 2220
9S Ecomid
12AS Astronic
12TX Traxon
Запчасти 12tx Traxon
Cummins
Двигатели в сборе
Блоки цилиндров
Головки блока
Генератор
Китайские грузовики
Fast Gear
Sitrak
FAW
Shaanxi HanDe
Weichai
Европейские грузовики
Mercedes
Электрооборудование
Стартеры
Блоки управления
Блоки управления ADM
Блоки управления CPC4
Блоки управления двигателем
Блоки управления электрооборудованием
Датчики
Карданная передача
Карданы КамАЗ
Коробки отбора мощности
Прицепная техника
ССУ (Седла)
Ремонт
Ремонт двигателей
Ремонт КПП Камаз и ZF
Ремонт раздаток и редукторов
Ремонт кабин
Услуги
Комплектация заявок
Скупка запчастей и агрегатов
Контакты
Отправить заявку
Каталоги запчастей к технике
Грузовые
Shaanxi
Shacman SX5256GJBMR364
SERVE BRAKE CONTROL DEVICE
Поиск
SERVE BRAKE CONTROL DEVICE
/ Shaanxi Shacman SX5256GJBMR364
zoom-in
zoom-out
enlarge
shrink
circle-right
circle-left
file-text2
info
cart
Тип техники
Не выбрано
Грузовые
Двигатели
Марка
Не выбрано
DAF
DongFeng
FAW
Foton
HOWO
IVECO
JAC Motors
MAN
Shaanxi
SITRAK
Volvo
Автокомпонент Плюс
ЗИЛ
КАЗ
КамАЗ
Мадара
НефАЗ
СЗАП
Тонар
УралАЗ
Модель
Не выбрано
DeLONG Е-3 (самосвал) (2008)
DeLONG Е-3 (тягач) (2008)
MAN-F2000 (SX3254JS384) (2008)
Shacman F2000 (2013)
Shacman F3000 (2013)
Shacman SX1255GP4 (2016)
Shacman SX13164N456
Shacman SX3255DR385 (2011)
Shacman SX3256DR384 (F3000) (2015)
Shacman SX3256DT384 (2011)
Shacman SX32586T384 (X3000)
Shacman SX3258DR384 (F3000)
Shacman SX3258DR384—F2000
Shacman SX3316DR366 (F2000) (2011)
Shacman SX3316DT366 (2011)
Shacman SX3316DT426C
Shacman SX3316DV386
Shacman SX3316HT406C
Shacman SX331853386 (X5000) (2023)
Shacman SX331863366 (X3000) (2021)
Shacman SX33186T386 (X3000)
Shacman SX3318DT366 (F3000)
Shacman SX3318HT366TL
Shacman SX4188YY381
Shacman SX4255DV385 (2011)
Shacman SX42564V324 (X3000)
Shacman SX4256NT324
Shacman SX42584V324
Shacman SX42584V384TL
Shacman SX5256GJBMR364 (2018)
Shacman SX5315GJB5V326C (X3000) (2021)
Shacman SX5318GJBDT386TL
SX-3255-DR 3804B 6х4
SX32566R384
Схема
>
Не выбрано
ENGINE SUSPENSION
FUEL LINE AND JOINT
REMOTE ACCELEROGRAPH CONTROLLER
ACCELEROGRAPH CONTROL DEVICE
FUEL TANK ASSEMBLY
AIR CLEANING DEVICE
RADIATOR PROTECTOR SYSTEM
COOLING SYSTEM/WP10/NEW M3000/850 FRAME
COOLING SYSTEM/WP10/NEW M3000/850 FRAME
EXPANSION BOX SYSTEM
EXHAUSTING SYSTEM
PULL CLUTCH CONTROL DEVICE
PULL DIAPHRAGM CLUTCH Р¤430
GEAR BOX SUPPORT
SHIFTING DEVECE
MAN 7.5 TON DRUM STEERING SHAFT
STR DOUBLE-STAGE DOUBLE-AXLE AXLE HOUSING (MIDDLE AXLE)
STR DOUBLE-STAGE DOUBLE-BRIDGE MIDDLE BRIDGE MAIN REDUCTION в…
STR DOUBLE-STAGE DOUBLE-BRIDGE MIDDLE BRIDGE MAIN REDUCTION в…Ў
STR DOUBLE-STAGE DOUBLE-BRIDGE MIDDLE BRIDGE MAIN REDUCTION в…ў
STR DOUBLE-STAGE DOUBLE-AXLE AXLE HOUSING (REAR AXLE)
STR DUAL-STAGE DUAL-AXLE DRIVE UNIT (REAR AXLE)
STR DOUBLE-STAGE DOUBLE-AXLE WHEEL SIDE PLANETARY REDUCER I (MIDDLE AND REAR AXLE)
STR DOUBLE-STAGE DOUBLE-AXLE WHEEL SIDE PLANETARY REDUCER в…Ў (MIDDLE AND REAR AXLE)
STR DOUBLE-STAGE DOUBLE-AXLE BRAKE I (MIDDLE AND REAR AXLE)
STR DOUBLE-STAGE DOUBLE-AXLE BRAKE в…Ў (MIDDLE AND REAR AXLE)
NEW M3000 HALF HIGH ROOF CAB ASSY
SEAT
HEAT INSULATION
LEFT DOOR LIMIT
RIGHT DOOR LIMIT
LEFT DOOR WINDOW LIFTER ASSEMBLY
RIGHT DOOR WINDOW LIFTER ASSEMBLY
LEFT DOOR INNER PANEL ASSEMBLY
LEFT DOOR INNER PANEL ASSEMBLY
RIGHT DOOR INNER PANEL ASSEMBLY
RIGHT DOOR INNER PANEL ASSEMBLY
LEFT DOOR SEAL
RIGHT DOOR SEAL
LEFT DOOR HINGE
RIGHT DOOR HINGE
FLOOR MATS
WINDSCREEN
SIDE-WINDOW AND REAR-WINDOW
SAFETY BELT
LEFT DOOR LOCK SYSTEM
LEFT LOCK SET IN CAB
LFET DOOR LOCKSCREW
RIGHT DOOR LOCK SYSTEM
RIGHT LOCK SET IN CAB
RIGHT DOOR LOCKSCREW
NEW M3000 HALF-HEIGHT SUNSHADE
LOW ROOF LENGTHENING SUNDRY
LH GUSSET BACKPLATE
RH GUSSET BACKPLATE
BH GUSSET BACKPLATE
LOW ROOF LENGTHENING
DASHBOARD LH, RH AND LOW RIGHT BRACKET
DASHBOARD MID BRACKET
DASHBOARD ASSY
DASHBOARD PANEL ASSY
DRIVER KNEE BOLSTER ASSY
PASSENGER KNEE BOLSTER ASSY
SECOND DASHBOARD ASSY
CAB DECORATIVE SIGNS AND REFLECTIVE SIGNS
FRONT COVER
FRONT COVER
VIEW MIRROR
WINDSCREEN WIPER ASSEMBLY
WATER CONTAINER
PART OF THE CAB FENDER
FENDER DC15221232234
LEFT FOOT PANEL
RIGHT FOOT PANEL
LEFT FOOT PANEL FOR CAB
RIGHT FOOT PANEL FOR CAB
NEW-M3000 DUMP TRUCK BUMPER
STEERING TRANSMISSION DEVICE
STEERING HYDRAULIC DEVICE
STEERING COLUMN ADJUSTABLE
DOUBAL CIRCUIT BRAKE SYSTEM II
DOUBAL CIRCUIT BRAKE SYSTEM II
CONNECTING PARTS, LINE & NIPPLE JOINT
CONNECTING PARTS, LINE & NIPPLE JOINT
CONNECTING PARTS, LINE & NIPPLE JOINT
AIR COMPRESSOR PIPELINE
AIR BLACKCURRANT UNIT
CONNECTING PARTS, LINE & NIPPLE JOINT
CONNECTING PARTS, LINE & NIPPLE JOINT
SERVE BRAKE CONTROL DEVICE
PARKING BRAKE CONTROL DEVICE
7.5 ABS
AIR RESERVOIR BRACKET ASSEMBLY
EXHAUST BRAKE CONTROL
CAB ELECTRICAL/NEW M3000/ADDITIONAL/WP/ELECTROMAGNETIC CLUTCH FAN
ABS CONTROLLER
SWITCH
SWITCH
DOOR LAMP SWITCH
INNER LIGHT
CLEARANCE LAMP
SIDE TURN SIGNAL LAMP
TOP CEILING WIRE HARNESS
FLOOR WIRE HARNESS
DOOR WIRE HARNESS
SWITCH
SWITCH
SWITCH
SWITCH
ANTENNA, SPEAKER
RIGHT HEAD LIGHT WIRE HARNESS
CHASSIS ELECTRICAL/NEW M3000/NON-TRACTOR/K38/6Г—4/REAR SUSPENSION 1500/NO JUNCTION BOX
CHASSIS ELECTRICAL/NEW M3000/NON-TRACTOR/K38/6Г—4/REAR SUSPENSION 1500/NO JUNCTION BOX
CHASSIS ELECTRICAL/NEW M3000/NON-TRACTOR/K32/8Г—4/REAR SUSPENSION 1000/STR AXLE
CHASSIS ELECTRICAL/NEW M3000/NON-TRACTOR/K32/8Г—4/REAR SUSPENSION 1000/STR AXLE
CHASSIS ELECTRICAL/NEW M3000/NON-TRACTOR/K32/8Г—4/REAR SUSPENSION 1000/STR AXLE
CHASSIS APPLIANCE/ADDITONAL/ EXTENDED LINE
CHASSIS ELECTRICAL/ABS SOLENOID VALVE AND WIRING HARNESS
CHASSIS ELECTRICAL/NON-TRACTOR
CHASSIS ELECTRICAL/ADDITIONAL/REMOTE THROTTLE 980
BATTERY BOX MOUNTING
BATTERY BOX
MAIN POWER SWITCH (SWITCH IN THE MIDDLE)
TAILLIGHT BRACKET
HEADLAMPS
SIDE MARKER LIGHT (FENDER)
COMBINATION TAILLIGHT
AIR CONDITIONING SYSTEM
AIR CONDITIONER BODY
AIR DUCT
AIR CONDITION PIPES
FRONT SHOCK ABSORBER (DC95259680100)
FRONT STABILIZER ASSY (DC95259680100)
CAB HYDRAULIC TILTING EQUIPMENT
CAB TILTING MECHANISM L.H. DRIVE VEHICLE
SPRING
CAB LOCKING DEVICE
FRONT SUSPENSION (DC95259690902)
REAR SUSPENSION I (DC95319520801)
REAR SUSPENSION II (DC95319520801)
FRAME ASSY
FRONT CARFRAME AFFIX (DC96259800113)
CROSS MEMBER
WHEELING SYSTEM
CONNECTING PARTS, LINE & NIPPLE JOINT
CONNECTING PARTS, LINE & NIPPLE JOINT
CONNECTING PARTS, LINE & NIPPLE JOINT
SPARE WHEEL HOLDER
DRAW GEAR
UREA SUPPLY TANK
DECORATIVE ASSEMBLY
VEHICLE SCUTCHEON
CAB VEHICLE TYPE LETTERS
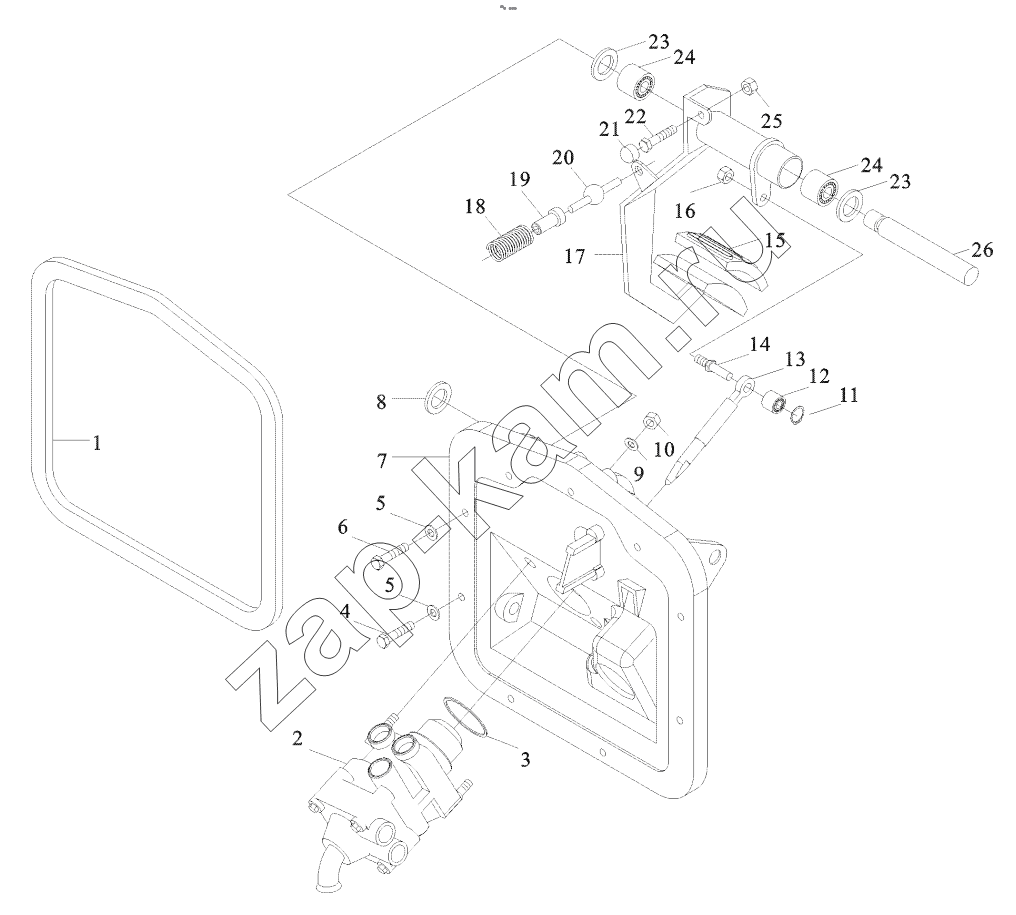
1
2
3
4
5
5
6
7
8
9
10
11
12
13
14
15
16
17
18
19
20
21
22
23
23
24
24
25
26
Поз.
Артикул
Название детали
Кол-во
1
81.96601.0659
Прокладка
1;
2
DZ9100360080
Тормозной клапан
1;
3
DZ9100360080
Тормозной клапан
1;
4
81.52130.6188
brake valve
1;
5
81.52130.6192
brake valve
1;
6
06.56341.1241
Кольцо уплотнительное
1;
7
06.07069.0008
Болт
7;
8
06.15013.0411
Шайба А8,4х16х1,6-200НV-МАN183-В1
9;
9
06.07069.0011
Болт
2;
10
81.48220.0106
Кронштейн
1;
11
06.29050.0116
Кольцо стопорное
1;
12
06.15013.0411
Шайба А8,4х16х1,6-200НV-МАN183-В1
2;
13
06.11064.2114
Гайка ВМ8-04-А2С
2;
14
06.29050.0111
Кольцо
1;
15
06.33719.0018
Подшипник шариковый
1;
16
81.91020.0610
Шток клапана
1;
17
81.91020.0611
Вал
1;
18
81.48227.0006
Пыльник
1;
19
06.11240.0406
Замок гайка
1;
20
81.48235.5033
Педаль тормоза в сборе
1;
21
06.46081.6338
Пружина
1;
22
81.97680.0019
Гнездо пружины
1;
23
81.48225.0029
Шариковый фиксатор
1;
24
81.96020.0369
Резиновый колпачок
1;
25
06.01283.3115
Болт М8х25-8,8-МАN183-В1
1;
26
06.15114.0418
Регулирующая шайба
2;
27
06.33719.0005
Подшипник шариковый
2;
28
06.11064.2114
Гайка ВМ8-04-А2С
1;
29
81.48210.0033
Ось педали
1;
Содержащиеся в справочниках-каталогах запасные части и детали не предлагаются к продаже, а носят исключительно информационный характер
Дополнительная информация
×
Название:
Номер:
Примечание:
Войти
Имя пользователя
Пароль
Забыли пароль?
Запомнить меня
Войти
Поиск товаров
Поиск товаров
Корзина покупок