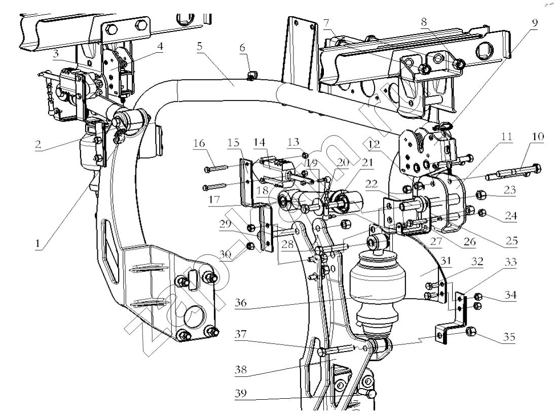
CAB LOCKING DEVICE
/ Shaanxi Shacman SX5315GJB5V326C (X3000)

1
2
3
4
5
6
7
8
9
10
11
12
13
14
15
16
17
18
19
20
21
22
23
24
25
26
27
28
29
30
31
32
33
34
35
36
37
38
38
38
38
38
38
39
Поз. | Артикул | Название детали | Кол-во | |
---|---|---|---|---|
DZ14251440120 | DZ14251440120 | Fixed beam | 1; | |
DZ13241440070 | DZ13241440070 | Height valve | 2; | |
DZ13241440083 | DZ13241440083 | Sleeve | 2; | |
DZ14251440137 | DZ14251440137 | Fixed beam | 1; | |
DZ13241440127 | DZ13241440127 | Fixed beam | 1; | |
DZ14251440123 | DZ14251440123 | Fixed beam | 1; | |
DZ14251440122 | DZ14251440122 | Fixed beam | 1; | |
DZ14251440121 | DZ14251440121 | Fixed beam | 1; | |
DZ14251440041 | DZ14251440041 | Left lock base | 1; | |
DZ14251440055 | DZ14251440055 | Support | 1; | |
1 | DZ9100770423 | Fixed clamp | 3; | |
2 | DZ13241440087 | Bracket | 1; | |
3 | DZ13241440026 | Lock base | 2; | |
4 | DZ14251440042 | Right lock base | 1; | |
5 | DZ13241440085 | Cab lock | 1; | |
6 | DZ13241444303 | Fixed beam | 1; | |
7 | Q150B0610 | Hex screw | 4; | |
8 | Q151B16120T1F3 | Hex screw | 4; | |
9 | 190003888459 | Гайка VМ16х1,5DIN980 | 4; | |
10 | DZ13241440090 | Cab lock | 1; | |
11 | Q151C1265TF2 | Bolt – closely-pitched | 4; | |
12 | DZ13241440086 | U-armor plate assembly | 2; | |
13 | 190003888457 | Гайка самоблокировочная | 4; | |
14 | Q33408 | Гайка М8-8-МАN183-В4 | 4; | |
15 | SZ144000847 | Height valve bracket | 2; | |
16 | Q150B0850 | Hex bolt | 6; | |
17 | DZ13241440080 | Right cab support bracket | 2; | |
18 | Q151B14130 | Hex screw | 2; | |
19 | Q40214 | Large gasket | 2; | |
20 | DZ13241440046 | Adjustable pole assembly | 2; | |
21 | 190003888458 | Гайка | 2; | |
22 | DZ13241440084 | Sleeve | 2; | |
23 | 190003888458 | Гайка | 2; | |
24 | Q33210T2F3 | Hex nut | 2; | |
25 | DZ13241440036 | Height valve bracket | 2; | |
26 | Q150B1070 | Hex screw | 2; | |
27 | Q33206 | Шайба стопорная | 4; | |
28 | Q151B1470 | Болт | 2; | |
29 | Q151B1485 | Hex screw | 2; | |
30 | Q33210T2F3 | Hex nut | 4; | |
31 | DZ13241440088 | Adiabatic mantle | 1; | |
32 | Q150B1025T1F3 | Hex screw | 2; | |
33 | DZ13241440089 | Adiabatic mantle bracket | 1; | |
34 | Q33210T2F3 | Hex nut | 2; | |
35 | 190003888458 | Гайка | 2; | |
36 | DZ14251440020 | Air spring | 2; | |
37 | Q151B1480 | Болт | 2; | |
38 | DZ14251440012 | Right cab support assembly | 1; | |
38 | DZ14251440011 | Left cab support assembly | 1; | |
38 | DZ13241440148 | Right cab support assembly | 1; | |
38 | DZ13241440147 | Left cab support assembly | 1; | |
38 | DZ13241440048 | Right cab support assembly | 1; | |
38 | DZ13241440047 | Left cab support assembly | 1; | |
39 | Q181B1440TF3 | Hex screw | 6; | |
40 | DZ14251230010 | Bracket assembly left | 1; | |
40 | DZ14251230020 | Right front bracket assembly | 1; | |
40 | DZ14251230310 | Left front support assembly | 1; | |
40 | DZ14251230320 | Right front support assembly | 1; |
Содержащиеся в справочниках-каталогах запасные части и детали не предлагаются к продаже, а носят исключительно информационный характер