ЗапКам
zap-kam16@yandex.ru
(900) 323-41-41
Вход / Регистрация отключена
Вход
Избранное
0
по запросу
Каталог
Все товары и категории
Запчасти КАМАЗ
Двигатель
Двигатели в сборе
Евро-0
КамАЗ-4310
Урал-4320
КамАЗ-4350
Евро-1
КамАЗ-43114
Евро-2
КамАЗ-43118
КамАЗ-65115
КамАЗ-6520
Евро-3
Евро-4
Евро-5
Газовые
Блоки цилиндров
Блоки цилиндров Евро-0 КамАЗ
Блоки цилиндров Евро-1 КамАЗ
Блоки цилиндров Евро-2 КамАЗ
Блоки цилиндров Евро-3 КамАЗ
Блоки цилиндров Евро-4,5 КамАЗ Common Rail
Сборочные комплекты (лонг-, шорт-блоки)
Блоки управления
Валы коленчатые
Коленвалы Евро-0 КамАЗ
Коленвалы Евро-1 КамАЗ
Коленвалы Евро-2 КамАЗ
Коленвалы Евро-3 КамАЗ
Коленвалы Евро-4,5 КамАЗ Common Rail
Вкладыши коренные
Евро-3,4,5
Евро-0,1,2
Вкладыши шатунные
Евро-3,4,5
Евро-0,1,2
Валы распредительные
ЦПГ – поршневая
Поршневая Евро-4,-5 (740.602)
Поршневая Евро-2,-3 (740.60)
Поршневая Евро-1,-2 (740.30)
Поршневая Евро-0,1 (740)
Кольца поршневые
ТНВД
Евро-4-5 Common Rail
Евро-3
Евро-2
Евро-1
Евро-0
Система питания
Форсунки топливные
Распылители форсунок
Топливозаборники
ГБЦ
Евро-3,4,5 Common Rail
Евро-1,2,3
Евро-0
Газ
Турбокомпрессоры
ТРК Евро-4,5 (однотурбовые)
Евро-4
Евро-3
Евро-2
Евро-1
Насос водяной
Насос масляный
Маховики
Коробка передач
КПП в сборе
Валы
Валы вторичные
Валы первичные
Валы промежуточные
Шестерни
Синхронизаторы
Делители в сборе
Коробка раздаточная
РК в сборе
РК 6522
Дифференциалы
Валы
Валы первичные
Валы промежуточные
Вилки
Шестерни
Механизмы переключения
Трансмиссия
Мосты
Редукторы в сборе
Заднего моста
Переднего моста
Среднего моста
Зубьев
31, 35
50
49
48
47
46
КамАЗ
4310
43114
43118
4326
5320
53205
65115
43253
53229
6520
6522
4308
65111
65116
65117
55102
55111
53212
53215
54115
5410
5511
Мосты в сборе
Передние
Средние
Задние
6520, 6522 (20т)
65115 (15т)
65111 (15т)
43118 (10т)
43114 / 4310 (8т)
53205 Евро (10т)
5320 (8т)
5511 (10т)
МОД
Мадара
Подвеска в сборе
Ось передняя
Ось в сборе
Ходовая часть
Подвеска (тележка) в сборе
Колеса и шины
Рама
Рессоры
Лебедка
Механизмы управления
Отопление и вентиляция
Система выпуска
Сцепление
Тормоза
Кабина
Управление рулевое
Электрооборудование
Автомобили
КАМАЗ 5490
Двигатель 457
Двигатели в сборе
Сцепление
Кабина
Кузов
Мосты
Рама
Система выпуска
Тормоза
Управление рулевое
Ходовая часть
КАМАЗ К5
Двигатели WeiChai
Двигатели в сборе
Двигатели Р6
Двигатели 910 Р6 в сборе
Кабина
Сцепление
Тормоза
Управление рулевое
Электрооборудование
ZF
КПП ZF в сборе
16S EcoSplit
КПП 16s 1820 TO
КПП 16S 2220
9S Ecomid
12AS Astronic
12TX Traxon
Запчасти 12tx Traxon
Cummins
Двигатели в сборе
Блоки цилиндров
Коленвалы
Головки блока
Генератор
Китайские грузовики
Shaanxi HanDe
Fast Gear
Sitrak
Weichai
FAW
Laizhou Tongji
Европейские грузовики
Mercedes
Электрооборудование
Блоки управления
Блоки управления ADM
Блоки управления CPC4
Блоки управления двигателем
Блоки управления электрооборудованием
Датчики
Стартеры
Карданная передача
Карданы КамАЗ
Коробки отбора мощности
Прицепная техника
ССУ (Седла)
Ремонт
Ремонт двигателей
Ремонт КПП Камаз и ZF
Ремонт раздаток и редукторов
Ремонт кабин
Услуги
Комплектация заявок
Скупка запчастей и агрегатов
Контакты
Отправить заявку
Каталоги запчастей к технике
Грузовые
Тонар
Тонар-6428
Клапан управления механизмом сцепления
Поиск
Клапан управления механизмом сцепления
/ Тонар-6428
zoom-in
zoom-out
enlarge
shrink
circle-right
circle-left
file-text2
info
cart
Тип техники
Не выбрано
Грузовые
Двигатели
Марка
Не выбрано
DAF
DongFeng
FAW
Foton
HOWO
IVECO
JAC Motors
MAN
Shaanxi
SITRAK
Volvo
Автокомпонент Плюс
ЗИЛ
КАЗ
КамАЗ
Мадара
НефАЗ
СЗАП
Тонар
УралАЗ
Модель
Не выбрано
ПТ4-30 (2013)
Тонар-4525 (2013)
Тонар-6428 (до 01.2013)
Тонар-9523 (2010)
Тонар-9523 (вариант) (до 01.2013)
Тонар-9523 (вариант) (с 01.2013)
Тонар-952302 (c 11.2014)
Тонар-95231 (2010)
Тонар-95234 (2012)
Тонар-95234 (2013)
Тонар-95235 (2013)
Тонар-9746 (2012)
Тонар-97461 (2010)
Тонар-97461 (2013)
Тонар-97461 (с 01.2013)
Тонар-97461 (с 01.2013)
Схема
>
Не выбрано
Подвеска кабины
Кабина в сборе
Механизм подъёма кабины
Механизм замка кабины
Лобовое стекло
Облицовочная панель передняя боковая
Кронштейн подножкии крепление
Панель приборов
Накладки панели приборов
Комплекс приборов в сборе
Элементы панели приборов
Окно левой двери
Окно правой двери
Механизм двери
Подножка левой двери
Подножка правой двери
Элементы для обогрева и вентиляции
Отопительное оборудование
Воздухозаборное оборудование кабины
Стеклоочистители
Кронштейн стеклоочистителей
Водяной насос стеклоочистителей
Воздуховоды
Зеркало заднего вида с подогревом
Бампер дополнительный
Бампер и крепление
Заднее крыло кабины левое
Заднее крыло кабины правое
Крепление левого и правого крыльев
Крыло левое
Крыло правое
Выхлопная система
Воздушный фильтр
Воздушный фильтр
Регулятор воздушного фильтра
Расширительный бачок
Радиатор в сборе
Корпус сцепления
Диафрагма сцепления
Сцепление в сборе
Механизм привода сцепления
Клапан управления механизмом сцепления
Коробка переключения передач
Первичный вал в сборе
Вторичный вал в сборе
Промежуточный вал в сборе
Вал передачи заднего хода
Сервоусилитель в сборе
Вал делителя
Левый и правый вал делителя
Шестерня привода делителя
Механизм переключения передач
Механизм переключения передач
Задняя крышка в сборе
Рама в сборе
Установка передней подвески
Поперечная рулевая тяга
Установка задней подвески
Мост передний с рессорами
Передний мост
Мост средний с рессорами
Кожух среднего моста
Средний мост
Редуктор среднего моста
Мост задний с рессорами
Кожух заднего моста
Дифференциал заднего моста
Рулевая колонка
Шины и колеса
Гидроусилитель рулевого управления
Бачок в сборе
Пневмосистема
Тормоз заднего колеса
Тормоз переднего колеса
Карданный вал
Передние противотуманные фары
Передние фары
Ящик аккумуляторных батарей
Электропроводка
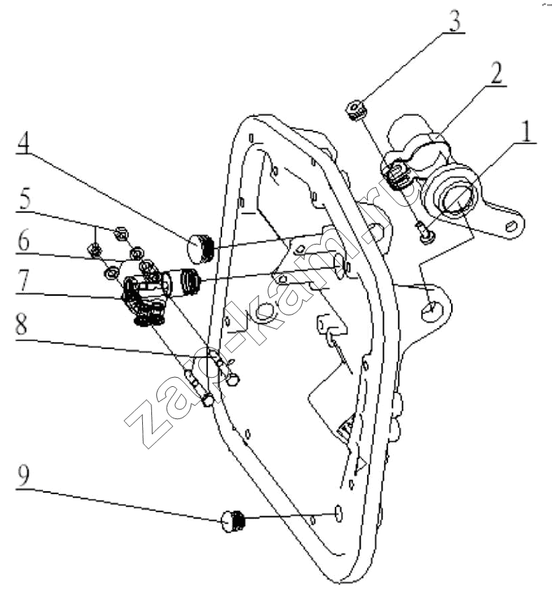
1
2
3
4
5
6
7
8
9
Поз.
Артикул
Название детали
Кол-во
1
Q2140625
Винт
1;
2
81.97640.0227
Пружинный хомут
1;
3
81.90685.0276
Гайка
1;
4
81.96002.0130
Пробка
1;
5
Q33206
Стопорная гайка
2;
6
Q40106
Шайба
2;
7
81.52170.6156
Клапан
1;
8
Q150В0645
Болт
2;
9
81.96002.0131
Пробка
4;
Содержащиеся в справочниках-каталогах запасные части и детали не предлагаются к продаже, а носят исключительно информационный характер
Дополнительная информация
×
Название:
Номер:
Примечание:
Войти
Имя пользователя
Пароль
Забыли пароль?
Запомнить меня
Войти
Поиск товаров
Поиск товаров
Корзина покупок