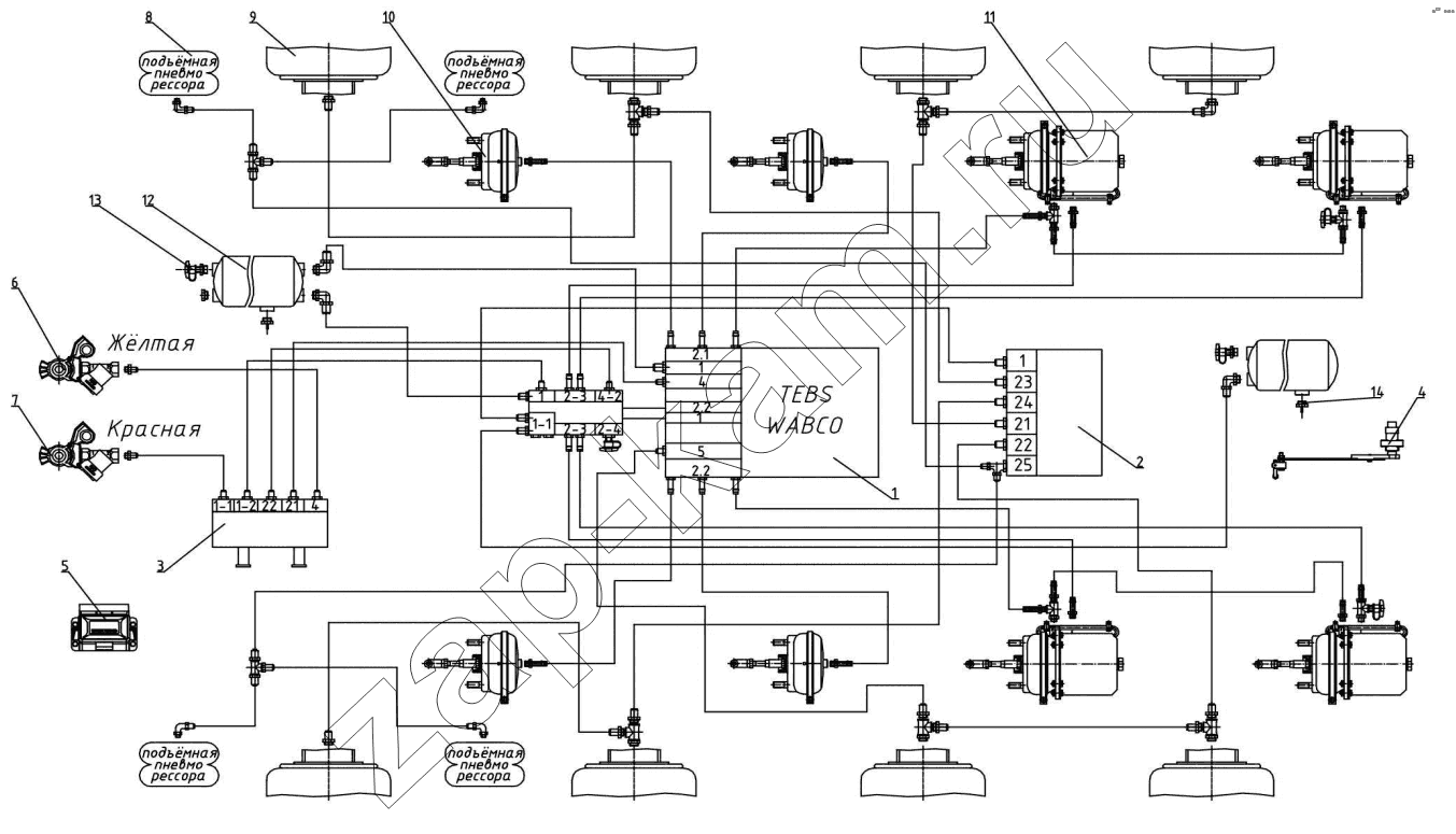
Схема пневматическая Wabco
/ Тонар-95234

1
2
3
4
5
6
7
8
9
10
11
12
13
14
Поз. | Артикул | Название детали | Кол-во | |
---|---|---|---|---|
1 | 1284000173 | Блок EBS-2S/2M 480 102 063 0 Wabco | 1; | |
2 | 1284000172 | Клапан управления подъемной осью 472 905 114 0 Wabco | 2; | |
3 | 1284000170 | Кран растормаживания прицепа 971 002 910 0 Wabco | 1; | |
4 | 1284000171 | Кран уровня пола 441 050 100 0 Wabco | 1; | |
5 | 1284000175 | Пульт управления Smart Board 446 192 110 0 Wabco | 1; | |
6 | 1284000107 | Головка с фильтром желтая | 1; | |
7 | 1284000108 | Головка с фильтром красная | 1; | |
8 | 4520000803 | Пневморессора | 4; | |
9 | 4520000813 | Пневморессора 3813 | 8; | |
10 | 5512300061 | Камера тормозная Т24 | 4; | |
11 | 5512300064 | Тормозная камера Т24/30 | 1; | |
12 | 9746-3513020 | Баллон воздушный | 2; | |
13 | 1284000152 | Клапан контрольного вывода | 1; | |
14 | 1284000160 | Клапан слива конденсата | 1; |
Содержащиеся в справочниках-каталогах запасные части и детали не предлагаются к продаже, а носят исключительно информационный характер