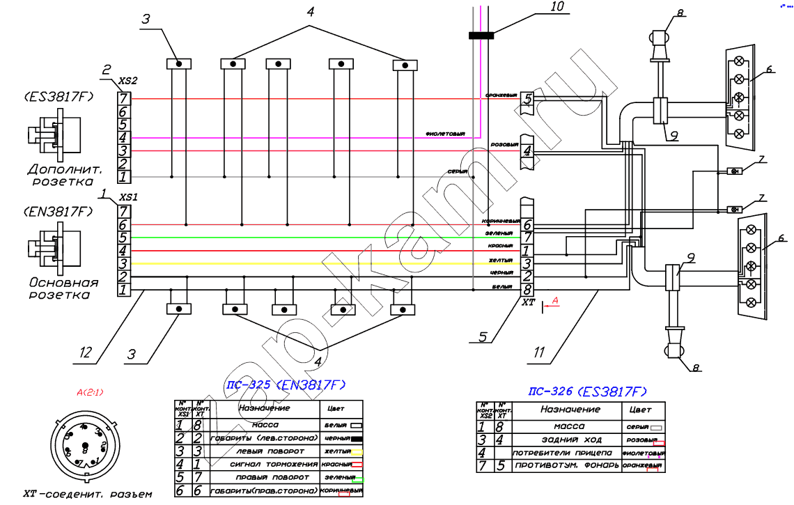
Схема принципиальная
/ Тонар-95234

1
2
3
3
4
4
5
6
6
7
7
8
8
9
9
11
12
Поз. | Артикул | Название детали | Кол-во | |
---|---|---|---|---|
1 | 3421313003 | Розетка ПС-325 EN3817F | ; | |
2 | 3421313018 | Розетка ПС-326 EN3817F | ; | |
3 | 4573640533 | Передний габаритный фонарь ГФ1-15 | ; | |
4 | 4573640532 | Боковой габаритный фонарь ГФ1-25 | ; | |
5 | Разъём | Разъём соединительный | ; | |
6 | 4573641023 | Фонарь задний | ; | |
7 | 4573640999 | Фонарь освещения номерного знака | ; | |
8 | 4573641000 | Указатель габаритов | ; | |
9 | 1282000824 | Колодка семиконтактная | ; | |
10 | 9746 | Только для модели 9746 | ; | |
11 | 4524140025 | Жгут задних фонарей 9746-3724150 | ; | |
12 | 4524140027 | Жгут дорожный сигнализации 95231-3730100 | ; |
Содержащиеся в справочниках-каталогах запасные части и детали не предлагаются к продаже, а носят исключительно информационный характер