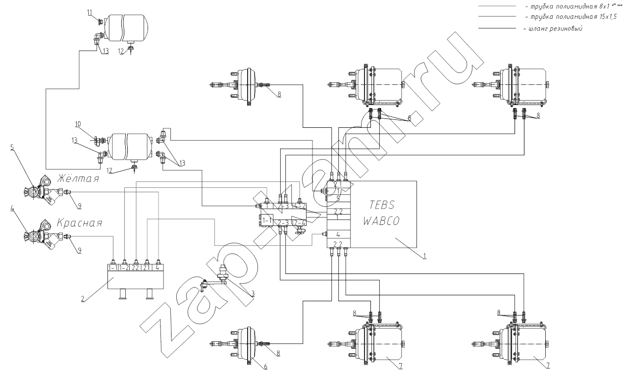
Схема пневматическая
/ Тонар-95235

1
2
3
4
5
6
7
7
8
8
8
8
8
8
9
9
10
11
12
12
13
13
13
Поз. | Артикул | Название детали | Кол-во | |
---|---|---|---|---|
1 | 1284000173 | Блок EBS-2S/2M 480 102 063 0 Wabco | 1; | |
2 | 4591191117 | Клапана растормаживания полуприцепа 971 002 900 0 | 1; | |
3 | 1284000392 | Кран уровня пола 464 006 102 0 | 1; | |
4 | 1284000108 | Головка с фильтром красная | 1; | |
5 | 1284000107 | Головка с фильтром желтая | 1; | |
6 | 5512300061 | Камера тормозная Т24 | 2; | |
7 | 5512300064 | Тормозная камера Т24/30 | 4; | |
8 | 1284000117 | Фитинг ёлочка | 10; | |
9 | 1284000190 | Фитинг М16х1,5 трубка 8x1 из блока EBS | 2; | |
10 | 1284000152 | Клапан контрольного вывода | 1; | |
11 | 1284000167 | Пробка М22х1,5 №26952212, SIRIT | 1; | |
12 | 1284000160 | Клапан слива конденсата | 2; | |
13 | 1284000168 | Фитинг-угольник 90 градусов | 2; |
Содержащиеся в справочниках-каталогах запасные части и детали не предлагаются к продаже, а носят исключительно информационный характер