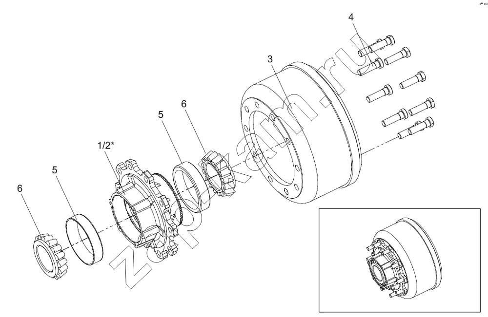
Барабан со ступицей в сборе
/ Тонар-97461

1
2
3
4
5
5
6
6
Поз. | Артикул | Название детали | Кол-во | |
---|---|---|---|---|
1 | 9042-3104015-10 | Ступица | 1; | |
2 | 9042-3104015 | Ступица | 1; | |
3 | 5320110101 | Барабан тормозной EKU 4056 | 1; | |
4 | 1282000015 | Болт колесный | 10; | |
5 | 4591257523 | Подшипник 7520А - кольцо наружнее из комплекта | 2; | |
6 | 4591257525 | Подшипник 7520А - без наружнего кольца | 2; |
Содержащиеся в справочниках-каталогах запасные части и детали не предлагаются к продаже, а носят исключительно информационный характер