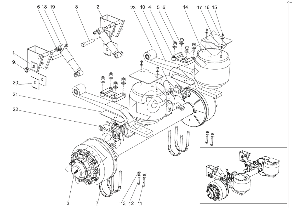
Ось с рессорами 9746-2410009
/ Тонар-97461

1
2
3
4
5
6
6
7
8
9
10
11
12
13
14
15
16
17
18
19
20
21
22
Поз. | Артикул | Название детали | Кол-во | |
---|---|---|---|---|
1 | 974623-2912440-10 | Кронштейн рессоры | 1; | |
2 | 974623-2912440-11 | Кронштейн рессоры | 1; | |
3 | 9042-2410011 | Ось с тормозами средняя | 1; | |
4 | 2312520187 | Накладка рессоры 9042-2912426-10 | 2; | |
5 | 1283001324 | Гайка М24хЗ тип BPW самоконтрящаяся | 8; | |
6 | 1283000129 | Шайба 24.03.019 ГОСТ 11371-78 | 12; | |
7 | 2312520190 | Стремянка 1042-2912408-50 | 4; | |
8 | 4533169725 | Болт рессорный М30хЗ,5 9746-2912478 | 2; | |
9 | 1283001236 | Гайка болта М30хЗ,5 | 2; | |
10 | 4533169709 | Рессора ALS 31 2305-TN | 2; | |
11 | 1282001670 | Болт М16х70-6д ГОСТ 7805-70 | 4; | |
12 | 1286010016 | Шайба 16 | 4; | |
13 | 1286020116 | Шайба 16Т ГОСТ 6402-70 | 4; | |
14 | 4533169707 | Пневморессора MD1881K | 2; | |
15 | 1283000112 | Гайка М12 самостопорящаяся | 4; | |
16 | 1286010012 | Шайба 12 | 4; | |
17 | 9523-2912541-10 | Пластина | 2; | |
18 | 4542054238 | Амортизатор П 50.1.2905005 (ПААЗ) | 2; | |
19 | 1282000622 | Гайка М20 самоконтрящаяся | 4; | |
20 | 9746-2922102-10 | Вкладыш | 4; | |
21 | 9746-2922171 | Пластина | 2; | |
22 | 2312520188 | Подкладка рессоры 9042-2912412-10 | 2; |
Содержащиеся в справочниках-каталогах запасные части и детали не предлагаются к продаже, а носят исключительно информационный характер