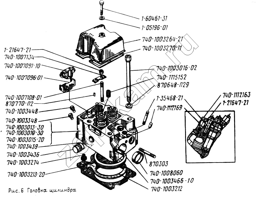
Головка цилиндра
/ УралАЗ УРАЛ-43202

740-1003448
1-60461-31
740-1115152
740-1008060
740-1007108-01
870770-П2
1-21647-21
1-21647-21
1-05196-01
870648-П29
1-35468-21
870303
740-1003015-20
740-1003436
740-1007134
740-1007096-01
740-1003016-02
740-1003348
740-1003010-30
740-1112169
740-1007091-10
740-1112163
740-1003213-20
740-1003270-11
740-1003112
740-1003264-21
740-1003466-10
740-1003439
740-1003214
740-1003013-30
Поз. | Артикул | Название детали | Кол-во | |
---|---|---|---|---|
740-1003448 | 740-1003448 | Ввертыш | ||
1-60461-31 | 1-60461-31 | Болт М8-6gх100 | ||
740-1115152 | 740-1115152 | Ввертыш М16х1,5 | ||
740-1008060 | 740-1008060 | Втулка предохранительная | ||
740-1007108-01 | 740-1007108-01 | Шпилька | ||
870770-П2 | 870770-П2 | Штифт 6х16 | ||
1-21647-21 | 1-21647-21 | Гайка М10х1,25 | ||
1-05196-01 | 1-05196-01 | Шайба 8 | ||
870648-П29 | 870648-П29 | Шайба 18 | ||
1-35468-21 | 1-35468-21 | Шпилька М10х1,25х45 | ||
870303 | 870303 | Шпилька М10х1,25х52 | ||
740-1003015-20 | 740-1003015-20 | Головка цилиндра | ||
740-1003436 | 740-1003436 | Пробка | ||
740-1007134 | 740-1007134 | Шайба стопорная | ||
740-1007096-01 | 740-1007096-01 | Фиксатор коромысел | ||
740-1003016-02 | 740-1003016-02 | Болт крепления головки цилиндров | 32 | |
740-1003348 | 740-1003348 | Ввертыш | ||
740-1003010-30 | 740-1003010-30 | Головка цилиндра с клапанами в сборе | ||
740-1112169 | 740-1112169 | Опора скобы | ||
740-1007091-10 | 740-1007091-10 | Стойка коромысла | 8 | |
740-1112163 | 740-1112163 | Скоба крепления форсунки | 16 | |
740-1003213-20 | 740-1003213-20 | Прокладка уплотнительная головки цилиндра | 8 | |
740-1003213-11 | 740-1003213-11 | Прокладка уплотнительная головки цилиндра | 8 | |
740-1003270-11 | 740-1003270-11 | Прокладка крышки головки цилиндра | 8 | |
740-1003112 | 740-1003112 | Прокладка головки цилиндра | 8 | |
740-1003264-21 | 740-1003264-21 | Крышка головки цилиндра | 8 | |
740-1003466-10 | 740-1003466-10 | Кольцо уплотнительное газового стыка | 8 | |
740-1003439 | 740-1003439 | Кольцо уплотнительное | 16 | |
740-1003214 | 740-1003214 | Кольцо уплотнительное | 24 | |
740-1003013-30 | 740-1003013-30 | Головка цилиндров | 8 |
Содержащиеся в справочниках-каталогах запасные части и детали не предлагаются к продаже, а носят исключительно информационный характер