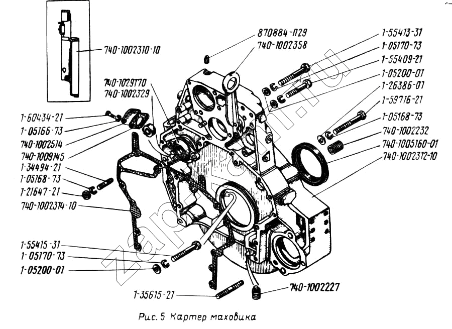
Картер маховика
/ УралАЗ УРАЛ-43202

740-1002329
1-55413-31
1-55409-21
1-26386-01
1-59716-21
1-60434-21
1-05166-73
1-34494-21
1-05168-73
1-05168-73
1-21647-21
1-55415-31
1-05170-73
1-05170-73
1-05200-01
1-05200-01
1-35615-21
740-1002314-10
740-1002227
740-1009145
740-1002514
740-1002358
870884-П29
740-1002232
740-1002312-10
740-1005160-01
740-1029170
740-1002310-10
Поз. | Артикул | Название детали | Кол-во | |
---|---|---|---|---|
740-1002329 | 740-1002329 | Вставка картера маховика | ||
1-55413-31 | 1-55413-31 | Болт М12х1,25х75 | ||
1-55409-21 | 1-55409-21 | Болт М12х1,25х55 | ||
1-26386-01 | 1-26386-01 | Шайба 10 | ||
1-59716-21 | 1-59716-21 | Болт М10х1,25х90 | ||
1-60434-21 | 1-60434-21 | Болт М8х20 | ||
1-05166-73 | 1-05166-73 | Шайба 8 пружинная | ||
1-34494-21 | 1-34494-21 | Шпилька М10х1,25х22 | ||
1-05168-73 | 1-05168-73 | Шайба 10 пружинная | ||
1-21647-21 | 1-21647-21 | Гайка М10х1,25 | ||
1-55415-31 | 1-55415-31 | Болт М12х1,25х90 | ||
1-05170-73 | 1-05170-73 | Шайба 12 пружинная | ||
1-05200-01 | 1-05200-01 | Шайба 12 | ||
1-35615-21 | 1-35615-21 | Шпилька М16х1,5х32х40 | ||
740-1009010-20 | 740-1009010-20 | Картер масляный | 1 | |
740-1002314-10 | 740-1002314-10 | Прокладка | ||
740-1002227 | 740-1002227 | Ввертыш М14х1,5-М8 | ||
740-1009145 | 740-1009145 | Прокладка заглушки | ||
740-1002514 | 740-1002514 | Заглушка отверстия под маслоналивную горловину | ||
740-1002358 | 740-1002358 | Рым задний | ||
870884-П29 | 870884-П29 | Пробка КГ1/8 | ||
740-1002232 | 740-1002232 | Ввертыш М18х1,5-М12х1,25 | ||
740-1002312-10 | 740-1002312-10 | Картер маховика | ||
740-1009040-10 | 740-1009040-10 | Прокладка картера масляного | 1 | |
740-1005160-01 | 740-1005160-01 | Манжета коленчатого вала | 1 | |
740-1029170 | 740-1029170 | Корпус переднего подшипника | 1 | |
740-1002310-10 | 740-1002310-10 | Картер маховика | 1 |
Содержащиеся в справочниках-каталогах запасные части и детали не предлагаются к продаже, а носят исключительно информационный характер