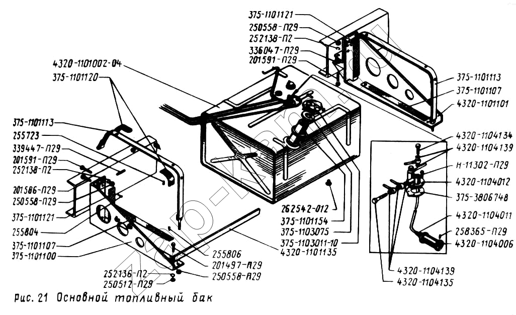
Основной топливный бак
/ УралАЗ УРАЛ-43202

4320-1104012
250558-П29
250558-П29
250558-П29
201586-П29
252138-П2
252138-П2
201591-П29
201591-П29
339447-П29
255723
4320-1104006
4320-1104011
375-3806748
255804
4320-1101101
4320-1101135
375-1103011-10
375-1101121
375-1101121
375-1101100
375-1101107
375-1101107
375-1101120
375-1101154
353-1101113
353-1101113
4320-1104134
4320-1104135
375-1103075
4320-1104139
4320-1104139
4320-1101002-04
258365-П29
Н-11302-П29
262542-012
336047-П29
201497-П29
255806
250512-П29
252136-П2
Поз. | Артикул | Название детали | Кол-во | |
---|---|---|---|---|
4320-1104012 | 4320-1104012 | Трубка топливного бака приемная в сборе | ||
250558-П29 | 250558-П29 | Гайка М14-6Н | ||
201586-П29 | 201586-П29 | Болт М14-6gх32 | ||
252138-П2 | 252138-П2 | Шайба 14 пружинная | ||
201591-П29 | 201591-П29 | Болт М14-6gх45 | ||
339447-П29 | 339447-П29 | Палец 10х64 | ||
255723 | 255723 | Заклепка 4х9.01 | ||
4320-1104006 | 4320-1104006 | Сетка фильтра в сборе | ||
4320-1104011 | 4320-1104011 | Пружина фильтра | ||
375-3806748 | 375-3806748 | Прокладка датчика уплотнительная | ||
255804 | 255804 | Заклепка 6х12 | ||
4320-1101101 | 4320-1101101 | Кронштейн задний с упором в сборе | ||
4320-1101135 | 4320-1101135 | Угольник кронштейнов | ||
375-1103011-10 | 375-1103011-10 | Пробка в сборе | ||
375-1101121 | 375-1101121 | Прокладка крепления основного топливного бака короткая | ||
375-1101100 | 375-1101100 | Кронштейн крепления основного топливного бака передний в сборе | ||
375-1101107 | 375-1101107 | Прокладка крепления основного топливного бака длинная | ||
375-1101120 | 375-1101120 | Прокладка хомута | ||
375-1101154 | 375-1101154 | Стакан с фильтром в сборе | ||
353-1101113 | 353-1101113 | Хомут дополнительного топливного бака с прокладкой и стяжным болтом в сборе | ||
4320-1109220 | 4320-1109220 | Рукав | 2 | |
432001-1101002 | 432001-1101002 | Бак топливный в сборе | 1 | |
375-1102003 | 375-1102003 | Бак топливный дополнительный в сборе. Устанавливается только на УРАЛ-4320 | 1 | |
4320-1104134 | 4320-1104134 | Болт топливопроводный длиной 30 мм | 5 | |
4320-1104135 | 4320-1104135 | Болт топливопроводный длиной 50 мм | 1 | |
740-1109553-10 | 740-1109553-10 | Кольцо уплотнительное крышки | 1 | |
375-1015162-10 | 375-1015162-10 | Пробка топливного бака | 2 | |
33-1106377 | 33-1106377 | Прокладка | 1 | |
375-1103075 | 375-1103075 | Прокладка пробки бензобака | 1 | |
4320-1104139 | 4320-1104139 | Прокладка уплотнительная | 12 | |
4320-1101002-04 | 4320-1101002-04 | Бак топливный в сборе | 1 | |
258365-П29 | 258365-П29 | Штифт 3х20 | ||
Н-11302-П29 | Н-11302-П29 | Болт М5-6gх13 | ||
262542-012 | 262542-012 | Пробка 1/4" | ||
336047-П29 | 336047-П29 | Шайба 17 | ||
201497-П29 | 201497-П29 | Болт М10-6gх25 | ||
255806 | 255806 | Заклепка 6х14 | ||
250512-П29 | 250512-П29 | Гайка М10 | ||
252136-П2 | 252136-П2 | Шайба 10 пружинная |
Содержащиеся в справочниках-каталогах запасные части и детали не предлагаются к продаже, а носят исключительно информационный характер