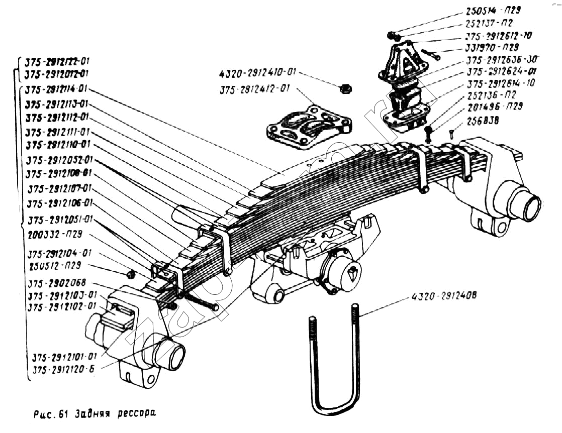
Задняя рессора
/ УралАЗ УРАЛ-43202

375-2912110-Б
375-2912120-Б
375-2912102-01
375-2912103-01
375-2902068
375-2912104-01
375-2912106-01
375-2912107-01
375-2912108-01
375-2912412-01
375-2912111-01
375-2912112-01
375-2912113-01
375-2912114-01
375-2912012-01
375-2912052-01
375-2912051-01
331970-П29
4320-2912410-01
375-2912101-01
375-2912122-01
4320-2912408
256838
201496-П29
252136-П2
375-2912624-01
252137-П2
250514-П29
250512-П29
200332-П29
375-2912614-10
375-2912636-30
375-2912612-10
Поз. | Артикул | Название детали | Кол-во | |
---|---|---|---|---|
375-2912110-Б | 375-2912110-Б | Лист № 10 задней рессоры | ||
375-2912120-Б | 375-2912120-Б | Лист отбойный | ||
375-2912102-01 | 375-2912102-01 | Лист № 2 задней рессоры | ||
375-2912103-01 | 375-2912103-01 | Лист № 3 задней рессоры | ||
375-2902068 | 375-2902068 | Трубка распорная хомутов | ||
375-2912104-01 | 375-2912104-01 | Лист № 4 задней рессоры | ||
375-2912106-01 | 375-2912106-01 | Лист № 6 задней рессоры | ||
375-2912107-01 | 375-2912107-01 | Лист № 7 задней рессоры | ||
375-2912108-01 | 375-2912108-01 | Лист № 8 задней рессоры | ||
375-2912412-01 | 375-2912412-01 | Накладка стремянок | ||
375-2912111-01 | 375-2912111-01 | Лист № 11 задней рессоры | ||
375-2912112-01 | 375-2912112-01 | Лист № 12 задней рессоры | ||
375-2912113-01 | 375-2912113-01 | Лист № 13 задней рессоры | ||
375-2912114-01 | 375-2912114-01 | Лист № 14 задней рессоры | ||
375-2912012-01 | 375-2912012-01 | Рессора задняя в сборе | ||
375-2912052-01 | 375-2912052-01 | Лист №9 с хомутами | ||
375-2912051-01 | 375-2912051-01 | Лист №5 с хомутами | ||
331970-П29 | 331970-П29 | Болт М12х40 | ||
334932-П29 | 334932-П29 | Гайка М22х2,5 | 8 | |
4320-2912410-01 | 4320-2912410-01 | Гайка стремянки М24х2 | 8 | |
375-2912101-01 | 375-2912101-01 | Лист 1 задней рессоры | 4 | |
375-2912122-01 | 375-2912122-01 | Рессора задняя со скобами в сборе | 2 | |
4320-2912408 | 4320-2912408 | Стремянка задней рессоры | 4 | |
256838 | 256838 | Заклепка 10х24 | ||
201496-П29 | 201496-П29 | Болт М10-6gх22 | ||
252136-П2 | 252136-П2 | Шайба 10 пружинная | ||
375-2912624-01 | 375-2912624-01 | Буфер задней подвески | 4 | |
252137-П2 | 252137-П2 | Шайба 12 пружинная | ||
250514-П29 | 250514-П29 | Гайка М12-6Н | ||
250512-П29 | 250512-П29 | Гайка М10 | ||
200332-П29 | 200332-П29 | Болт М10-6gх115 | ||
375-2912614-10 | 375-2912614-10 | Обойма буфера | ||
375-2912636-30 | 375-2912636-30 | Подкладка буфера | ||
375-2912612-10 | 375-2912612-10 | Кронштейн буфера задний |
Содержащиеся в справочниках-каталогах запасные части и детали не предлагаются к продаже, а носят исключительно информационный характер