ЗапКам
zap-kam16@yandex.ru
(900) 323-41-41
Вход / Регистрация отключена
Вход
Избранное
0
по запросу
Каталог
Все товары и категории
Запчасти КАМАЗ
Двигатель
Двигатели в сборе
Евро-0
КамАЗ-4310
Урал-4320
КамАЗ-4350
Евро-1
КамАЗ-43114
Евро-2
КамАЗ-43118
КамАЗ-65115
КамАЗ-6520
Евро-3
Евро-4
Евро-5
Газовые
Блоки цилиндров
Блоки цилиндров Евро-0 КамАЗ
Блоки цилиндров Евро-1 КамАЗ
Блоки цилиндров Евро-2 КамАЗ
Блоки цилиндров Евро-3 КамАЗ
Блоки цилиндров Евро-4,5 КамАЗ Common Rail
Сборочные комплекты (лонг-, шорт-блоки)
Блоки управления
Валы коленчатые
Коленвалы Евро-0 КамАЗ
Коленвалы Евро-1 КамАЗ
Коленвалы Евро-2 КамАЗ
Коленвалы Евро-3 КамАЗ
Коленвалы Евро-4,5 КамАЗ Common Rail
Вкладыши коренные
Евро-3,4,5
Евро-0,1,2
Вкладыши шатунные
Евро-3,4,5
Евро-0,1,2
Валы распредительные
ЦПГ – поршневая
Поршневая Евро-4,-5 (740.602)
Поршневая Евро-2,-3 (740.60)
Поршневая Евро-1,-2 (740.30)
Поршневая Евро-0,1 (740)
Кольца поршневые
ТНВД
Евро-4-5 Common Rail
Евро-3
Евро-2
Евро-1
Евро-0
Система питания
Форсунки топливные
Распылители форсунок
Топливозаборники
ГБЦ
Евро-3,4,5 Common Rail
Евро-1,2,3
Евро-0
Газ
Турбокомпрессоры
ТРК Евро-4,5 (однотурбовые)
Евро-4
Евро-3
Евро-2
Евро-1
Насос водяной
Насос масляный
Маховики
Коробка передач
КПП в сборе
Валы
Валы вторичные
Валы первичные
Валы промежуточные
Шестерни
Синхронизаторы
Делители в сборе
Коробка раздаточная
РК в сборе
РК 6522
Дифференциалы
Валы
Валы первичные
Валы промежуточные
Вилки
Шестерни
Механизмы переключения
Трансмиссия
Мосты
Редукторы в сборе
Заднего моста
Переднего моста
Среднего моста
Зубьев
31, 35
50
49
48
47
46
КамАЗ
4310
43114
43118
4326
5320
53205
65115
43253
53229
6520
6522
4308
65111
65116
65117
55102
55111
53212
53215
54115
5410
5511
Мосты в сборе
Передние
Средние
Задние
6520, 6522 (20т)
65115 (15т)
65111 (15т)
43118 (10т)
43114 / 4310 (8т)
53205 Евро (10т)
5320 (8т)
5511 (10т)
МОД
Мадара
Подвеска в сборе
Ось передняя
Ось в сборе
Ходовая часть
Подвеска (тележка) в сборе
Колеса и шины
Рама
Рессоры
Лебедка
Механизмы управления
Отопление и вентиляция
Система выпуска
Сцепление
Тормоза
Кабина
Управление рулевое
Электрооборудование
Автомобили
КАМАЗ 5490
Двигатель 457
Двигатели в сборе
Сцепление
Кабина
Кузов
Мосты
Рама
Система выпуска
Тормоза
Управление рулевое
Ходовая часть
КАМАЗ К5
Двигатели WeiChai
Двигатели в сборе
Двигатели Р6
Двигатели 910 Р6 в сборе
Кабина
Сцепление
Тормоза
Управление рулевое
Электрооборудование
ZF
КПП ZF в сборе
16S EcoSplit
КПП 16s 1820 TO
КПП 16S 2220
9S Ecomid
12AS Astronic
12TX Traxon
Запчасти 12tx Traxon
Cummins
Двигатели в сборе
Блоки цилиндров
Коленвалы
Головки блока
Генератор
Китайские грузовики
Shaanxi HanDe
Fast Gear
Sitrak
Weichai
FAW
Laizhou Tongji
Европейские грузовики
Mercedes
Электрооборудование
Блоки управления
Блоки управления ADM
Блоки управления CPC4
Блоки управления двигателем
Блоки управления электрооборудованием
Датчики
Стартеры
Карданная передача
Карданы КамАЗ
Коробки отбора мощности
Прицепная техника
ССУ (Седла)
Ремонт
Ремонт двигателей
Ремонт КПП Камаз и ZF
Ремонт раздаток и редукторов
Ремонт кабин
Услуги
Комплектация заявок
Скупка запчастей и агрегатов
Контакты
Отправить заявку
Каталоги запчастей к технике
Грузовые
УралАЗ
УРАЛ-43204-1111-70
Рулевое управление
Поиск
Рулевое управление
/ УралАЗ УРАЛ-43204-1111-70
zoom-in
zoom-out
enlarge
shrink
circle-right
circle-left
file-text2
info
cart
Тип техники
Не выбрано
Грузовые
Двигатели
Марка
Не выбрано
DAF
DongFeng
FAW
Foton
HOWO
IVECO
JAC Motors
MAN
Shaanxi
SITRAK
Volvo
Автокомпонент Плюс
ЗИЛ
КАЗ
КамАЗ
Мадара
НефАЗ
СЗАП
Тонар
УралАЗ
Модель
Не выбрано
4320-0006982-74 (NEXT) (2017)
УРАЛ-375
УРАЛ-4320
УРАЛ-4320 (1981)
УРАЛ-4320-0971-58 (2010)
УРАЛ-4320-1151-59 (2010)
УРАЛ-4320-1951-58 (2010)
УРАЛ-4320-1958-70И (2012)
УРАЛ-4320-31
УРАЛ-4320-31
УРАЛ-4320-41
УРАЛ-4320-60 (2013)
УРАЛ-4320-61 (2013)
УРАЛ-4320-6951-74 (2015)
УРАЛ-4320-80М/82М (2015)
УРАЛ-43202
УРАЛ-43203-10
УРАЛ-43204-1111-70 (2012)
УРАЛ-43204-1153-70 (2012)
УРАЛ-43206-41
УРАЛ-4420 (1981)
УРАЛ-44202-0511-58 (2010)
УРАЛ-44202-3511-80 (2012)
УРАЛ-44202-3511-80 (2013)
УРАЛ-44202-3511-80М (2015)
УРАЛ-532301
УРАЛ-532361 (2015)
УРАЛ-5557
УРАЛ-5557-31 (2010)
УРАЛ-5557-40
УРАЛ-55571-1121-70 (2011)
УРАЛ-55571-30 (2010)
УРАЛ-55571-40 (2010)
УРАЛ-63674
УРАЛ-63685
УРАЛ-6370-1121 (2011)
УРАЛ-6370-1151 (2011)
УРАЛ-63704 (2011)
Схема
>
Не выбрано
Подвеска двигателя передняя
Подвеска двигателя задняя
Установка агрегатов системы предпускового подогрева двигателя
Трубопроводы и шланги системы предпускового подогрева двигателя Вариант 1
Трубопроводы и шланги системы предпускового подогрева двигателя Вариант 2
Топливный бак
Топливный бак
Трубопроводы и шланги системы питания
Установка фильтра грубой очистки топлива
Установка педали акселератора
Система питания двигателя воздухом
Установка воздушного фильтра
Система выпуска газов
Система охлаждения
Установка расширительного бачка
Привод педалей сцепления и тормоза
Установка пневмопривода выключения сцепления
Установка бачка привода сцепления
Установка рычага переключения передач
Картер и подвеска раздаточной коробки
Первичный вал раздаточной коробки
Промежуточный вал раздаточной коробки и привод спидометра
Вал привода переднего моста и дифференциал раздаточной коробки
Вал привода заднего моста раздаточной коробки
Управление и механизм переключения раздаточной коробки
Установка управления раздаточной коробкой
Блок электроклапанов КЭБ-420
Блок электроклапанов КЭМ 10Д
Карданная передача
Картер переднего моста
Передний мост
Дифференциал переднего моста
Картер заднего (среднего) моста
Редуктор главной передачи
Проходной вал редуктора главной передачи
Дифференциал и полуоси среднего и заднего моста
Рама
Рама
Передний буфер и буксирные крюки
Передняя подвеска
Передняя рессора
Передняя рессора
Задняя подвеска
Задняя подвеска
Задняя рессора
Задняя рессора
Ось балансира задней подвески в сборе с кронштейнами и балансиром
Реактивная штанга
Колесо и шина
Кран колесный
Ступица колеса и тормозной барабан переднего и заднего моста (с АБС)
Ступица колеса и тормозной барабан среднего моста (без АБС)
Система регулирования давления воздуха в шинах (с электроклапанами)
Установка электромагнитного клапана системы накачки шин
Вертикальный держатель запасного колеса
Редуктор подъема запасного колеса
Рулевое управление
Установка рулевого механизма
Механизм рулевой
Колесо и вал рулевого управления
Усилительный механизм
Масляный бак
Тяга сошки рулевого управления
Распределитель гидроусилителя
Рабочий тормоз переднего и заднего мостов
Рабочий тормоз среднего моста
Стояночный тормоз
Пневмопривод стояночного тормоза
Камера тормозная
Установка агрегатов пневмогидравлического привода рабочих тормозов
Трубопроводы и шланги пневмогидравлического привода рабочих тормозов
Крепление трубопроводов и шлангов пневмогидравлического привода рабочих тормозов
Установка пневмогидравлических усилителей тормозов
Установка воздушных баллонов
Установка крестовины разбора воздуха
Установка крана тормозного
Установка клапана прицепа
Установка клапана контрольного вывода
Установка адсорбера и 4-х контурного защитного клапана
Установка баллона адсорбера и влагомаслоотделителя
Установка соединительных головок
Установка фар, фонарей знака автопоезда, габаритных и указателей поворота
Установка замка зажигания
Установка электрического сигнала
Установка контейнера аккумуляторных батарей
Установка задних осветительных приборов
Панель приборов
Щитки выключателей и блоки предохранителей
Панель приборов
Щитки выключателей и блоки предохранителей
Перечень электрооборудования
Кабина в сборе
Уплотнители рычагов и коврики пола кабины
Стеклоочиститель и его привод
Омыватель ветрового стекла
Двери кабины
Стеклоподъемник
Замок двери
Ручки двери
Сиденья водителя и пассажиров
Вентиляция и отопление кабины
Установка трубопроводов и крана отопителя кабины
Облицовка радиатора
Оперение кабины
Установка правой и левой подножек
Установка брызговиков задних колес
Система регулирования давления воздуха в шинах
Установка крана управления давлением
Установка сцепного устройства
Установка буксирного прибора
Установка заднего защитного устройства
Установка боковых защитных устройств
Установка боковых защитных устройств
Коробка дополнительного отбора мощности
Установка инструментального ящика
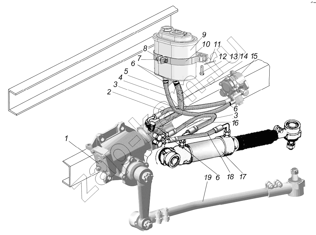
1
2
3
3
4
5
6
6
6
7
8
9
10
11
12
13
14
15
16
17
18
19
Поз.
Артикул
Название детали
4320-1958-70И
43204-1111-70
43204-1153-70
1
4320П2-3400020
Механизм рулевого управления
1
1
1
2
5557Я2-3408679-01
Шланг высокого давления
1
1
1
3
25314
Хомут кабельный
2
2
2
4
4320Я5-3408727
Рукав 22х32-1,47
1
1
1
5
5557Я-3408728
Броня шланга
2
2
2
6
00.10.00-02
Хомут червячный (20-32)
4
4
4
7
200269-П29
Болт М8-6gх50
1
1
1
8
63685-3410304
Лента хомута
1
1
1
9
4320-3410010
Бак масляный в сборе
1
1
1
10
63685-3410305
Лента хомута
1
1
1
11
258011-П29
Шплинт 2х10
2
2
2
12
260022-П52
Палец 6х45
2
2
2
13
4320Я-1013105
Рукав 16х25-1,6 L=710
1
1
1
14
4320-3408673
Броня шланга
2
2
2
15
Насос
Насос
1
1
1
16
4320Я2-3408679-01
Шланг высокого давления
1
1
1
17
5557Я2-3405012-10
Механизм усилительный рулевого управления
1
1
1
18
4320Х-3408678
Шланг высокого давления
1
1
1
19
5557Я-3414010-10
Тяга сошки рулевого управления в сборе
1
1
1
Содержащиеся в справочниках-каталогах запасные части и детали не предлагаются к продаже, а носят исключительно информационный характер
Дополнительная информация
×
Название:
Номер:
Примечание:
Войти
Имя пользователя
Пароль
Забыли пароль?
Запомнить меня
Войти
Поиск товаров
Поиск товаров
Корзина покупок