Усилительный механизм
/ УралАЗ УРАЛ-4320-0971-58

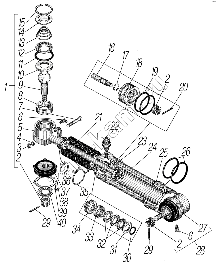
1
2
2
2
3
4
5
6
6
7
8
9
10
11
12
13
14
15
16
17
18
19
20
21
22
23
24
25
26
27
28
29
29
30
31
32
33
34
35
36
37
38
39
40
Поз. | Артикул | Название детали | 4320-0971-58 | 4320-1151-59 | 4320-1951-58 | 44202-0511-58 | |
---|---|---|---|---|---|---|---|
1 | 4320-3405060-10 | Наконечник штока в сборе | 1 | 1 | 1 | 1 | |
2 | 334933-П29 | Гайка М22х1,5 | 3 | 3 | 3 | 3 | |
3 | 250558-П29 | Гайка М14-6Н | 1 | 1 | 1 | 1 | |
4 | 252138-П2 | Шайба 14 пружинная | 1 | 1 | 1 | 1 | |
5 | 5323-3405061 | Наконечник штока | 1 | 1 | 1 | 1 | |
6 | 264040-П29 | Масленка 2.3.90.01 в сборе | 2 | 2 | 2 | 2 | |
7 | 201593-П29 | Болт М14-6gх50 | 1 | 1 | 1 | 1 | |
8 | 375-3003058-10 | Вкладыш верхний | 2 | 2 | 2 | 2 | |
9 | 4320-3414065 | Палец | 2 | 2 | 2 | 2 | |
10 | 375-3003059 | Вкладыш нижний | 2 | 2 | 2 | 2 | |
11 | 4320-3414127-01 | Уплотнитель | 2 | 2 | 2 | 2 | |
12 | 4320-3414085 | Обойма пружины | 2 | 2 | 2 | 2 | |
13 | 375-3003128 | Пружина | 2 | 2 | 2 | 2 | |
14 | 375-3003129 | Заглушка | 2 | 2 | 2 | 2 | |
15 | 375-3003122 | Кольцо стопорное | 2 | 2 | 2 | 2 | |
16 | 4320-3405046 | Шток | 1 | 1 | 1 | 1 | |
17 | 375-3405041 | Полукольцо штока | 2 | 2 | 2 | 2 | |
18 | 375-3405037-01 | Поршень | 1 | 1 | 1 | 1 | |
19 | 060-070-58-2-2 | Кольцо уплотнительное | 2 | 2 | 2 | 2 | |
20 | 258053-П29 | Шплинт 4х25 | 1 | 1 | 1 | 1 | |
21 | 375-3405051-01 | Муфта защитная штока | 1 | 1 | 1 | 1 | |
22 | 375-3407603-Б | Штуцер | 2 | 2 | 2 | 2 | |
23 | 4320-3405028 | Шток с поршнем в сборе | 1 | 1 | 1 | 1 | |
24 | 375-3405013 | Цилиндр гидроусилителя с крышкой и втулкой в сборе | 1 | 1 | 1 | 1 | |
25 | 375-3405081 | Гайка наконечника | 1 | 1 | 1 | 1 | |
26 | 375-3405084 | Кольцо уплотнительное | 2 | 2 | 2 | 2 | |
27 | 4322-3405076 | Наконечник цилиндра | 1 | 1 | 1 | 1 | |
28 | 4320-3405075-10 | Наконечник цилиндра в сборе | 1 | 1 | 1 | 1 | |
29 | 258054-П29 | Шплинт 4х32 | 2 | 2 | 2 | 2 | |
30 | 022-028-36-2-2 | Кольцо уплотнительное | 1 | 1 | 1 | 1 | |
31 | КО-22х42-2 | Кольцо опорное КО-22х42-2 | 1 | 1 | 1 | 1 | |
32 | М22х42-2 | Манжета М22х42-2 | 3 | 3 | 3 | 3 | |
33 | 375-3405050 | Кольцо нажимное в сборе | 1 | 1 | 1 | 1 | |
34 | 335058-П29 | Гайка М45х1,5 | 1 | 1 | 1 | 1 | |
35 | 339946-П2 | Хомут | 1 | 1 | 1 | 1 | |
36 | 339945-П2 | Хомут | 1 | 1 | 1 | 1 | |
37 | 4320-3414076-01 | Муфта защитная в сборе | 2 | 2 | 2 | 2 | |
38 | 4320-3414078 | Накладка муфты | 2 | 2 | 2 | 2 | |
39 | 4320-3414081 | Винт М8х12 | 8 | 8 | 8 | 8 | |
40 | 4320-3414095 | Шайба | 2 | 2 | 2 | 2 |
Содержащиеся в справочниках-каталогах запасные части и детали не предлагаются к продаже, а носят исключительно информационный характер