ЗапКам
zap-kam16@yandex.ru
(900) 323-41-41
Вход / Регистрация отключена
Вход
Избранное
0
по запросу
Каталог
Все товары и категории
Запчасти КАМАЗ
Двигатель
Двигатели в сборе
Евро-0
КамАЗ-4310
Урал-4320
КамАЗ-4350
Евро-1
КамАЗ-43114
Евро-2
КамАЗ-43118
КамАЗ-65115
КамАЗ-6520
Евро-3
Евро-4
Евро-5
Газовые
Блоки цилиндров
Блоки цилиндров Евро-0 КамАЗ
Блоки цилиндров Евро-1 КамАЗ
Блоки цилиндров Евро-2 КамАЗ
Блоки цилиндров Евро-3 КамАЗ
Блоки цилиндров Евро-4,5 КамАЗ Common Rail
Сборочные комплекты (лонг-, шорт-блоки)
Блоки управления
Валы коленчатые
Коленвалы Евро-0 КамАЗ
Коленвалы Евро-1 КамАЗ
Коленвалы Евро-2 КамАЗ
Коленвалы Евро-3 КамАЗ
Коленвалы Евро-4,5 КамАЗ Common Rail
Вкладыши коренные
Евро-3,4,5
Евро-0,1,2
Вкладыши шатунные
Евро-3,4,5
Евро-0,1,2
Валы распредительные
ЦПГ – поршневая
Поршневая Евро-4,-5 (740.602)
Поршневая Евро-2,-3 (740.60)
Поршневая Евро-1,-2 (740.30)
Поршневая Евро-0,1 (740)
Кольца поршневые
ТНВД
Евро-4-5 Common Rail
Евро-3
Евро-2
Евро-1
Евро-0
Система питания
Форсунки топливные
Распылители форсунок
Топливозаборники
ГБЦ
Евро-3,4,5 Common Rail
Евро-1,2,3
Евро-0
Газ
Турбокомпрессоры
ТРК Евро-4,5 (однотурбовые)
Евро-4
Евро-3
Евро-2
Евро-1
Насос водяной
Насос масляный
Маховики
Коробка передач
КПП в сборе
Валы
Валы вторичные
Валы первичные
Валы промежуточные
Шестерни
Синхронизаторы
Делители в сборе
Коробка раздаточная
РК в сборе
РК 6522
Дифференциалы
Валы
Валы первичные
Валы промежуточные
Вилки
Шестерни
Механизмы переключения
Трансмиссия
Мосты
Редукторы в сборе
Заднего моста
Переднего моста
Среднего моста
Зубьев
31, 35
50
49
48
47
46
КамАЗ
4310
43114
43118
4326
5320
53205
65115
43253
53229
6520
6522
4308
65111
65116
65117
55102
55111
53212
53215
54115
5410
5511
Мосты в сборе
Передние
Средние
Задние
6520, 6522 (20т)
65115 (15т)
65111 (15т)
43118 (10т)
43114 / 4310 (8т)
53205 Евро (10т)
5320 (8т)
5511 (10т)
МОД
Мадара
Подвеска в сборе
Ось передняя
Ось в сборе
Ходовая часть
Подвеска (тележка) в сборе
Колеса и шины
Рама
Рессоры
Лебедка
Механизмы управления
Отопление и вентиляция
Система выпуска
Сцепление
Тормоза
Кабина
Управление рулевое
Электрооборудование
Автомобили
КАМАЗ 5490
Двигатель 457
Двигатели в сборе
Сцепление
Кабина
Кузов
Мосты
Рама
Система выпуска
Тормоза
Управление рулевое
Ходовая часть
КАМАЗ К5
Двигатели WeiChai
Двигатели в сборе
Двигатели Р6
Двигатели 910 Р6 в сборе
Кабина
Сцепление
Тормоза
Управление рулевое
Электрооборудование
ZF
КПП ZF в сборе
16S EcoSplit
КПП 16s 1820 TO
КПП 16S 2220
9S Ecomid
12AS Astronic
12TX Traxon
Запчасти 12tx Traxon
Cummins
Двигатели в сборе
Блоки цилиндров
Коленвалы
Головки блока
Генератор
Китайские грузовики
Shaanxi HanDe
Fast Gear
Sitrak
Weichai
FAW
Laizhou Tongji
Европейские грузовики
Mercedes
Электрооборудование
Блоки управления
Блоки управления ADM
Блоки управления CPC4
Блоки управления двигателем
Блоки управления электрооборудованием
Датчики
Стартеры
Карданная передача
Карданы КамАЗ
Коробки отбора мощности
Прицепная техника
ССУ (Седла)
Ремонт
Ремонт двигателей
Ремонт КПП Камаз и ZF
Ремонт раздаток и редукторов
Ремонт кабин
Услуги
Комплектация заявок
Скупка запчастей и агрегатов
Контакты
Отправить заявку
Каталоги запчастей к технике
Грузовые
УралАЗ
УРАЛ-4320-0971-58
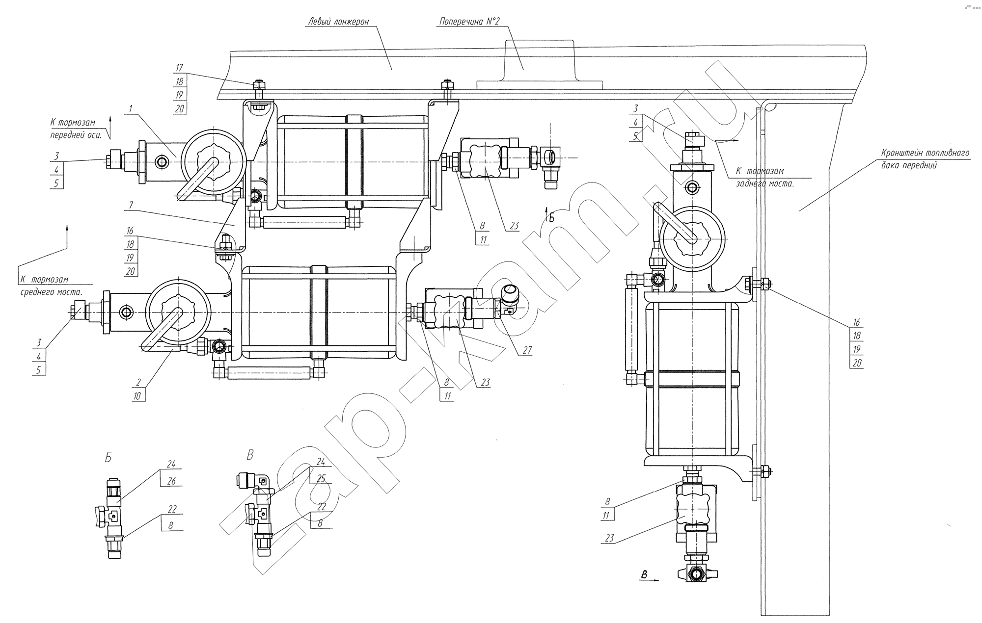
Установка пневмогидравлических усилителей тормозов
Поиск
Установка пневмогидравлических усилителей тормозов
/ УралАЗ УРАЛ-4320-0971-58
zoom-in
zoom-out
enlarge
shrink
circle-right
circle-left
file-text2
info
cart
Тип техники
Не выбрано
Грузовые
Двигатели
Марка
Не выбрано
DAF
DongFeng
FAW
Foton
HOWO
IVECO
JAC Motors
MAN
Shaanxi
SITRAK
Volvo
Автокомпонент Плюс
ЗИЛ
КАЗ
КамАЗ
Мадара
НефАЗ
СЗАП
Тонар
УралАЗ
Модель
Не выбрано
4320-0006982-74 (NEXT) (2017)
УРАЛ-375
УРАЛ-4320
УРАЛ-4320 (1981)
УРАЛ-4320-0971-58 (2010)
УРАЛ-4320-1151-59 (2010)
УРАЛ-4320-1951-58 (2010)
УРАЛ-4320-1958-70И (2012)
УРАЛ-4320-31
УРАЛ-4320-31
УРАЛ-4320-41
УРАЛ-4320-60 (2013)
УРАЛ-4320-61 (2013)
УРАЛ-4320-6951-74 (2015)
УРАЛ-4320-80М/82М (2015)
УРАЛ-43202
УРАЛ-43203-10
УРАЛ-43204-1111-70 (2012)
УРАЛ-43204-1153-70 (2012)
УРАЛ-43206-41
УРАЛ-4420 (1981)
УРАЛ-44202-0511-58 (2010)
УРАЛ-44202-3511-80 (2012)
УРАЛ-44202-3511-80 (2013)
УРАЛ-44202-3511-80М (2015)
УРАЛ-532301
УРАЛ-532361 (2015)
УРАЛ-5557
УРАЛ-5557-31 (2010)
УРАЛ-5557-40
УРАЛ-55571-1121-70 (2011)
УРАЛ-55571-30 (2010)
УРАЛ-55571-40 (2010)
УРАЛ-63674
УРАЛ-63685
УРАЛ-6370-1121 (2011)
УРАЛ-6370-1151 (2011)
УРАЛ-63704 (2011)
Схема
>
Не выбрано
Установка держателя противооткатного упора
Кабина в сборе
Установка передней подвески кабины
Задняя опора кабины
Стеклоочиститель
Стекла кабины
Омыватель ветрового стекла
Установка панели приборов
Обивка кабины
Обивка крыши
Двери кабины
Cтеклоподъемник
Замок двери
Сиденье водителя
Сиденья пассажиров
Установка системы отопления
Установка независимого отопителя
Спальное место
Установка арок колес
Подножка левая
Подножка правая
Капот с петлями
Замок капота
Установка брызговиков задних колес
Платформа
Тент
Подвеска двигателя
Вентиляция картера
Установка агрегатов системы предпускового подогрева
Трубы и шланги системы предпускового подогрева
Котел предпускового подогревателя
Нагнетатель насосного агрегата
Топливный насос насосного агрегата
Установка топливных баков
Трубопроводы и шланги системы питания
Трубопроводы и шланги системы питания с дополнительным баком
Установка топливных агрегатов на автомобиле
Привод акселератора
Тяга ручного останова двигателя
Воздуховод с воздушным фильтром
Фильтр воздушный
Cистема выпуска газов
Радиатор системы охлаждения
Установка расширительного бачка
Привод педалей сцепления и тормоза
Установка пневмосистемы управления сцеплением
Установка бачка привода сцепления
Установка рычага переключения передач
Картер и подвеска раздаточной коробки
Первичный вал раздаточной коробки
Промежуточный вал раздаточной коробки и привод спидометра
Вал привода переднего моста и дифференциал раздаточной коробки
Вал привода заднего моста раздаточной коробки
Управление и механизм переключения раздаточной коробки
Установка пневмоуправления раздаточной коробки
Карданная передача на шасси Урал 4320-1951-58 и автомобиль Урал 4320-0971-58
Карданная передача на шасси Урал 4320-1151-59 и седельный тягач Урал 44202-0511-58
Вал карданный заднего (переднего) моста
Вал карданный среднего моста
Вал карданный
Картер переднего моста
Передний мост
Дифференциал переднего моста
Картер заднего (среднего) моста
Дифференциал и полуоси среднего и заднего моста
Редуктор главной передачи
Проходной вал редуктора главной передачи
Рама на автомобили 4320-1951-58, 4320-0971-58
Рама на автомобили 4320-1151-59, 44202-0511-58
Установка переднего буфера
Передняя подвеска
Передняя рессора
Задняя балансирная подвеска
Задняя рессора 55571Х-2912012
Задняя рессора 5557-2912012-12
Ось задней балансирной подвески
Реактивная штанга
Колесо и шина на автомобили 4320-1951-58, 4320-0971-58, 44202-0511-58
Колесо и шина на автомобиль 4320-1151-59
Кран колесный
Ступица колеса и тормозной барабан
Система регулирования давления воздуха в шинах на автомобили 4320-1951-58, 4320-0971-58, 44202-58
Система регулирования давления воздуха в шинах на автомобиль 4320-1151-59
Установка электромагнитного клапана на автомобили 4320-1951-58, 4320-0971-58, 44202-0511-58
Установка электромагнитного клапана на автомобиль 4320-1151-59
Установка держателя запасного колеса
Редуктор подъема запасного колеса
Установка запасного колеса без держателя запасного колеса
Рулевое управление
Механизм рулевой с распределителем и сошкой
Механизм рулевой
Колесо и вал рулевого управления
Усилительный механизм
Насос гидроусилителя руля
Масляный бак
Тяга сошки рулевого управления
Тяга рулевой трапеции
Распределитель гидроусилителя
Рабочий тормоз переднего и заднего мостов
Рабочий тормоз среднего моста
Cтояночный тормоз
Пневмопривод стояночного тормоза
Установка тормозной камеры
Камера тормозная
Установка пневмогидравлических усилителей тормозов
Установка фильтров герметизации пневмоусилителей
Установка компрессора
Установка пневмогидравлического привода тормозов на автомобили 4320-1951-58, 4320-1151-59, 4320-0971-58
Установка пневмогидравлического привода тормозов на седельный тягач Урал 44202-0511-58
Установка пневмовыводов от тормозного крана
Установка тормозного крана
Установка воздушных баллонов на автомобили 4320-1951-58, 4320-1151-59, 4320-0971-58
Установка воздушных баллонов на седельный тягач 44202-0511-58
Установка влагомаслоотделителя и 4-х контурного защитного клапана
Установка клапана контрольного вывода
Установка соединительных головок
Установка клапана прицепа
Установка клапана управления тормозами прицепа на тягач 44202-0511-58
Установка клапана ускорительного
Вспомогательный тормоз
Установка вспомогательного тормоза
Установка фар, фонарей знака автопоезда, габаритных и указателей поворота
Установка фары-прожектора
Установка замка зажигания
Установка электрического сигнала
Установка контейнера аккумуляторных батарей
Установка задних осветительных приборов
Установка задних осветительных приборов на седельном тягаче
Панель приборов
Щиток выключателей
Схема электрооборудования
Коммутационный блок
Установка седельного устройства на автомобиль 44202-0511-58
Установка буксирного прибора и заднего защитного устройства на автомобили 4320-1951-58, 4320-0971-58
Установка буксирного прибора и ЗЗУ на автомобили 4320-1151-59, 44202-0511-58
Установка инструментального ящика
1
2
3
3
3
4
4
4
5
5
5
7
8
8
8
8
8
10
11
11
11
16
16
17
18
18
18
19
19
19
20
20
20
22
22
23
23
23
24
24
25
26
27
Поз.
Артикул
Название детали
4320-0971-58
4320-1151-59
4320-1951-58
44202-0511-58
1
55571П-3510011
Усилитель тормоза пневматический
3
3
3
3
2
5323-4712164
Трубка от бачка в сборе
3
3
3
3
3
4320-3506002
Муфта соединительная
3
3
3
3
4
51-3506012
Болт соединительный
3
3
3
3
5
4320-3506054
Прокладка
6
6
6
6
6
5323-3506054
Прокладка
3
3
3
3
7
5557-3510095
Кронштейн усилителя
2
2
2
2
8
4320-3514023
Прокладка
3
3
3
3
10
375-4245043-10
Шланг соединительный
3
3
3
3
11
334161
Штуцер
3
3
3
3
16
201541-П29
Болт М12-6gх32
7
7
7
7
17
201544-П29
Болт М12-6gх40
4
4
4
4
18
250514-П29
Гайка М12-6Н
11
11
11
11
19
252007-П29
Шайба 12
11
11
11
11
20
252137-П2
Шайба 12 пружинная
11
11
11
11
22
100-3515310-10
Клапан контрольного вывода
2
2
2
2
23
4721950180
Модулятор
3
3
3
3
24
D2062M16x1,5-22x1,5-
Тройник
2
2
2
2
25
D650210-М16х1,5-S
Угольник
1
1
1
1
26
DS650210-M22x1,5-S
Фитинг угловой
1
1
1
1
27
DS651010-M16x1.5-S
Фитинг прямой
1
1
1
1
Содержащиеся в справочниках-каталогах запасные части и детали не предлагаются к продаже, а носят исключительно информационный характер
Дополнительная информация
×
Название:
Номер:
Примечание:
Войти
Имя пользователя
Пароль
Забыли пароль?
Запомнить меня
Войти
Поиск товаров
Поиск товаров
Корзина покупок