Система охлаждения
/ УралАЗ УРАЛ-4320-6951-74

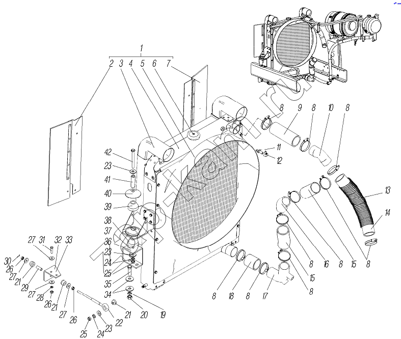
1
2
3
4
5
6
7
8
8
8
8
8
8
8
8
8
9
10
11
12
13
14
15
15
16
17
18
19
20
21
21
21
22
23
23
23
24
24
25
25
26
26
26
27
27
27
27
28
29
30
31
32
33
34
35
36
37
38
39
40
41
42
Поз. | Артикул | Название детали | Кол-во | |
---|---|---|---|---|
1 | 4320N-1301012x1 | Блок радиаторов с кожухом и козырьками | 1; | |
2 | 4320N-1302151 | Козырек боковой | 1; | |
3 | 4320Б5-1172010 | Теплообменник охлаждения наддувочного воздуха | 1; | |
4 | 4320Б5-1301010 | Радиатор | 1; | |
5 | 4320Б5-1309008 | Кожух вентилятора | 1; | |
6 | 63674-1304010 | Пробка радиатора | 1; | |
7 | 4320N-1302150 | Козырек боковой | 1; | |
8 | ТВОС-049.001-06 | Хомут | 10; | |
9 | 63674Р-1303030 | Рукав-деталь 54х65-160-0,2 | 1; | |
10 | 4320Я5-1303053 | Патрубок водоотводящий | 1; | |
11 | 4320Я-1104122 | Штуцер | 1; | |
12 | ТВОС-049.001-02 | Хомут | 1; | |
13 | 4320Я5-1303027-01 | Броня шланга | 1; | |
14 | 4320Я5-1303030 | Рукав-деталь 50х61-360-0,2 | 1; | |
15 | 5323-1303119 | Рукав-деталь 58х69-120-0,2 | 2; | |
16 | 4320Я5-1303051-01 | Патрубок соединительный | 1; | |
17 | 4320Я5-1303121 | Патрубок водоподводящий | 1; | |
18 | 5323РХ-1303030 | Рукав-деталь | 1; | |
19 | 252138-П2 | Шайба 14 пружинная | 4; | |
20 | 250558-П29 | Гайка М14-6Н | 4; | |
21 | 375Б-1203090-01 | Амортизатор подвески глушителя | 6; | |
22 | 4320N-1302030 | Тяга крепления радиатора | 2; | |
23 | 252045-П29 | Шайба 12 | 6; | |
24 | 252137-П2 | Шайба 12 пружинная | 4; | |
25 | 250514-П29 | Гайка М12-6Н | 4; | |
26 | 250512-П29 | Гайка М10 | 8; | |
27 | 252039-П29 | Шайба 10 | 12; | |
28 | 252136-П2 | Шайба 10 пружинная | 4; | |
29 | 375-1302054 | Трубка распорная подвески радиатора | 2; | |
30 | 258038-П29 | Шплинт 3,2х16 | 2; | |
31 | 201497-П29 | Болт М10-6gх25 | 4; | |
32 | 4320N-1302047 | Кронштейн тяги радиатора | 1; | |
33 | 4320N-1302046 | Кронштейн тяги радиатора | 1; | |
34 | 252016-П29 | Шайба 14 | 8; | |
35 | 201587-П29 | Болт М14-6gх35 | 4; | |
36 | 4320N-1302040 | Скоба опорная | 1; | |
37 | 4320N-1302039 | Скоба опорная | 1; | |
38 | 6370-1302040-20 | Подушка подвески радиатора | 2; | |
39 | 6370-1302040-10 | Подушка подвески радиатора верхняя | 2; | |
40 | 6370-1302063 | Чашка верхняя | 2; | |
41 | 6370-1302054 | Трубка распорная подвески радиатора | 2; | |
42 | 332026 | Болт М12-6gх95 | 2; |
Содержащиеся в справочниках-каталогах запасные части и детали не предлагаются к продаже, а носят исключительно информационный характер