ЗапКам
zap-kam16@yandex.ru
(900) 323-41-41
Вход / Регистрация отключена
Вход
Избранное
0
по запросу
Каталог
Все товары и категории
Запчасти КАМАЗ
Двигатель
Двигатели в сборе
Евро-0
КамАЗ-4310
Урал-4320
КамАЗ-4350
Евро-1
КамАЗ-43114
Евро-2
КамАЗ-43118
КамАЗ-65115
КамАЗ-6520
Евро-3
Евро-4
Евро-5
Газовые
Блоки цилиндров
Блоки цилиндров Евро-0 КамАЗ
Блоки цилиндров Евро-1 КамАЗ
Блоки цилиндров Евро-2 КамАЗ
Блоки цилиндров Евро-3 КамАЗ
Блоки цилиндров Евро-4,5 КамАЗ Common Rail
Сборочные комплекты (лонг-, шорт-блоки)
Блоки управления
Валы коленчатые
Коленвалы Евро-0 КамАЗ
Коленвалы Евро-1 КамАЗ
Коленвалы Евро-2 КамАЗ
Коленвалы Евро-3 КамАЗ
Коленвалы Евро-4,5 КамАЗ Common Rail
Вкладыши коренные
Евро-3,4,5
Евро-0,1,2
Вкладыши шатунные
Евро-3,4,5
Евро-0,1,2
Валы распредительные
ЦПГ – поршневая
Поршневая Евро-4,-5 (740.602)
Поршневая Евро-2,-3 (740.60)
Поршневая Евро-1,-2 (740.30)
Поршневая Евро-0,1 (740)
Кольца поршневые
ТНВД
Евро-4-5 Common Rail
Евро-3
Евро-2
Евро-1
Евро-0
Система питания
Форсунки топливные
Распылители форсунок
Топливозаборники
ГБЦ
Евро-3,4,5 Common Rail
Евро-1,2,3
Евро-0
Газ
Турбокомпрессоры
ТРК Евро-4,5 (однотурбовые)
Евро-4
Евро-3
Евро-2
Евро-1
Насос водяной
Насос масляный
Маховики
Коробка передач
КПП в сборе
Валы
Валы вторичные
Валы первичные
Валы промежуточные
Шестерни
Синхронизаторы
Делители в сборе
Коробка раздаточная
РК в сборе
РК 6522
Дифференциалы
Валы
Валы первичные
Валы промежуточные
Вилки
Шестерни
Механизмы переключения
Трансмиссия
Мосты
Редукторы в сборе
Заднего моста
Переднего моста
Среднего моста
Зубьев
31, 35
50
49
48
47
46
КамАЗ
4310
43114
43118
4326
5320
53205
65115
43253
53229
6520
6522
4308
65111
65116
65117
55102
55111
53212
53215
54115
5410
5511
Мосты в сборе
Передние
Средние
Задние
6520, 6522 (20т)
65115 (15т)
65111 (15т)
43118 (10т)
43114 / 4310 (8т)
53205 Евро (10т)
5320 (8т)
5511 (10т)
МОД
Мадара
Подвеска в сборе
Ось передняя
Ось в сборе
Ходовая часть
Подвеска (тележка) в сборе
Колеса и шины
Рама
Рессоры
Лебедка
Механизмы управления
Отопление и вентиляция
Система выпуска
Сцепление
Тормоза
Кабина
Управление рулевое
Электрооборудование
Автомобили
КАМАЗ 5490
Двигатель 457
Двигатели в сборе
Сцепление
Кабина
Кузов
Мосты
Рама
Система выпуска
Тормоза
Управление рулевое
Ходовая часть
КАМАЗ К5
Двигатели WeiChai
Двигатели в сборе
Двигатели Р6
Двигатели 910 Р6 в сборе
Кабина
Сцепление
Тормоза
Управление рулевое
Электрооборудование
ZF
КПП ZF в сборе
16S EcoSplit
КПП 16s 1820 TO
КПП 16S 2220
9S Ecomid
12AS Astronic
12TX Traxon
Запчасти 12tx Traxon
Cummins
Двигатели в сборе
Блоки цилиндров
Коленвалы
Головки блока
Генератор
Китайские грузовики
Shaanxi HanDe
Fast Gear
Sitrak
Weichai
FAW
Laizhou Tongji
Европейские грузовики
Mercedes
Электрооборудование
Блоки управления
Блоки управления ADM
Блоки управления CPC4
Блоки управления двигателем
Блоки управления электрооборудованием
Датчики
Стартеры
Карданная передача
Карданы КамАЗ
Коробки отбора мощности
Прицепная техника
ССУ (Седла)
Ремонт
Ремонт двигателей
Ремонт КПП Камаз и ZF
Ремонт раздаток и редукторов
Ремонт кабин
Услуги
Комплектация заявок
Скупка запчастей и агрегатов
Контакты
Отправить заявку
Каталоги запчастей к технике
Грузовые
УралАЗ
УРАЛ-4320-6951-74
Установка кабины на раме
Поиск
Установка кабины на раме
/ УралАЗ УРАЛ-4320-6951-74
zoom-in
zoom-out
enlarge
shrink
circle-right
circle-left
file-text2
info
cart
Тип техники
Не выбрано
Грузовые
Двигатели
Марка
Не выбрано
DAF
DongFeng
FAW
Foton
HOWO
IVECO
JAC Motors
MAN
Shaanxi
SITRAK
Volvo
Автокомпонент Плюс
ЗИЛ
КАЗ
КамАЗ
Мадара
НефАЗ
СЗАП
Тонар
УралАЗ
Модель
Не выбрано
4320-0006982-74 (NEXT) (2017)
УРАЛ-375
УРАЛ-4320
УРАЛ-4320 (1981)
УРАЛ-4320-0971-58 (2010)
УРАЛ-4320-1151-59 (2010)
УРАЛ-4320-1951-58 (2010)
УРАЛ-4320-1958-70И (2012)
УРАЛ-4320-31
УРАЛ-4320-31
УРАЛ-4320-41
УРАЛ-4320-60 (2013)
УРАЛ-4320-61 (2013)
УРАЛ-4320-6951-74 (2015)
УРАЛ-4320-80М/82М (2015)
УРАЛ-43202
УРАЛ-43203-10
УРАЛ-43204-1111-70 (2012)
УРАЛ-43204-1153-70 (2012)
УРАЛ-43206-41
УРАЛ-4420 (1981)
УРАЛ-44202-0511-58 (2010)
УРАЛ-44202-3511-80 (2012)
УРАЛ-44202-3511-80 (2013)
УРАЛ-44202-3511-80М (2015)
УРАЛ-532301
УРАЛ-532361 (2015)
УРАЛ-5557
УРАЛ-5557-31 (2010)
УРАЛ-5557-40
УРАЛ-55571-1121-70 (2011)
УРАЛ-55571-30 (2010)
УРАЛ-55571-40 (2010)
УРАЛ-63674
УРАЛ-63685
УРАЛ-6370-1121 (2011)
УРАЛ-6370-1151 (2011)
УРАЛ-63704 (2011)
Схема
>
Не выбрано
Кабина и оперение
Установка экрана противосолнечного
Кабина (без окраски и обивки)
Установка кабины на раме
Кронштейн крепления кабины задний
Установка деталей кабины
Установка коврика пола
Установка уплотнителей коврика пола
Установка стеклоочистителя
Установка стекла ветрового окна
Стекло ветрового окна
Стекло ветрового окна (опция Теплопоглащающие стекла)
Установка омывателя
Установка обивки передка
Установка термошумоизоляции щитка передка
Установка панели приборов
Панель приборов
Установка системы распределения
Установка магнитолы
Ящик вещевой
Ящик вещевой верхний
Ящик вещевой верхний (опция)
Установка обивки боковины
Установка обивки задка
Установка обивки крыши
Установка обивки крыши (опция Консоль потолочная)
Установка обивок дверей
Обивка двери правая
Обивка двери левая
Установка деталей двери
Установка электрических стеклоподъемников
Установка замков и приводов замков дверей
Установка навески дверей
Установка уплотнителей дверей
Установка сиденья водителя
Установка переднего сиденья
Сиденье переднее
Ремни безопасности переднего сиденья
Установка антенны
Установка громкоговорителей
Установка отопителя
Воздухозаборник
Установка вентиляции кузова
Установка зеркал
Установка поручней
Установка противосолнечных козырьков
Установка огнетушителя (опция Огнетушитель)
Установка оперения
Каркас оперения
Установка передней опоры оперения
Капот с термошумоизоляцией
Установка деталей оперения
Установка фартуков и щитков передних крыльев
Установка надставок передних крыльев
Установка накладок
Установка подножек
Установка замка капота
Привод замка капота
Установка упора капота
Установка брызговиков задних колес
Установка нижних поручней
Подвеска двигателя передняя
Подвеска двигателя задняя
Установка агрегатов системы предпускового подогрева двигателя
Трубопроводы и шланги системы предпускового подогрева двигателя
Установка топливных баков
Системы питания топливом
Установка фильтра грубой очистки топлива
Установка топливных кранов
Система питания двигателя воздухом
Установка воздушного фильтра
Установка деталей акселератора
Система выпуска газов
Система охлаждения
Установка расширительного бачка и трубопроводов системы отопления
Установка трубопроводов отопителя
Установка защиты радиатора
Установка деталей привода сцепления на кабине
Цилиндр гидравлический
Установка пневмопривода выключения сцепления
Установка привода сцепления в кабине
Кронштейн с педалью выключения сцепления
Подключение электропневмоклапана
Установка управления коробкой передач
Картер и подвеска раздаточной коробки
Первичный вал раздаточной коробки
Промежуточный вал раздаточной коробки и привод спидометра
Вал привода переднего моста и дифференциал раздаточной коробки
Вал привода задних мостов раздаточной коробки
Управление и механизм переключения раздаточной коробки
Установка управления раздаточной коробкой и блокировкой межколесных дифференциалов
Карданная передача
Картер переднего моста
Передний мост
Картер заднего (среднего) моста
Редуктор главной передачи
Проходной вал редуктора главной передачи
Дифференциал переднего моста
Дифференциал и полуоси среднего и заднего мостов
Механизм включения блокировки дифференциала
Установка буксирной поперечины и буксирного прибора
Установка буксирной поперечины и тягово-сцепного устройства
Рама
Установка переднего буфера
Установка подножки
Передняя подвеска
Передняя рессора
Задняя подвеска
Задняя рессора
Ось балансира задней подвески в сборе с кронштейнами и балансиром
Реактивная штанга
Колесо и шина
Кран колесный
Ступица колеса и тормозной барабан
Система регулирования давления воздуха в шинах
Установка электромагнитного клапана системы накачки шин
Вертикальный держатель запасного колеса
Редуктор подъема запасного колеса
Рулевое управление
Установка рулевого механизма
Насос
Установка колеса рулевого управления
Установка колонки рулевого управления
Колонка рулевого управления с карданным валом
Карданный вал рулевого управления
Установка масляного бачка
Масляный бачок
Тяга сошки 180-3414010-20
Тяга сошки БМ4320-3414010
Тяга поперечная 180-3414052 (Возможна замена на БМ4320-3414052-11)
Тяга поперечная БМ4320-3414052-11 (Применяется взамен 180-3414052)
Рабочий тормоз переднего и заднего мостов
Рабочий тормоз среднего моста
Клиновой механизм
Установка тормозной камеры на передний мост
Установка тормозной камеры на cредний мост
Установка тормозной камеры с пружинным энергоаккумулятором на задний мост
Установка агрегатов пневматического привода рабочих тормозов
Трубопроводы и шланги пневматического привода рабочих тормозов
Крепление трубопроводов и шлангов пневматического привода рабочих тормозов
невмопривод стояночного тормоза
Установка адсорбера и четырехконтурного защитного клапана
Установка влагомаслоотделителя
Установка клапана контрольного вывода
Установка воздушных баллонов на правом и левом лонжеронах
Установка воздушных баллонов на левом лонжероне
Установка тормозного крана на кабине
Установка модуляторов
Установка клапана ускорительного с модуляторами
Установка ускорительного клапана стояночного тормоза
Установка соединительных головок
Установка клапана управления тормозами прицепа
Установка педали тормоза
Кронштейн с педалью тормоза
Установка тормозного крана с ручным приводом
Установка фитингов тормозного крана с ручным приводом
Установка электрооборудования в буфере
Установка электрооборудования на оперении
Установка светотехники на противосолнечном экране
Установка переключателей
Установка электрических сигналов
Установка проводов под капотом и на облицовке
Установка проводов на двигателе
Установка проводов панели приборов
Установка проводов на двери
Установка электрооборудования на раме
Подключение электропневмоклапанов
Установка блока управления АБС
Установка задних осветительных приборов
Установка и подключение розеток прицепа и АБС
Установка контейнера аккумуляторных батарей
Установка плафона внутреннего освещения
Схема электрооборудования шасси (без кабины)
Перечень пучков и проводов
Установка деталей крепления инструмента
Установка инструментального ящика
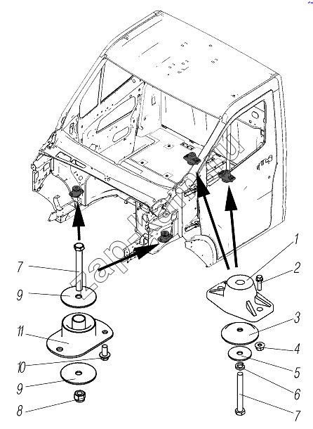
1
2
3
4
5
6
7
7
8
9
9
10
11
Поз.
Артикул
Название детали
Кол-во
1
33023-5001040
Кронштейн крепления кабины
2;
2
4593771167
Болт М10-6gх35
4;
3
A22R23-5001095
Шайба специальная
2;
4
4599551821
Гайка М10
4;
5
293353-П29
Шайба 12,5
2;
6
252137-П2
Шайба 12 пружинная
2;
7
290S751-81
Болт DIN 6921-M12х1,25x100-10.9
2;
8
4595631310
Гайка М12х1,25-6Н
2;
9
293577-П29
Шайба 12,5
4;
10
290S035-71
Болт DIN ЕN 1662-М10х20-8.8-А3L
4;
11
A21R23-5001330
Опора кабины
2;
Содержащиеся в справочниках-каталогах запасные части и детали не предлагаются к продаже, а носят исключительно информационный характер
Дополнительная информация
×
Название:
Номер:
Примечание:
Войти
Имя пользователя
Пароль
Забыли пароль?
Запомнить меня
Войти
Поиск товаров
Поиск товаров
Корзина покупок