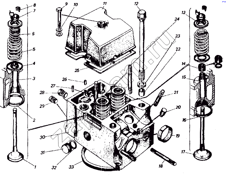
Головка цилиндра с клапанами в сборе
/ УралАЗ УРАЛ-4320

1
2
3
4
5
6
7
8
9
10
11
12
13
14
15
16
17
18
19
20
21
22
23
24
25
26
27
28
29
30
31
32
33
Поз. | Артикул | Название детали | 4320 | 4420 | |
---|---|---|---|---|---|
1-21647-21 | 1-21647-21 | Гайка М10х1,25 | 16 | 16 | |
740-1007134 | 740-1007134 | Шайба стопорная | 8 | 8 | |
870629 | 870629 | Шайба 8 | 8 | 8 | |
740-1007096 | 740-1007096 | Фиксатор коромысел | 8 | 8 | |
740-1007091 | 740-1007091 | Стойка коромысел в сборе | 8 | 8 | |
740-1003213-10 | 740-1003213-10 | Прокладка уплотнительная | 8 | 8 | |
740-1003212 | 740-1003212 | Прокладка | 8 | 8 | |
870638 | 870638 | Прокладка уплотнительная диаметр 9 | 8 | 8 | |
740-1003010 | 740-1003010 | Головка цилиндра с клапанами в сборе | 8 | 8 | |
740-1003013 | 740-1003013 | Головка цилиндра в сборе | |||
740-1003015 | 740-1003015 | Головка цилиндра | 8 | 8 | |
1-21647-21 | 1-21647-21 | Гайка М10х1,25 | 8 | 8 | |
1 | 740-1007015 | Клапан выпускной | 8 | 8 | |
2 | 740-1003110 | Седло впускного клапана | 8 | 8 | |
3 | 740-1007033 | Втулка направляющая | 8 | 8 | |
4 | 740-1007025 | Шайба | 16 | 16 | |
5 | 740-1007020 | Пружина клапана наружная | 16 | 16 | |
6 | 740-1007021 | Пружина клапана внутренняя | 16 | 16 | |
7 | 740-1007026 | Втулка тарелки пружины клапана | 16 | 16 | |
8 | 740-1007028 | Сухарь клапана | 32 | 32 | |
9 | 1-60443-31 | Болт М8Х55 | 8 | 8 | |
10 | 1-05196-01 | Шайба 8 | 8 | 8 | |
11 | 740-1003264 | Крышка головки цилиндра | 8 | 8 | |
12 | 740-1003016 | Болт | 32 | 32 | |
13 | 740-1007024-01 | Тарелка пружины клапана | 16 | 16 | |
14 | 740-1007262 | Манжета в сборе | 8 | 8 | |
15 | 740-1007032 | Втулка направляющая впускного клапана | 8 | 8 | |
16 | 740-1003108 | Седло впускного клапана | 8 | 8 | |
17 | 740-1007010 | Клапан впускной | 8 | 8 | |
18 | 870303 | Шпилька М10х1,25х52 | 16 | 16 | |
19 | 740-1008048 | Втулка патрубка | 8 | 8 | |
20 | 740-1112169 | Опора скобы | 8 | 8 | |
21 | 1-35468-21 | Шпилька М10х1,25х45 | 8 | 8 | |
22 | 740-1003442-01 | Втулка головки цилиндра | 32 | 32 | |
23 | 870648-П29 | Шайба 18 | 32 | 32 | |
24 | 1-35473-31 | Шпилька M10Х1,25Х70 | 16 | 16 | |
25 | 740-1003270 | Прокладка | 8 | 8 | |
26 | 1-04895-23 | Штифт установочный 6Х12 | 16 | 16 | |
27 | 1-03360-23 | Штифт 6Х16 | 16 | 16 | |
28 | 740-1003448 | Ввертыш | 16 | 16 | |
29 | 740-1003348 | Ввертыш | 16 | 16 | |
30 | 740-1003014 | Головка цилиндра со втулками в сборе | 8 | 8 | |
31 | 740 1003436 | Заглушка | 24 | 24 | |
32 | 740-1003439 | Кольцо уплотнительное | 24 | 24 | |
33 | 740-1003466 | Кольцо газового стыка уплотнительное | 8 | 8 |
Содержащиеся в справочниках-каталогах запасные части и детали не предлагаются к продаже, а носят исключительно информационный характер