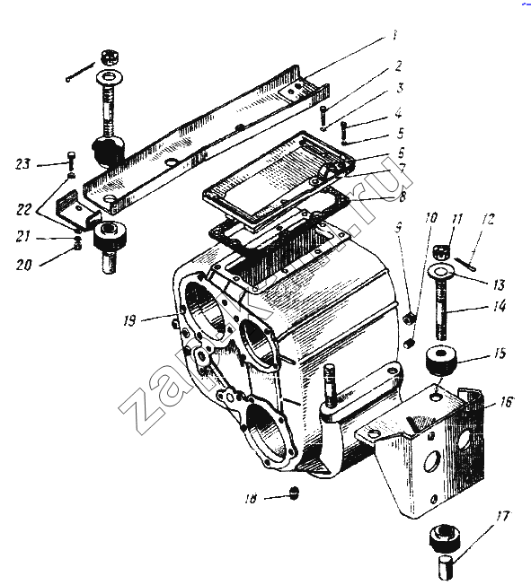
Картер и подвеска раздаточной коробки
/ УралАЗ УРАЛ-4320

1
2
3
4
5
6
7
8
9
10
11
12
13
14
15
16
17
18
19
20
21
22
23
Поз. | Артикул | Название детали | 4320 | 4420 | |
---|---|---|---|---|---|
1 | 375-1801008 | Кронштейн правый в сборе | 1 | 1 | |
2 | 201453-П29 | Болт М8-6gх14 | 1 | 1 | |
3 | 252135-П9 | Шайба пружинная 8 | 8 | 8 | |
4 | 201497-П29 | Болт М10-6gх25 | 2 | 2 | |
5 | 252136-П9 | Шайба пружинная 10 | 2 | 2 | |
6 | 375-1801043 | Скоба подъема раздаточной (дополнительной) коробки | 1 | 1 | |
7 | 375-1802013 | Крышка верхнего люка с маслоуловителем в сборе | 1 | 1 | |
8 | 375-1802268-Б | Прокладка уплотнительная крышки верхнего люка | 1 | 1 | |
9 | 339129 | Пробка наливная К3/4" | 1 | 1 | |
10 | 262533 | Пробка 3/8 | 1 | 1 | |
11 | 334837-П29 | Гайка М18х1,5 | 4 | 4 | |
12 | 258054-П29 | Шплинт 4х32 | 4 | 4 | |
13 | 336048-П29 | Шайба 18 | 4 | 4 | |
14 | 333651-П29 | Шпилька М18х1,5х24 | 4 | 4 | |
15 | 375-1801030 | Подушка подвески раздаточной коробки в сборе | 8 | 8 | |
16 | 375-1801017-Г2 | Кронштейн подвески левый в сборе | 1 | 1 | |
17 | 4320-1801040 | Втулка распорная | 4 | 4 | |
18 | 339210 | Пробка магнитная К3/4" в сборе | 1 | 1 | |
19 | 375-1802012-Б1 | Картер раздаточной коробки | 1 | 1 | |
20 | 250514-П29 | Гайка М12-6Н | 4 | 4 | |
21 | 252137-П9 | Шайба пружинная 12 | 4 | 4 | |
22 | 335917-П29 | Шайба 12,5 | 8 | 8 | |
23 | 201543-П29 | Болт М12-6gх38 | 4 | 4 |
Содержащиеся в справочниках-каталогах запасные части и детали не предлагаются к продаже, а носят исключительно информационный характер