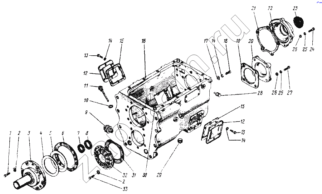
Картер коробки передач
/ УралАЗ УРАЛ-4320

1
2
2
2
2
3
4
5
6
7
8
9
10
11
12
12
13
13
14
14
14
14
14
14
15
15
16
17
18
19
20
21
22
23
24
25
25
25
26
26
27
28
29
30
31
32
33
Поз. | Артикул | Название детали | 4320 | 4420 | |
---|---|---|---|---|---|
141-1701100 | 141-1701100 | Вал вторичный в сборе | 1 | 1 | |
141-1701025 | 141-1701025 | Вал первичный в сборе | 1 | 1 | |
141-1701027 | 141-1701027 | Вал первичный коробки передач | 1 | 1 | |
14-1701010 | 14-1701010 | Картер коробки передач в сборе | 1 | 1 | |
1 | 1-13069-21 | Болт М10х1,25х30 | 6 | 6 | |
2 | 870851-П29 | Шайба 10 | 6 | 6 | |
2 | 870851-П29 | Шайба 10 | 5 | 5 | |
3 | 14-1701040 | Крышка заднего подшипника первичного вала | 1 | 1 | |
4 | 14-1701035 | Прокладка регулировочная | 2 | 2 | |
5 | 14-1701036 | Прокладка регулировочная | 2 | 2 | |
6 | 14-1701042 | Прокладка крышки | 1 | 1 | |
7 | 14-1701238-01 | Манжета | 1 | 1 | |
8 | 14-1701230-01 | Манжета | 1 | 1 | |
9 | [Шарик БУ 7,938 мм Н] | Шарик БУ 7,938 мм Н | 1 | 1 | |
10 | 870632 | Прокладка уплотнительная | 1 | 1 | |
11 | 14-1701440 | Маслоуказатель | 1 | 1 | |
12 | 14-1701020 | Крышка люка отбора мощности | 2 | 2 | |
13 | 1-59703-21 | Болт М10х1,25х16 | 12 | 12 | |
14 | 1-05168-73 | Шайба 10 пружинная | 12 | 12 | |
14 | 1-05168-73 | Шайба 10 пружинная | 1 | 1 | |
15 | 14-1701021 | Прокладка | 2 | 2 | |
16 | 14-1701015 | Картер коробки передач | 1 | 1 | |
17 | 870862-П29 | Шайба 11 стопорная | 1 | 1 | |
18 | 870029 | Болт М10х1,25х16 | 1 | 1 | |
19 | 14-1701075 | Прокладка | 2 | 2 | |
20 | 14-1701074 | Крышка заднего подшипника промежуточного вала | 1 | 1 | |
21 | 14-1701203 | Прокладка крышки | 1 | 1 | |
22 | 141-1701205-10 | Крышка заднего подшипника | 1 | 1 | |
23 | 14-1701210 | Манжета в сборе | 1 | 1 | |
24 | 1-55407-21 | Болт М12х1,25х45 | 5 | 5 | |
25 | 1-05170-73 | Шайба 12 пружинная | 5 | 5 | |
25 | 1-05170-73 | Шайба 12 пружинная | 4 | 4 | |
26 | 1-05200-01 | Шайба 12 | 5 | 5 | |
26 | 1-05200-01 | Шайба 12 | 4 | 4 | |
27 | 1-55409-21 | Болт М12х1,25х55 | 4 | 4 | |
28 | 14-1701350 | Рым-болт | 2 | 2 | |
29 | 262513-П2 | Пробка КГ3/4 сливная | 1 | 1 | |
30 | 14-1702182 | Штифт установочный в сборе | 2 | 2 | |
31 | 14-1701069 | Прокладка | 1 | 1 | |
32 | 14-1701068 | Крышка переднего подшипника промежуточного вала | 1 | 1 | |
33 | 1-59707-21 | Болт М10х1,25х25 | 5 | 5 |
Содержащиеся в справочниках-каталогах запасные части и детали не предлагаются к продаже, а носят исключительно информационный характер