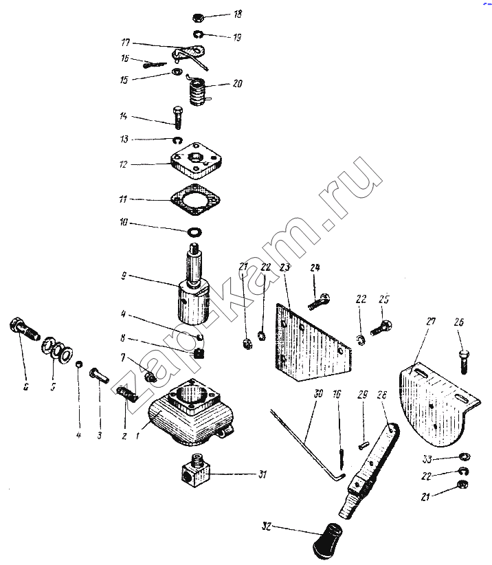
Кран гидроподъемника
/ УралАЗ УРАЛ-4320

1
2
3
4
4
4
4
5
6
7
8
9
10
11
12
13
14
15
16
16
17
18
19
20
21
21
22
22
22
23
24
25
26
27
28
29
30
31
32
33
Поз. | Артикул | Название детали | 4320 | 4420 | |
---|---|---|---|---|---|
375-3108053 | 375-3108053 | Шайба регулировочная, толщиной 0,25мм | |||
1 | 375-3108012 | Корпус крана гидроподъемника в сборе | 1 | 1 | |
2 | 375-3108037-01 | Пружина ограничительного клапана | 1 | 1 | |
3 | 375-3108057 | Направляющая пружины | 1 | 1 | |
4 | [Шарик Б III 5,556 мм Р] | Шарик Б III 5,556 мм Р | 1 | 1 | |
4 | [Шарик Б III 5,556 мм Р] | Шарик Б III 5,556 мм Р | 1 | 1 | |
5 | 375-3108052 | Шайба регулировочная, толщиной 0,8мм | |||
6 | 375-3108049 | Седло ограничительного клапана | 1 | 1 | |
7 | 262541-П29 | Пробка КГ1/8" | 1 | 1 | |
8 | 375-3108038 | Пробка сливного клапана | 1 | 1 | |
9 | 375-3108035 | Пробка крана с обратным клапаном в сборе | 1 | 1 | |
10 | 353-1002111 | Кольцо уплотнительное | 1 | 1 | |
11 | 375-3108018 | Прокладка | 1 | 1 | |
12 | 375-3108011 | Крышка корпуса со штифтом в сборе | 1 | 1 | |
13 | 252154-П9 | Шайба пружинная 6 | 4 | 4 | |
14 | 201418-П29 | Болт М6-6gх16 | 4 | 4 | |
15 | 252003-П29 | Шайба 5 | 1 | 1 | |
16 | 258011-П29 | Шплинт 2х10 | 2 | 2 | |
17 | 4320-3108047 | Рычаг крапа | 1 | 1 | |
18 | 250512-П29 | Гайка М10 | 1 | 1 | |
19 | 252156 П9 | Шайба 10Л.65Г.05 | 1 | 1 | |
20 | 375-3108043 | Пружина крана | 1 | 1 | |
21 | 250510-П29 | Гайка М8-6Н | 4 | 4 | |
22 | 252155-П9 | Шайба пружинная 8 | 6 | 6 | |
23 | 4320-3108059 | Кронштейн крана | 1 | 1 | |
24 | 201456-П29 | Болт М8-6gх20 | 2 | 2 | |
25 | 201455-П29 | Болт М8-6gх18 | 2 | 2 | |
26 | 201453-П29 | Болт М8-6gх14 | 2 | 2 | |
27 | 375-3108063 | Сектор привода крана | 1 | 1 | |
28 | 375-1310239 | Ручка | 1 | 1 | |
29 | 252592-П29 | Заклепка 5Х12 | 1 | 1 | |
30 | 4320-3108062 | Тяга привода крана | 1 | 1 | |
31 | 339340-П29 | Угольник М16х1,5-3/8" | 1 | 1 | |
32 | 353-1310236 | Ручка привода в сборе | 1 | 1 | |
33 | 252005-П29 | Шайба 8 | 2 | 2 |
Содержащиеся в справочниках-каталогах запасные части и детали не предлагаются к продаже, а носят исключительно информационный характер