Механизм усилительный рулевого управления
/ УралАЗ УРАЛ-4320

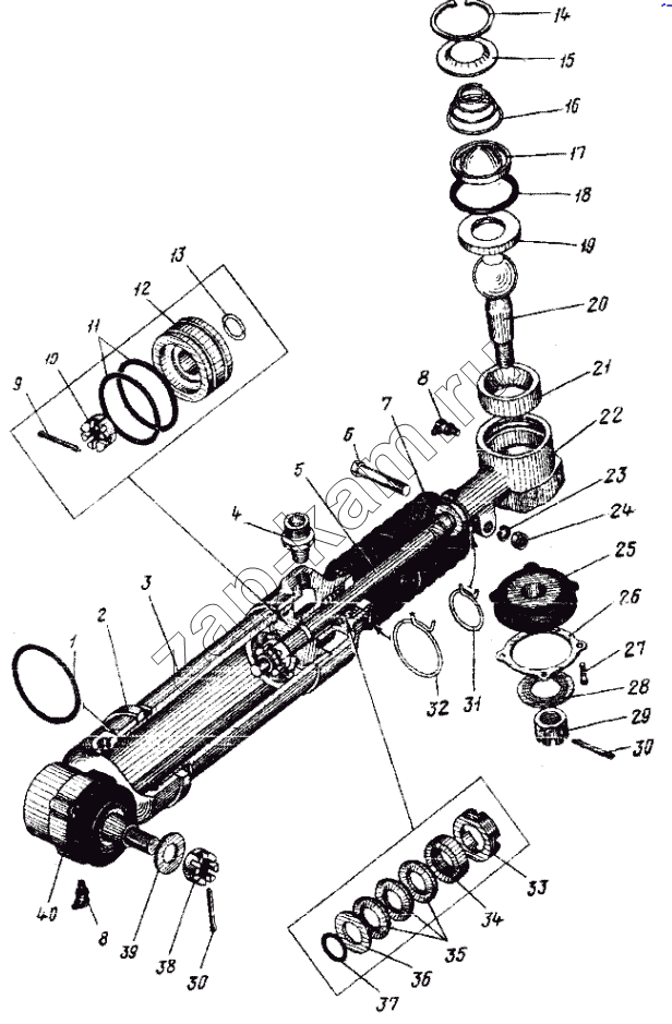
1
2
3
4
5
6
7
8
8
9
10
11
12
13
14
15
16
17
18
19
20
21
22
23
24
25
26
27
28
29
30
30
31
32
33
34
35
36
37
38
39
40
Поз. | Артикул | Название детали | 4320 | 4420 | |
---|---|---|---|---|---|
4320-3405075 | 4320-3405075 | Наконечник цилиндра гидроусилителя в сборе | 1 | 1 | |
4320-3405060 | 4320-3405060 | Наконечник штока гидроусилителя в сборе | 1 | 1 | |
375-3405030-10 | 375-3405030-10 | Шток с поршнем в сборе | 1 | 1 | |
1 | 375-3405084 | Кольцо уплотнительное | 1 | 1 | |
2 | 375-3405081 | Гайка наконечника | 1 | 1 | |
3 | 375-3405013 | Цилиндр гидроусилителя с крышкой и втулкой в сборе | 1 | 1 | |
4 | 375-3407603-Б | Штуцер | 2 | 2 | |
5 | 375-3405046 | Шток | 1 | 1 | |
6 | 200367-П29 | Болт М12-6gх45 | 1 | 1 | |
7 | 3715-3405051 | Муфта защитная штока | 1 | 1 | |
8 | 264040-П29 | Масленка 2.3.90.01 в сборе | 2 | 2 | |
9 | 268053-П29 | Шплинт 4Х25.016 | 1 | 1 | |
10 | 334933-П29 | Гайка М22х1,5 | 1 | 1 | |
11 | 060-070-58-2-2 | Кольцо уплотнительное | 2 | 2 | |
12 | 375-3405037-01 | Поршень | 1 | 1 | |
13 | 375-3405041 | Полукольцо штока | 2 | 2 | |
14 | 376-3003122 | Кольцо стопорное | 2 | 2 | |
15 | 375-3003129 | Заглушка | 2 | 2 | |
16 | 375-3003128 | Пружина | 2 | 2 | |
17 | 4320-3414085 | Обойма пружины | 2 | 2 | |
18 | 4320-3414127 | Уплотнитель | 2 | 2 | |
19 | 375-3003059 | Вкладыш нижний | 2 | 2 | |
20 | 3753003065 | Палец | 2 | 2 | |
21 | 375-3003058-10 | Вкладыш верхний | 2 | 2 | |
22 | 4320-3405061 | Наконечник штока | 1 | 1 | |
23 | 252137-П9 | Шайба пружинная 12 | 1 | 1 | |
24 | 250514-П29 | Гайка М12-6Н | 1 | 1 | |
25 | 43120-3414076 | Муфта защитная в сборе | 2 | 2 | |
26 | 4320-3414078 | Накладка муфты | 2 | 2 | |
27 | 221578-П28 | Винт М5-6gХ12.48.016 | 8 | 8 | |
28 | 4320-3414095 | Шайба | 2 | 2 | |
29 | 334837-П29 | Гайка М18х1,5 | 1 | 1 | |
30 | 258054-П29 | Шплинт 4х32 | 2 | 2 | |
31 | 339093-П2 | Хомут | 1 | 1 | |
32 | 339153-П2 | Хомут | 1 | 1 | |
33 | 335058-П29 | Гайка М45х1,5 | 1 | 1 | |
34 | 375-3405050 | Кольцо нажимное в сборе | 1 | 1 | |
35 | 339173 | Манжета | 3 | 3 | |
36 | 339172 | Кольцо опорное | 3 | 3 | |
37 | 375-3405029 | Кольцо уплотнительное | 1 | 1 | |
38 | 334832-П29 | Гайка М18х1,5 крепления гидроусилителя | 1 | 1 | |
39 | 336024-П29 | Шайба 19 | 1 | 1 | |
40 | 4320-3406076 | Наконечник цилиндра | 1 | 1 |
Содержащиеся в справочниках-каталогах запасные части и детали не предлагаются к продаже, а носят исключительно информационный характер