Насос усилителя рулевого управления
/ УралАЗ УРАЛ-4320

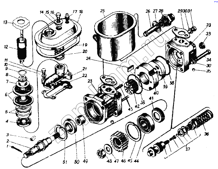
1
2
3
4
5
6
7
8
9
10
11
12
13
14
15
16
17
18
19
20
21
22
23
24
25
26
27
28
29
30
30
31
32
33
34
35
36
37
38
38
39
40
41
42
43
44
45
46
47
48
49
50
51
Поз. | Артикул | Название детали | 4320 | 4420 | |
---|---|---|---|---|---|
5320-3407338 | 5320-3407338 | Фильтр насоса в сборе | 1 | 1 | |
1 | 1-07338-01 | Шплинт 4Х40 | 1 | 1 | |
2 | 5320-3407217 | Валик насоса гидроусилителя руля | 1 | 1 | |
3 | 853803 | Шпонка сегментная 5х7,5 | 1 | 1 | |
4 | 5320-3407765 | Пластина нижняя | 1 | 1 | |
5 | 5320-3407429 | Манжета уплотнительная | 1 | 1 | |
6 | 5320-3407359 | Элемент фильтрующий | 1 | 1 | |
7 | 5320-3407763 | Пластина верхняя | 1 | 1 | |
8 | 5320-3407340 | Труба фильтра в сборе | 1 | 1 | |
9 | 1-34012-76 | Кольцо стопорное | 1 | 1 | |
10 | 1-05194-01 | Шайба 6 | 2 | 2 | |
11 | 1-09028-21 | Болт М6Х30 | 2 | 2 | |
12 | 5320-3407328 | Фильтр заливной в сборе | 1 | 1 | |
13 | 5320-3407350 | Пробка в сборе | 1 | 1 | |
14 | 864218 | Кольцо уплотнительное | 1 | 1 | |
15 | 1-26470-01 | Шайба 8 | 1 | 1 | |
16 | 1-60439-21 | Болт М8х35 | 1 | 1 | |
17 | 864000 | Клапан предохранительный | 1 | 1 | |
18 | 5320-3407398 | Крышка бачка с пружиной в сборе | 1 | 1 | |
19 | 5320-3407413 | Прокладка | 1 | 1 | |
20 | 5320-3407363 | Пружина | 1 | 1 | |
21 | 5320-3407435 | Коллектор насоса | 1 | 1 | |
22 | 5320-3407439 | Прокладка | 1 | 1 | |
23 | 5320-3407211 | Корпус | 1 | 1 | |
24 | 5320-3407251 | Лопасть насоса | 10 | 10 | |
25 | 4320-3410010 | Бак масляный в сборе | 1 | 1 | |
26 | 4320-3410021 | Трубка масляного бака | 1 | 1 | |
27 | 853634 | Шайба | 1 | 1 | |
28 | 5320-3407322 | Штуцер | 1 | 1 | |
29 | 5320-3407437 | Прокладка | 2 | 2 | |
30 | 1-05168-77 | Шайба 10 пружинная | 4 | 4 | |
31 | 853023-П7 | Болт М10Х1,25Х90 | 2 | 2 | |
32 | 5320-3407212 | Крышка насоса в сборе | 1 | 1 | |
33 | 864843 | Седло уплотнительное | 1 | 1 | |
34 | 853022-П7 | Болт М10Х1.25Х70 | 2 | 2 | |
35 | 864712 | Шарик 3,969-60 | 1 | 1 | |
36 | 5320-3407281 | Пружина перепускного клапана | 1 | 1 | |
37 | 5320-3407213 | Клапан перепускной в сборе | 1 | 1 | |
38 | 854217 | Кольцо уплотнительное | 2 | 2 | |
39 | 5320-3407255 | Диск распределительный | 1 | 1 | |
40 | 5320-3407253 | Статор насоса | 1 | 1 | |
41 | 5320-3407220 | Кольцо маслоотгонное | 1 | 1 | |
42 | 53203407248 | Ротор | 1 | 1 | |
43 | 853757 | Штифт установочный | 2 | 2 | |
44 | 305 | Подшипник шариковый | 1 | 1 | |
45 | 862806 | Кольцо упорное | 1 | 1 | |
46 | 5320-3407240 | Шестерня | 1 | 1 | |
47 | 1-35507-01 | Шайба 15 | 1 | 1 | |
48 | 853536-П29 | Гайка | 1 | 1 | |
49 | 154901 | Подшипник игольчатый | 1 | 1 | |
50 | 864121 | Манжета насоса | 1 | 1 | |
51 | 862807 | Кольцо упорное | 1 | 1 |
Содержащиеся в справочниках-каталогах запасные части и детали не предлагаются к продаже, а носят исключительно информационный характер