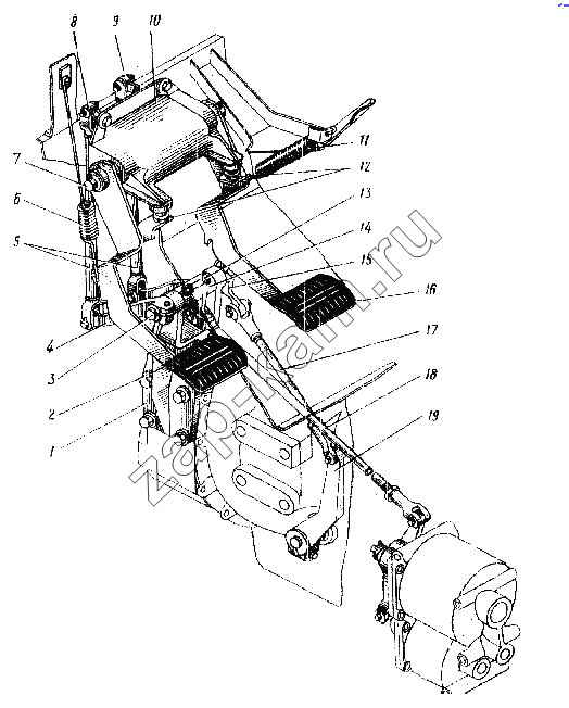
Привод педалей сцепления и тормоза
/ УралАЗ УРАЛ-4320

1
2
3
4
5
6
7
8
9
10
11
12
13
14
15
16
17
18
19
Поз. | Артикул | Название детали | 4320 | 4420 | |
---|---|---|---|---|---|
338062 | 338062 | Шпонка 22х9,5 сегментная | 2 | 2 | |
339640-П52 | 339640-П52 | Палец 10х28 | 2 | 2 | |
375-3504015 | 375-3504015 | Подушка педали тормоза | 1 | 1 | |
375-3504015 | 375-3504015 | Подушка педали тормоза | 1 | 1 | |
252136-П9 | 252136-П9 | Шайба пружинная 10 | 4 | 4 | |
252136-П9 | 252136-П9 | Шайба пружинная 10 | 1 | 1 | |
252137-П9 | 252137-П9 | Шайба пружинная 12 | 4 | 4 | |
252016-П29 | 252016-П29 | Шайба 14 | 2 | 2 | |
252135-П9 | 252135-П9 | Шайба пружинная 8 | 2 | 2 | |
252135-П9 | 252135-П9 | Шайба пружинная 8 | 1 | 1 | |
258038-П29 | 258038-П29 | Шплинт 3,2х16 | 2 | 2 | |
258038-П29 | 258038-П29 | Шплинт 3,2х16 | 1 | 1 | |
258038-П29 | 258038-П29 | Шплинт 3,2х16 | 2 | 2 | |
258038-П29 | 258038-П29 | Шплинт 3,2х16 | 2 | 2 | |
258052-П29 | 258052-П29 | Шплинт 4х20 | 1 | 1 | |
258052-П29 | 258052-П29 | Шплинт 4х20 | 2 | 2 | |
338062 | 338062 | Шпонка 22х9,5 сегментная | 2 | 2 | |
339640-П52 | 339640-П52 | Палец 10х28 | 2 | 2 | |
339640-П52 | 339640-П52 | Палец 10х28 | 2 | 2 | |
200317-П29 | 200317-П29 | Болт М10-6gх45 стяжной | 1 | 1 | |
201566-П29 | 201566-П29 | Болт М12Х1,25-6gХ38.68.016 | 4 | 4 | |
200263-П29 | 200263-П29 | Болт М8-6gх35 | 2 | 2 | |
200263-П29 | 200263-П29 | Болт М8-6gх35 | 1 | 1 | |
4320-1602070 | 4320-1602070 | Буфер педали | 1 | 1 | |
4320-1602070 | 4320-1602070 | Буфер педали | 1 | 1 | |
375-3504036 | 375-3504036 | Вилка тяги | 2 | 2 | |
375-3508045 | 375-3508045 | Вилка тяги | 2 | 2 | |
250512-П29 | 250512-П29 | Гайка М10 | 4 | 4 | |
250512-П29 | 250512-П29 | Гайка М10 | 1 | 1 | |
250515-П29 | 250515-П29 | Гайка М12х1,25-6Н | 1 | 1 | |
250515-П29 | 250515-П29 | Гайка М12х1,25-6Н | 1 | 1 | |
4320-1602091 | 4320-1602091 | Наконечник регулировочный | 1 | 1 | |
4320-1602091 | 4320-1602091 | Наконечник регулировочный | 1 | 1 | |
260087-П52 | 260087-П52 | Палец 12х35 | 1 | 1 | |
339640-П52 | 339640-П52 | Палец 10х28 | 1 | 1 | |
201497-П29 | 201497-П29 | Болт М10-6gх25 | 4 | 4 | |
1 | 4320-1602082 | Кронштейн вала привода выключения сцепления в сборе | 1 | 1 | |
2 | 4320 1602010 | Педаль сцепления в сборе | 1 | 1 | |
3 | 4320-1602032 | Вал привода выключения сцепления | 1 | 1 | |
4 | 4320-1602121 | Рычаг наружный | 1 | 1 | |
5 | 4320-3504052 | Тяга педали в сборе | 1 | 1 | |
6 | 4320-1602098 | Пружина вспомогательная | 1 | 1 | |
7 | 4320-1602055 | Вал педали сцепления | 1 | 1 | |
8 | 4320-1602060 | Рычаг вала педали | 1 | 1 | |
9 | 4320-3504026 | Рычаг вала педали тормоза | 1 | 1 | |
10 | 4320-1602063 | Кронштейн педалей сцепления и тормоза в сборе | 1 | 1 | |
11 | 4320-3504032 | Пружина оттяжная педали тормоза | 1 | 1 | |
12 | 250510-П29 | Гайка М8-6Н | 1 | 1 | |
13 | 330623-П29 | Болт М12Х70 регулировочный | 1 | 1 | |
14 | 4320-3504058 | Рычаг управления тормозным краном в сборе | 1 | 1 | |
15 | 4320-1602120 | Рычаг внутренний | 1 | 1 | |
16 | 4320-3504010 | Педаль тормоза в сборе | 1 | 1 | |
17 | 4320-1602112 | Тяга выключения сцепления | 1 | 1 | |
18 | 4320-3504065 | Тяга в сборе | 1 | 1 | |
19 | 4320-1602074 | Рычаг | 1 | 1 |
Содержащиеся в справочниках-каталогах запасные части и детали не предлагаются к продаже, а носят исключительно информационный характер