Сиденье водителя и пассажиров
/ УралАЗ УРАЛ-4320

1
2
3
4
5
5
6
7
7
8
9
10
11
12
13
14
15
16
17
18
19
Поз. | Артикул | Название детали | 4320 | 4420 | |
---|---|---|---|---|---|
248236-П29 | 248236-П29 | Шуруп 4х12 | 4 | 4 | |
252132-П29 | 252132-П29 | Шайба 4.65Г.016 | 2 | 2 | |
339169-П29 | 339169-П29 | Хомут | 2 | 2 | |
339098-П29 | 339098-П29 | Хомут крепления шланга | 1 | 1 | |
4320-8101230-01 | 4320-8101230-01 | Фланец | 1 | 1 | |
377-8101170 | 377-8101170 | Уплотнитель патрубков радиатора | 1 | 1 | |
4320-8101016 | 4320-8101016 | Тяга крепления радиатора | 1 | 1 | |
4320-8101210 | 4320-8101210 | Труба отопителя отводящая в сборе | 1 | 1 | |
375-6800005 | 375-6800005 | Сиденья водителя и пассажиров в сборе | 1 | 1 | |
377-8101060-А | 377-8101060-А | Радиатор отопителя в сборе | 1 | 1 | |
252004-П29 | 252004-П29 | Шайба 6 | 3 | 3 | |
252004-П29 | 252004-П29 | Шайба 6 | 2 | 2 | |
4320-1013123 | 4320-1013123 | Штуцер | 1 | 1 | |
297575-П29 | 297575-П29 | Шплинт 6х22 | 4 | 4 | |
258038-П29 | 258038-П29 | Шплинт 3,2х16 | 2 | 2 | |
4320-8101222 | 4320-8101222 | Шланг отопителя верхний | 1 | 1 | |
377-8102956 | 377-8102956 | Шланг обдува ветрового стекла | 1 | 1 | |
4320-8101224 | 4320-8101224 | Шланг водоотводящий отопителя | 1 | 1 | |
252135-П9 | 252135-П9 | Шайба пружинная 8 | 1 | 1 | |
252038-П29 | 252038-П29 | Шайба 8,5 | 2 | 2 | |
252134-П9 | 252134-П9 | Шайба пружинная 6 | 2 | 2 | |
339000-П29 | 339000-П29 | Пряжка хомута | 4 | 4 | |
201418-П29 | 201418-П29 | Болт М6-6gх16 | 3 | 3 | |
4320-8101180-01 | 4320-8101180-01 | Кран отопителя в сборе | 1 | 1 | |
4320-8101015 | 4320-8101015 | Кожух отопителя в сборе | 1 | 1 | |
377-8102132 | 377-8102132 | Дефлектор | 4 | 4 | |
2505008-П29 | 2505008-П29 | Гайка М6-6Н6.016 | 2 | 2 | |
250508-П29 | 250508-П29 | Гайка М6-6Н | 2 | 2 | |
251082-П8 | 251082-П8 | Гайка М4 | 2 | 2 | |
220189-П29 | 220189-П29 | Винт М8х14 | 4 | 4 | |
224570-П8 | 224570-П8 | Винт М4х8 | 2 | 2 | |
201455-П29 | 201455-П29 | Болт М8-6gх18 | 2 | 2 | |
375-6801041 | 375-6801041 | Кресло сиденья водителя в сборе | 1 | 1 | |
375-6806104-Б | 375-6806104-Б | Кронштейн спинки | 4 | 4 | |
377-8101094 | 377-8101094 | Прокладка кожуха радиатора | 1 | 1 | |
377-8101098 | 377-8101098 | Прокладка кожуха радиатора малая | 2 | 2 | |
375-3506023 | 375-3506023 | Прокладка хомута | 1 | 1 | |
4320-8101232 | 4320-8101232 | Прокладка | 1 | 1 | |
4320-8101025 | 4320-8101025 | Прокладка | 2 | 2 | |
377-8101174 | 377-8101174 | Пластина уплотнительная | 1 | 1 | |
377-8101102 | 377-8101102 | Пластина прижимная радиатора отопителя | 2 | 2 | |
260043-П29 | 260043-П29 | Палец 8х48 | 2 | 2 | |
4320-8101010 | 4320-8101010 | Отопитель в сборе | 1 | 1 | |
339155-П29 | 339155-П29 | Лента стяжная | 4 | 4 | |
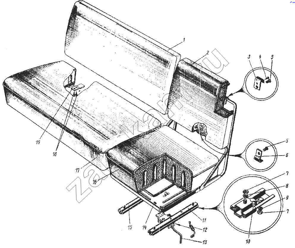
1 | 375-6806055 | Спинка сиденья пассажиров в сборе | 1 | 1 | |
2 | 375-6805100 | Спинка сиденья водителя в сборе | 1 | 1 | |
3 | 375-6805104-Б | Кронштейн спинки | 2 | 2 | |
4 | 248236-П29 | Шуруп 4х12 | 2 | 2 | |
5 | 220189-П29 | Винт М8х14 | 3 | 3 | |
6 | 375-6805115 | Кронштейн спинки нижний | 1 | 1 | |
7 | 250510-П29 | Гайка М8-6Н | 8 | 8 | |
8 | 252038-П29 | Шайба 8,5 | 8 | 8 | |
9 | 252155-П9 | Шайба пружинная 8 | 4 | 4 | |
10 | Шарик V 15,875 мм Н | Шарик V 15,875 мм Н | 4 | 4 | |
11 | 375-6801085 | Салазки левые в сборе | 1 | 1 | |
12 | 375-6801094 | Пружина регулировочного механизма | 1 | 1 | |
13 | 375-6801093 | Ручка регулировочного механизма | 1 | 1 | |
14 | 375-6801043 | Основание кресла в сборе | 1 | 1 | |
15 | 375-6801079 | Салазки правые в сборе | 1 | 1 | |
16 | 375-6803050 | Подушка сиденья водителя в сборе | 1 | 1 | |
17 | 375-6802100 | Подушка сиденья пассажиров в сборе | 1 | 1 | |
18 | 248263-П29 | Шуруп 6Х30.016 | 4 | 4 | |
19 | 375-6802118 | Фиксатор подушки | 2 | 2 |
Содержащиеся в справочниках-каталогах запасные части и детали не предлагаются к продаже, а носят исключительно информационный характер