Стеклоочиститель
/ УралАЗ УРАЛ-4320

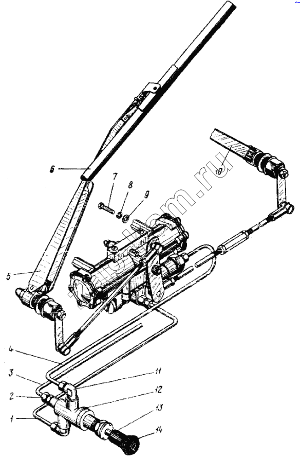
1
2
3
4
5
6
7
8
9
10
11
12
13
14
Поз. | Артикул | Название детали | 4320 | 4420 | |
---|---|---|---|---|---|
223045-П29 | 223045-П29 | Винт М5-6gх28 | 4 | 4 | |
377-5206055-А | 377-5206055-А | Уплотнитель стыка стекол ветрового окна | 2 | 2 | |
377-5206050-01 | 377-5206050-01 | Уплотнитель стекла ветрового окна | 2 | 2 | |
440П-5205010Э | 440П-5205010Э | Стеклоочиститель СЛ440П в сборе | 1 | 1 | |
377-5206020 | 377-5206020 | Стекло ветрового окна малое | 2 | 2 | |
377-5206010 | 377-5206010 | Стекло ветрового окна большое | 2 | 2 | |
377-5206103-01 | 377-5206103-01 | Накладка прижимная наружная | 4 | 4 | |
377-5206102-01 | 377-5206102-01 | Накладка прижимная внутренняя | 4 | 4 | |
377-5206051 | 377-5206051 | Замок уплотнителя стекла ветрового окна | 2 | 2 | |
377-5206056 | 377-5206056 | Замок уплотнителя | 2 | 2 | |
377-5206024 | 377-5206024 | Гайка | 4 | 4 | |
1 | 4320-5205042 | Трубка от стеклоочистителя к крану левая в сборе | 1 | 1 | |
2 | 339200-П29 | Штуцер М10х1 К1/8" | 5 | 5 | |
3 | 375Д-5205044 | Трубка от крана к крестовине разбора воздуха | 1 | 1 | |
4 | 4320-5205040 | Трубка от стеклоочистителя к крану правая в сборе | 1 | 1 | |
5 | 440П-5205600 | Рычаг щетки правый | 1 | 1 | |
6 | 440П-5206800 | Щетка стеклоочистителя | 1 | 1 | |
7 | Н11302-П29 | Болт М5 | 2 | 2 | |
8 | 252153-П9 | Шайба пружинная 5 | 2 | 2 | |
9 | 252003-П29 | Шайба 5 | 2 | 2 | |
10 | 440П-5205500 | Рычаг щетки левый | 1 | 1 | |
11 | 339520-П29 | Угольник М10х1 К1/8" | 5 | 5 | |
12 | КР3ОБ-5205010-Э | Кран запорно-регулировочный в сборе | 1 | 1 | |
13 | 375Д-5205207 | Винт стопорный | 1 | 1 | |
14 | 375Д-5205204 | Ручка крана | 1 | 1 |
Содержащиеся в справочниках-каталогах запасные части и детали не предлагаются к продаже, а носят исключительно информационный характер