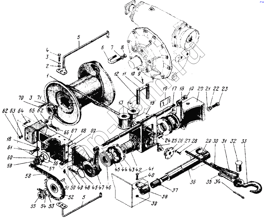
Тросоукладчик лебедки
/ УралАЗ УРАЛ-4320

1
2
3
3
3
3
4
5
5
6
7
8
9
10
11
12
13
14
15
16
17
18
18
19
20
21
22
23
24
25
26
27
28
29
30
31
32
33
34
35
36
37
38
39
40
41
42
43
44
45
45
45
45
46
47
48
49
50
51
52
53
54
55
56
57
58
59
60
61
62
62
63
63
63
63
64
65
66
67
68
69
70
71
Поз. | Артикул | Название детали | 4320 | 4420 | |
---|---|---|---|---|---|
375-4501141 | 375-4501141 | Лебедка в сборе | |||
375-4511074-А | 375-4511074-А | Прокладка регулировочная левая толщиной 4 или 5 мм | |||
375-4511077 | 375-4511077 | Прокладка регулировочная правая, толщиной 4 или 5мм | |||
375-4511010 | 375-4511010 | Лебедка с тросоукладчиком в сборе | 1 | ||
1 | 375-4501110-Б | Барабан лебедки со ступицей в сборе | 1 | ||
2 | 252006-П29 | Шайба 10 | 4 | ||
3 | 252136-П9 | Шайба пружинная 10 | 4 | ||
3 | 252136-П9 | Шайба пружинная 10 | 4 | ||
4 | 201496-П29 | Болт М10-6gх22 | 4 | ||
5 | 375-4504005 | Отбойник троса в сборе | 2 | ||
6 | 375-4501138 | Скоба крепления троса | 1 | ||
7 | 252137-П9 | Шайба пружинная 12 | 2 | ||
8 | 250515-П29 | Гайка М12х1,25-6Н | 2 | ||
9 | 201416-П29 | Болт М6-6gх12 | 1 | ||
10 | 252134-П9 | Шайба пружинная 6 | 1 | ||
11 | 375-4511069-10 | Пластина стопорная | 1 | ||
12 | 375-4511070 | Палец направляющего ролика | 2 | ||
13 | 376-3504020 | Втулка | 4 | ||
14 | 375-4511060-10 | Ролик направляющий | 2 | ||
15 | 375-4511015-10 | Корпус | 1 | ||
16 | 375-4511079 | Прокладка регулировочная правая, толщиной 0,5мм (для Урал-375, Урал-375Д) | |||
17 | 375-4511067 | Вал направляющий | 2 | ||
18 | 252141-П9 | Шайба 20 пружинная | 4 | ||
19 | 250565-П29 | Гайка М20х1,5-6Н | 2 | ||
20 | 375-4511011-А | Кронштейн ходового винта правый | 1 | ||
21 | 252020-П29 | Шайба 22 | 4 | 4 | |
22 | 252142-П9 | Шайба 22 пружинная | 4 | ||
23 | 202273-П29 | Болт М22-6gх45 | 4 | ||
24 | 221663-П29 | Винт М8-6gх18 | 8 | ||
25 | 375-4511023-А | Сухарь ходового винта | 1 | ||
26 | 375-4511031 | Крышка опорная сухаря | 1 | ||
27 | 252135-П9 | Шайба пружинная 8 | 6 | ||
28 | 201460-П29 | Болт М8-6gх30 | 6 | ||
29 | 375-4501260-Б | Кронштейн направляющего ролика правый | 1 | ||
30 | 375-4504015 | Трос 17,5-Н-190-1 длиной 70,5м | 1 | ||
31 | 375-4504021 | Клин коуша | 1 | ||
32 | 375-4504023 | Валик | 1 | ||
33 | 375-4504035 | Крюк лебедки | 1 | ||
34 | 258069 | Шплинт 5х36 | 1 | ||
35 | 375-4504020 | Коуш троса | 1 | ||
36 | 375-4501250 | Ролик направляющий в сборе | 1 | ||
37 | 375-4501259-Б | Втулка | 2 | ||
38 | 375-4501261-Б | Кронштейн направляющего ролика левый | 1 | ||
39 | 250512-П29 | Гайка М10 | 6 | ||
40 | 252136-П9 | Шайба пружинная 10 | 6 | ||
41 | 201501-П29 | Болт М10-6gх35 | 6 | ||
42 | 375-4511026-А | Винт ходовой | 1 | ||
43 | 375-4511048 | Крышка подшипника | 2 | ||
44 | 375-4511049 | Прокладка крышки | 2 | ||
45 | 375-3405084 | Кольцо уплотнительное | 2 | ||
45 | 375-3405084 | Кольцо уплотнительное | 1 | ||
46 | 311 | Подшипник шариковый радиальный однорядный | 2 | ||
47 | 375-4511012-А | Кронштейн ходового винта левый | 1 | ||
48 | 201613-П29 | Болт М14х1,5х38 | 3 | ||
49 | 252138-П9 | Шайба пружинная 14 | 3 | ||
50 | 264020-П29 | Масленка 1.3 | 1 | ||
51 | 338071 | Шпонка 10х13 сегментная | 1 | ||
52 | 375-4511050-10 | Звездочка ведомая | 1 | ||
53 | 375-1802086 | Шайба упорная | 1 | ||
54 | 375-1802083 | Шайба стопорная | 1 | ||
55 | 375-1802060 | Гайка М42х1,5 | 1 | ||
56 | 375-4501064 | Шайба упорная | 1 | ||
57 | 375-4501067 | Шайба стопорная | 1 | ||
58 | 375-4511052 | Цепь приводная роликовая однорядная нормальная 12х19,05 в сборе | 1 | ||
59 | 375-4501063 | Гайка М33х2 | 1 | ||
60 | 375-4511051-А2 | Звездочка ведущая привода ходового винта | 1 | ||
61 | 202220-П29 | Болт М20-6gх45 | 4 | ||
62 | 250562-П29 | Гайка М18-6Н | 1 | ||
63 | 252140-П9 | Шайба пружинная 18 | 1 | ||
63 | 252140-П9 | Шайба пружинная 18 | 4 | ||
64 | 202166-П29 | Болт М18х38 | 4 | ||
65 | 375-4501215-Б | Поперечина подвески лебедки | 1 | ||
66 | 202172-П29 | Болт М18-6gх55 | 1 | ||
67 | 375-4511014 | Кронштейн со втулкой в сборе | 1 | ||
68 | 375-4501140 | Втулка | 2 | ||
69 | 375-4511073-А | Прокладка регулировочная левая, толщиной 1мм (для Урал-375, Урал-375Д) | |||
70 | 201499-П29 | Болт М10-6gх30 | 4 | ||
71 | 375-4501121-Б | Фланец опорный | 1 |
Содержащиеся в справочниках-каталогах запасные части и детали не предлагаются к продаже, а носят исключительно информационный характер