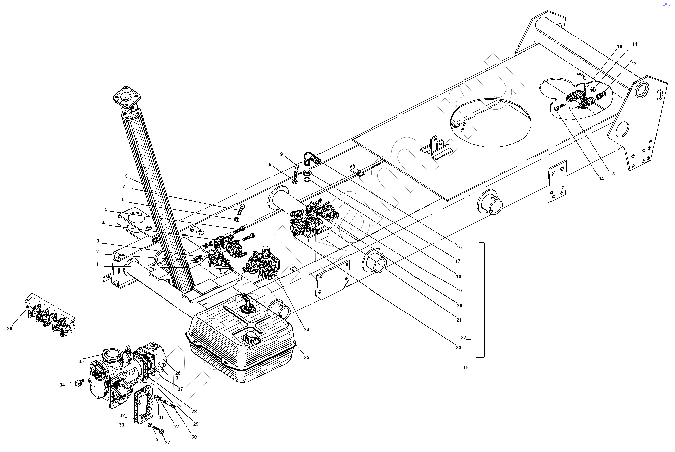
Агрегаты самосвальной установки
/ УралАЗ УРАЛ-55571-30

1
2
3
3
4
5
5
6
6
7
8
9
10
11
12
13
14
15
16
17
18
19
20
21
22
23
24
25
26
27
27
27
28
29
30
31
32
33
34
35
36
Поз. | Артикул | Название детали | Кол-во | |
---|---|---|---|---|
1 | 5511-86140107 | Клапан ограничительный | 1; | |
2 | 252156-П2 | Шайба 10 пружинная | 2; | |
3 | 250512-П29 | Гайка М10 | 6; | |
4 | 5557-8607022 | Гидрораспределитель закрывания бортов в сборе | 1; | |
5 | 201497-П29 | Болт М10-6gх25 | 5; | |
6 | 252155-П2 | Шайба 8 пружинная | 12; | |
7 | 200267-П29 | Болт М8х45 | 2; | |
8 | БРИП.306457.0103 | Гидроцилиндр | 1; | |
9 | 200272-П29 | Болт М8-6gх65 | 6; | |
10 | 55571-8609297 | Пластина | 1; | |
11 | 250510-П29 | Гайка М8-6Н | 6; | |
12 | 5557-8609286 | Заглушка разрывной муфты | 2; | |
13 | 5557-8609401 | Корпус левый разрывных муфт в сборе | 2; | |
14 | 200263-П29 | Болт М8-6gх35 | 2; | |
15 | 5557-8607005 | Блок гидрораспределителей в сборе | 1; | |
16 | 5557-8609085-10 | Угольник поворотный | 2; | |
17 | 335049-П29 | Гайка М24х1,5 | 1; | |
18 | 334045 | Кольцо 021-025-25-2-2 | 2; | |
19 | 339520-П29 | Угольник М10х1 К1/8" | 0; | |
20 | 182-8607050-0 | Гидрораспределитель в сборе | 2; | |
21 | 5511-86070105 | Кран управления в сборе | 1; | |
22 | 182-8607005 | Блок гидрораспределителей в сборе | 1; | |
23 | 339200-П29 | Штуцер М10х1 К1/8" | 2; | |
24 | 55571-8607009 | Кран управления в сборе | 1; | |
25 | 5557-86080096 | Бак масляный в сборе | 1; | |
26 | НШ32У-3-Л | Насос масляный шестеренный в сборе | 1; | |
27 | 252136-П2 | Шайба 10 пружинная | 10; | |
28 | 5557-4209117 | Прокладка | 1; | |
29 | 201502-П29 | Болт М10х38 | 4; | |
30 | 333313-П29 | Шпилька М10х1,25х23х15 | 3; | |
31 | 250517-П29 | Гайка М10х1,25 | 3; | |
32 | 375-4207023 | Прокладка регулировочная | 2; | |
33 | 375-4207025 | Прокладка | 1; | |
34 | 375-4245114 | Штуцер подвода воздуха | 1; | |
35 | 55571-42090092 | Коробка отбора мощности | 1; | |
36 | 5557-86060484 | Панель управления с кранами | 1; |
Содержащиеся в справочниках-каталогах запасные части и детали не предлагаются к продаже, а носят исключительно информационный характер