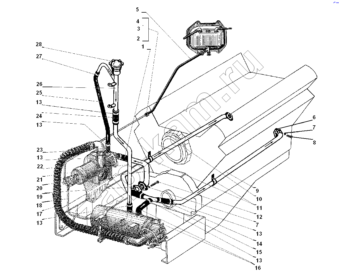
Трубы и шланги системы предпускового подогрева
/ УралАЗ УРАЛ-55571-30

1
2
3
4
5
6
7
7
8
9
10
11
12
13
13
13
13
13
13
14
15
16
17
18
19
20
21
22
23
24
25
26
27
28
Поз. | Артикул | Название детали | Кол-во | |
---|---|---|---|---|
1 | 4320Я-1015067 | Шланг соединительный | 1; | |
2 | 258038-П29 | Шплинт 3,2х16 | 2; | |
3 | 45 9871 1592 | Пряжка хомута | 2; | |
4 | 45 9871 1571 | Лента стяжная | 2; | |
5 | 375-1104161 | Шланг топливопроводный | 1; | |
6 | 4320Я-1015555 | Прокладка уплотнительная | 2; | |
7 | 252135-П2 | Шайба 8 пружинная | 6; | |
8 | 201455-П29 | Болт М8-6gх18 | 4; | |
9 | 4320Я2-1015559 | Труба подводящая левая в сборе | 1; | |
10 | 4320Я2-1015552 | Труба подводящая правая в сборе | 1; | |
11 | 339976-П29 | Хомут | 2; | |
12 | 201458-П29 | Болт М8-6gх25 | 2; | |
13 | 00.78-01 | Хомут червячный | 14; | |
14 | 4320Я-1015548 | Шланг соединительный | 2; | |
15 | 4320Я2-1015564 | Тройник в сборе | 1; | |
16 | 4320-1015573-04 | Шланг соединительный угловой | 2; | |
17 | 4320Я2-1015128-10 | Шланг воздухопровода | 1; | |
18 | 4320Я2-1015654 | Трубка топливная в сборе | 1; | |
19 | 4320Я-1015011 | Прокладка фланца | 1; | |
20 | 4320Я2-1015204 | Труба подводящая насосного агрегата в сборе | 1; | |
21 | 4320Я2-1015575 | Труба наливная нижняя | 1; | |
22 | 4320Я2-1015646 | Трубка топливная в сборе | 1; | |
23 | 4320-1015720-01 | Переходник соединительной трубы | 1; | |
24 | 375-1109220 | Шланг соединительный | 3; | |
25 | 4320Я2-1015530 | Шланг перепускной со втулкой в сборе | 1; | |
26 | 4320Я2-1015590 | Труба наливная котла верхняя в сборе | 1; | |
27 | 00.78-00 | Хомут червячный | 1; | |
28 | 4320-1015162 | Пробка в сборе | 1; |
Содержащиеся в справочниках-каталогах запасные части и детали не предлагаются к продаже, а носят исключительно информационный характер