ЗапКам
zap-kam16@yandex.ru
(900) 323-41-41
Вход / Регистрация отключена
Вход
Избранное
0
по запросу
Каталог
Все товары и категории
Запчасти КАМАЗ
Двигатель
Двигатели в сборе
Евро-0
КамАЗ-4310
Урал-4320
КамАЗ-4350
Евро-1
КамАЗ-43114
Евро-2
КамАЗ-43118
КамАЗ-65115
КамАЗ-6520
Евро-3
Евро-4
Евро-5
Газовые
Блоки цилиндров
Блоки цилиндров Евро-0 КамАЗ
Блоки цилиндров Евро-1 КамАЗ
Блоки цилиндров Евро-2 КамАЗ
Блоки цилиндров Евро-3 КамАЗ
Блоки цилиндров Евро-4,5 КамАЗ Common Rail
Сборочные комплекты (лонг-, шорт-блоки)
Блоки управления
Валы коленчатые
Коленвалы Евро-0 КамАЗ
Коленвалы Евро-1 КамАЗ
Коленвалы Евро-2 КамАЗ
Коленвалы Евро-3 КамАЗ
Коленвалы Евро-4,5 КамАЗ Common Rail
Вкладыши коренные
Евро-3,4,5
Евро-0,1,2
Вкладыши шатунные
Евро-3,4,5
Евро-0,1,2
Валы распредительные
ЦПГ – поршневая
Поршневая Евро-4,-5 (740.602)
Поршневая Евро-2,-3 (740.60)
Поршневая Евро-1,-2 (740.30)
Поршневая Евро-0,1 (740)
Кольца поршневые
ТНВД
Евро-4-5 Common Rail
Евро-3
Евро-2
Евро-1
Евро-0
Система питания
Форсунки топливные
Распылители форсунок
Топливозаборники
ГБЦ
Евро-3,4,5 Common Rail
Евро-1,2,3
Евро-0
Газ
Турбокомпрессоры
ТРК Евро-4,5 (однотурбовые)
Евро-4
Евро-3
Евро-2
Евро-1
Насос водяной
Насос масляный
Маховики
Коробка передач
КПП в сборе
Валы
Валы вторичные
Валы первичные
Валы промежуточные
Шестерни
Синхронизаторы
Делители в сборе
Коробка раздаточная
РК в сборе
РК 6522
Дифференциалы
Валы
Валы первичные
Валы промежуточные
Вилки
Шестерни
Механизмы переключения
Трансмиссия
Мосты
Редукторы в сборе
Заднего моста
Переднего моста
Среднего моста
Зубьев
31, 35
50
49
48
47
46
КамАЗ
4310
43114
43118
4326
5320
53205
65115
43253
53229
6520
6522
4308
65111
65116
65117
55102
55111
53212
53215
54115
5410
5511
Мосты в сборе
Передние
Средние
Задние
6520, 6522 (20т)
65115 (15т)
65111 (15т)
43118 (10т)
43114 / 4310 (8т)
53205 Евро (10т)
5320 (8т)
5511 (10т)
МОД
Мадара
Подвеска в сборе
Ось передняя
Ось в сборе
Ходовая часть
Подвеска (тележка) в сборе
Колеса и шины
Рама
Рессоры
Лебедка
Механизмы управления
Отопление и вентиляция
Система выпуска
Сцепление
Тормоза
Кабина
Управление рулевое
Электрооборудование
Автомобили
КАМАЗ 5490
Двигатель 457
Двигатели в сборе
Сцепление
Кабина
Кузов
Мосты
Рама
Система выпуска
Тормоза
Управление рулевое
Ходовая часть
КАМАЗ К5
Двигатели WeiChai
Двигатели в сборе
Двигатели Р6
Двигатели 910 Р6 в сборе
Кабина
Сцепление
Тормоза
Управление рулевое
Электрооборудование
ZF
КПП ZF в сборе
16S EcoSplit
КПП 16s 1820 TO
КПП 16S 2220
9S Ecomid
12AS Astronic
12TX Traxon
Запчасти 12tx Traxon
Cummins
Двигатели в сборе
Блоки цилиндров
Коленвалы
Головки блока
Генератор
Китайские грузовики
Shaanxi HanDe
Fast Gear
Sitrak
Weichai
FAW
Laizhou Tongji
Европейские грузовики
Mercedes
Электрооборудование
Блоки управления
Блоки управления ADM
Блоки управления CPC4
Блоки управления двигателем
Блоки управления электрооборудованием
Датчики
Стартеры
Карданная передача
Карданы КамАЗ
Коробки отбора мощности
Прицепная техника
ССУ (Седла)
Ремонт
Ремонт двигателей
Ремонт КПП Камаз и ZF
Ремонт раздаток и редукторов
Ремонт кабин
Услуги
Комплектация заявок
Скупка запчастей и агрегатов
Контакты
Отправить заявку
Каталоги запчастей к технике
Грузовые
УралАЗ
УРАЛ-5557-31
Блок-картер компрессора
Поиск
Блок-картер компрессора
/ УралАЗ УРАЛ-5557-31
zoom-in
zoom-out
enlarge
shrink
circle-right
circle-left
file-text2
info
cart
Тип техники
Не выбрано
Грузовые
Двигатели
Марка
Не выбрано
DAF
DongFeng
FAW
Foton
HOWO
IVECO
JAC Motors
MAN
Shaanxi
SITRAK
Volvo
Автокомпонент Плюс
ЗИЛ
КАЗ
КамАЗ
Мадара
НефАЗ
СЗАП
Тонар
УралАЗ
Модель
Не выбрано
4320-0006982-74 (NEXT) (2017)
УРАЛ-375
УРАЛ-4320
УРАЛ-4320 (1981)
УРАЛ-4320-0971-58 (2010)
УРАЛ-4320-1151-59 (2010)
УРАЛ-4320-1951-58 (2010)
УРАЛ-4320-1958-70И (2012)
УРАЛ-4320-31
УРАЛ-4320-31
УРАЛ-4320-41
УРАЛ-4320-60 (2013)
УРАЛ-4320-61 (2013)
УРАЛ-4320-6951-74 (2015)
УРАЛ-4320-80М/82М (2015)
УРАЛ-43202
УРАЛ-43203-10
УРАЛ-43204-1111-70 (2012)
УРАЛ-43204-1153-70 (2012)
УРАЛ-43206-41
УРАЛ-4420 (1981)
УРАЛ-44202-0511-58 (2010)
УРАЛ-44202-3511-80 (2012)
УРАЛ-44202-3511-80 (2013)
УРАЛ-44202-3511-80М (2015)
УРАЛ-532301
УРАЛ-532361 (2015)
УРАЛ-5557
УРАЛ-5557-31 (2010)
УРАЛ-5557-40
УРАЛ-55571-1121-70 (2011)
УРАЛ-55571-30 (2010)
УРАЛ-55571-40 (2010)
УРАЛ-63674
УРАЛ-63685
УРАЛ-6370-1121 (2011)
УРАЛ-6370-1151 (2011)
УРАЛ-63704 (2011)
Схема
>
Не выбрано
Подвеска двигателя
Масляный радиатор
Вентиляция картера
Установка агрегатов системы предпускового подогрева
Трубы и шланги системы предпускового подогрева
Котел (теплообменник) предпускового подогревателя
Нагнетатель насосного агрегата
Топливный насос предпускового подогревателя
Основной топливный бак
Трубопроводы и шланги системы питания
Привод акселератора
Тяга ручного останова двигателя
Воздухопровод с воздушным фильтром
Cистема выпуска газов
Радиатор системы охлаждения
Расширительный бачок
Штора радиатора
Привод педалей диафрагменного сцепления и тормоза
Управление и механизм переключения раздаточной коробки
Вал привода переднего моста, дифференциал и вал привода заднего моста раздаточной коробки
Промежуточный вал раздаточной коробки и привод спидометра
Установка рычага переключения передач коробки передач
Картер и подвеска раздаточной коробки
Первичный вал раздаточной коробки
Карданная передача
Карданный вал заднего (переднего) моста
Промежуточный карданный вал
Карданный вал среднего моста
Картер переднего моста
Передний мост
Редуктор главной передачи
Проходной вал редуктора главной передачи
Дифференциал и полуось
Картер заднего (среднего) моста
Тяга с краном
Буксирный прибор
Рама
Рама
Передняя подвеска
Передняя рессора
Задняя балансирная подвеска
Задняя рессора
Ось задней балансирной подвески
Колесо и шина
Ступица колеса и тормозной барабан
Система регулирования давления воздуха в шинах
Установка крана управления давлением
Кран управления давлением
Реактивная штанга
Рулевое управление
Рулевое управление
Клапан управления усилительным механизмом
Колесо и вал рулевого управления
Усилительный механизм
Усилительный механизм
Бак масляный рулевого механизма
Тяга рулевой трапеции
Тяга сошки рулевого управления
Рабочий тормоз
Установка пневматических усилителей с главными тормозными цилиндрами
Пневматический усилитель с главным тормозным цилиндром
Cтояночный тормоз
Привод стояночного тормоза и управление краном торможения прицепа
Установка компрессора
Блок-картер компрессора
Головка и поршень компрессора
Установка агрегатов гидропневматического привода рабочих тормозов
Tрубопроводы и шланги гидропневматического привода рабочих тормозов
Установка воздушных баллонов
Установка тормозного крана
Тормозной двухсекционный кран с рычагом
Детали тормозного двухсекционного крана
Одинарный защитный клапан
Тройной защитный клапан
Тройной защитный клапан
Клапан управления тормозами прицепа
Кран управления давлением
Вспомогательный тормоз
Система вспомогательного тормоза
Установка клапана с трубками
Пневматические цилиндры вспомогательного тормоза
Пневматический кран
Установка регулятора тормозных сил
Установка двухмагистрального клапана
Фара
Фара-прожектор
Фонарь передний
Фонарь знака автопоезда
Фонарь указателя поворота
Установка выключателя зажигания на рулевой колонке
Установка электрического сигнала
Установка аккумуляторных батарей
Установка задних осветительных приборов
Панель приборов
Кабина в сборе
Установка правой и левой подножек
Оперение автомобиля
Облицовка радиатора
Сиденья водителя и пассажиров
Замок двери
Стеклоподъемник
Ручки двери
Ручки двери
Трубопроводы системы отопления кабины
Вентиляция и отопление кабины
Омыватель ветрового стекла
Уплотнители рычагов и коврики пола кабины
Стеклоочиститель и его привод
Правый корпус разрывной муфты
Левый корпус разрывной муфты
Масляный бак, фильтры и сапун
Установка инструментального ящика и масляного бака
Гидрораспределитель
Кран управления
Кран управления закрыванием боковых бортов платформы
Гидроцилиндр подъема платформы
Установка гидроцилиндра подъема платформы, ограничительный клапан
Гидроцилиндр закрывания боковых бортов платформы
Механизм закрывания боковых бортов платформы и трубопроводы
Панель управления с кранами
Трубопроводы и шланги самосвальной установки
Агрегаты самосвальной установки
Надрамник
Надставные борта платформы
Платформа
Платформа с тентом
Надрамник
Трубопроводы и шланги самосвальной установки
Панель управления с кранами
Панель управления с кранами
Ограничительный клапан
Гидроцилиндр подъема платформы
Гидроцилиндр подъема платформы
Масляный бак, фильтры и сапун
Правый корпус разрывной муфты
Сиденья водителя и пассажиров исполнение 2
Распределитель гидроусилителя
Механизм рулевой
Рулевое управление
Механизм рулевой с распределителем
Привод педалей сцепления и тормоза
Привод педалей сцепления и тормоза с пневмогидроуправлением
Пневмопривод выключения сцепления
Установка бачка привода сцепления
Цилиндр гидравлический
Агрегаты самосвальной установки
Трубопроводы и шланги самосвальной установки
Коробка отбора мощности
Специальное оборудование
Установка пневмоуправления ДОМ
Коробка дополнительного отбора мощности
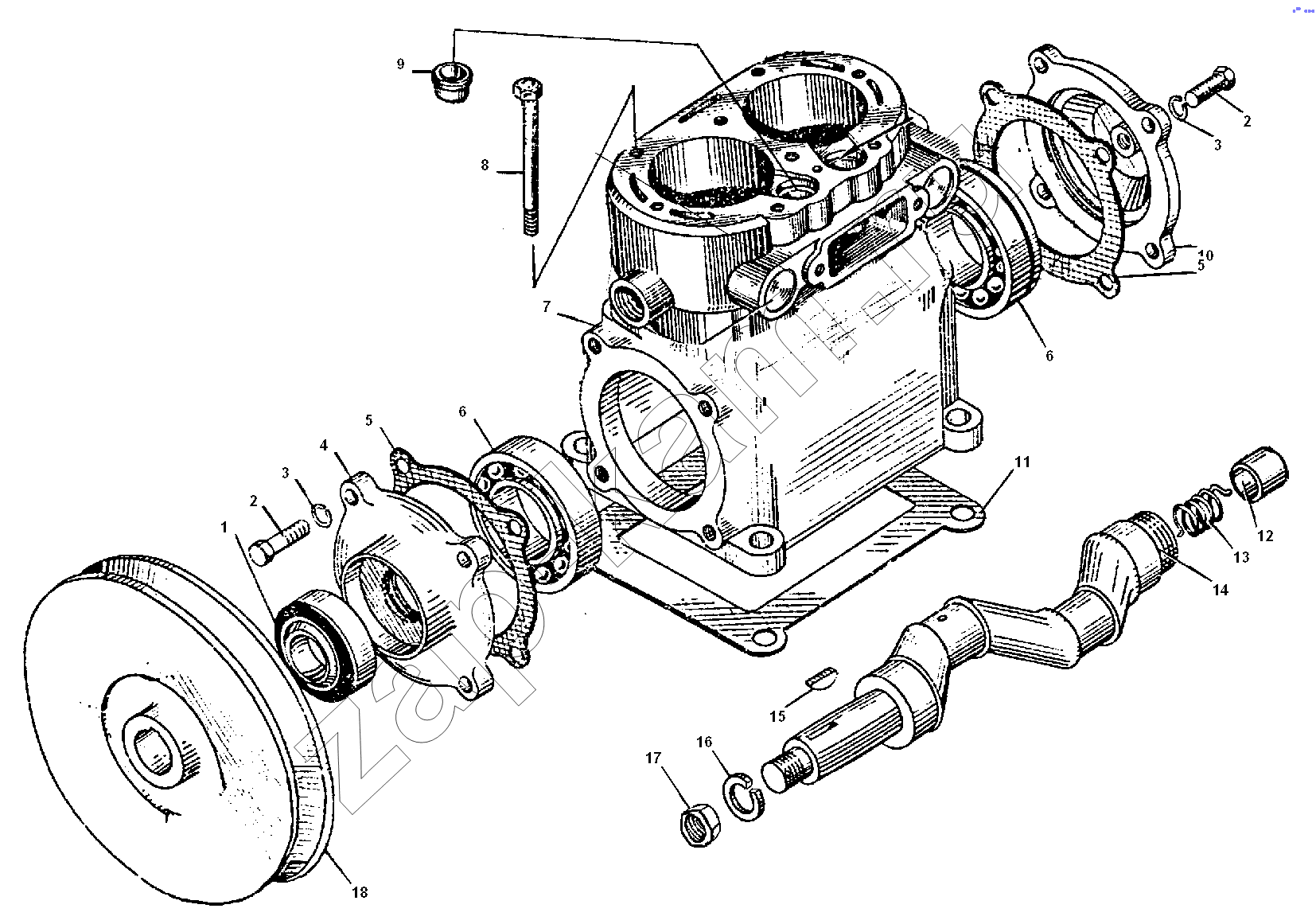
1
2
2
3
3
4
5
5
6
6
7
8
9
10
11
12
13
14
15
16
17
18
Поз.
Артикул
Название детали
Кол-во
1
120-3509070-А2
Сальник в сборе
1;
2
201458-П29
Болт М8-6gх25
8;
3
252135-П2
Шайба 8 пружинная
8;
4
130-3509060-А
Крышка передняя
1;
5
120-3509063
Прокладка передней и задней крышек картера компрессора
2;
6
207
Подшипник шариковый радиальный однорядный
2;
7
130-3509024-11
Блок-картер
1;
8
200271-П29
Болт М8-6gх60
8;
9
130-3509069
Седло впускного клапана
2;
10
130-3509090-Б
Крышка задняя
1;
11
130-3509103-Б
Прокладка нижней крышки
1;
12
120-3509094-01
Уплотнитель
1;
13
120-3509093
Пружина уплотнителя
1;
14
130-3509110-22
Вал коленчатый
1;
15
418251
Шпонка
1;
16
252160-П2
Шайба 18Л
1;
17
250638-П29
Гайка М18х1,5-6Н
1;
18
4320Я-3509130-01
Шкив компрессора
1;
Содержащиеся в справочниках-каталогах запасные части и детали не предлагаются к продаже, а носят исключительно информационный характер
Дополнительная информация
×
Название:
Номер:
Примечание:
Войти
Имя пользователя
Пароль
Забыли пароль?
Запомнить меня
Войти
Поиск товаров
Поиск товаров
Корзина покупок