Кран управления
/ УралАЗ УРАЛ-5557-31

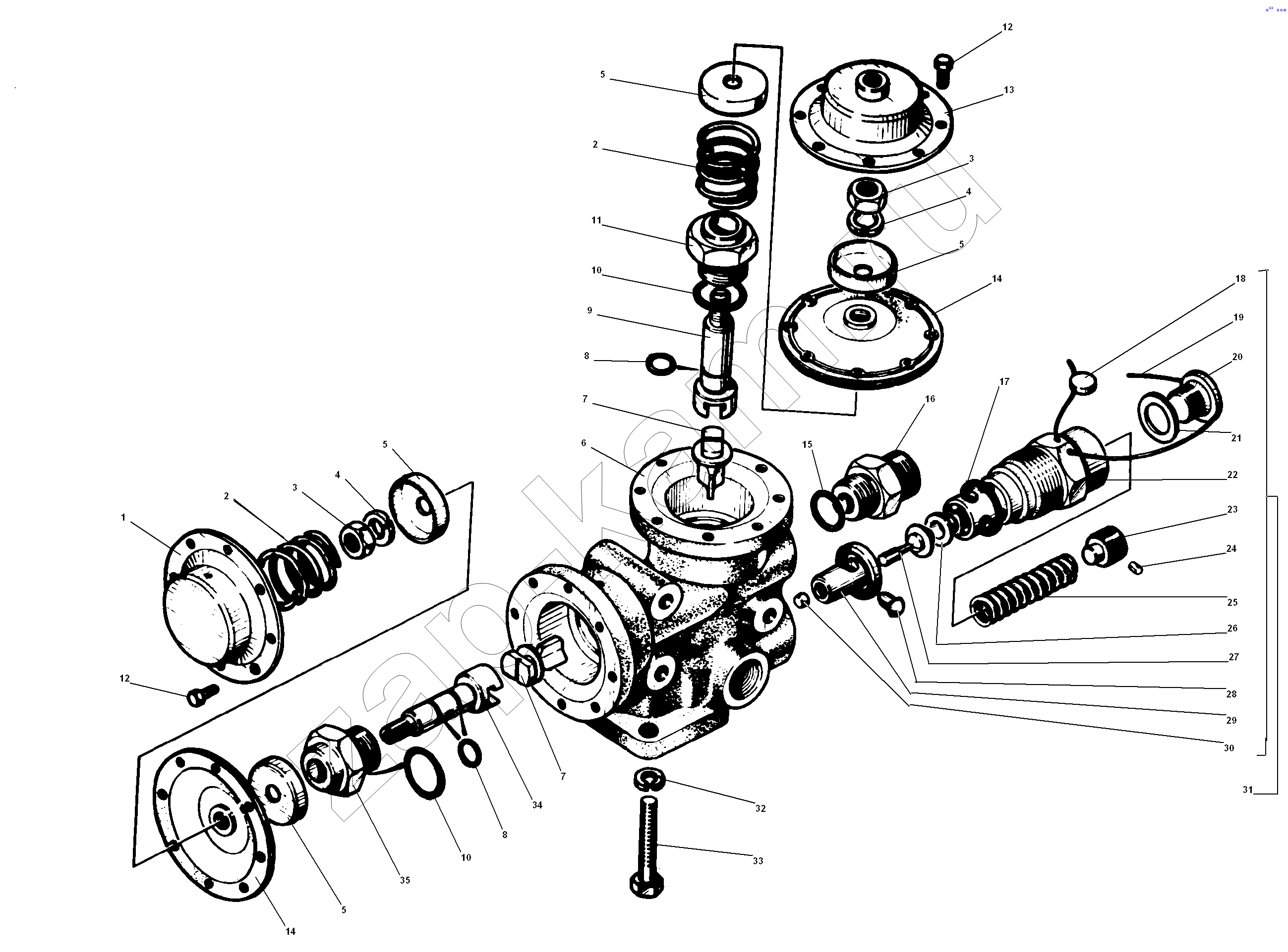
1
2
2
3
3
4
4
5
5
5
5
6
7
7
8
8
9
10
10
11
12
12
13
14
14
15
16
17
18
19
20
21
22
23
24
25
26
27
28
29
30
31
32
33
34
35
Поз. | Артикул | Название детали | Кол-во | |
---|---|---|---|---|
1 | 5511-8607024 | Крышка | 1; | |
2 | 5511-8607054 | Пружина | 2; | |
3 | 250617-П29 | Гайка М10х1,25-6Н | 1; | |
4 | 252156-П2 | Шайба 10 пружинная | 1; | |
5 | 5511-8607038 | Шайба | 4; | |
6 | 5511-8607060 | Корпус | 1; | |
7 | 5511-86070431 | Клапан | 2; | |
8 | 012-016-25-2-2 | Кольцо уплотнительное ГОСТ 9833-73 | 3; | |
9 | 5511-8607029 | Толкатель | 1; | |
10 | 024-029-30-2-2 | Кольцо уплотнительное ГОСТ 9833-73 | 2; | |
11 | 5511-8607032 | Штуцер | 1; | |
12 | 201416-П29 | Болт М6-6gх12 | 8; | |
13 | 5511-8607020 | Крышка в сборе | 1; | |
14 | 5511-8607040 | Диафрагма | 2; | |
15 | 021-025-25-2-2 | Кольцо | 1; | |
16 | 5511-8607033 | Штуцер | 1; | |
17 | 027-033-36-2-2 | Кольцо уплотнительное ГОСТ 9833-73 | 1; | |
18 | 33-1110117 | Пломба | 1; | |
19 | 258224-П29 | Шплинт-проволока 0,8х150 | 1; | |
20 | 5511-8607081 | Пробка | 1; | |
21 | 1-02795-60 | Прокладка 22х28х1 | 1; | |
22 | 5511-8607074 | Стакан пружины | 1; | |
23 | 5511-8607022 | Пробка | 1; | |
24 | 5511-8607082 | Штифт | 1; | |
25 | 5511-8607023 | Пружина | 1; | |
26 | 5511-8607079 | Тарелка | 1; | |
27 | 5511-8607078 | Клапан | 1; | |
28 | 5511-8607083 | Штифт | 1; | |
29 | 5511-8607076 | Втулка направляющая | 1; | |
30 | 5511-8607077 | Пробка | 1; | |
31 | 5511-86070702 | Клапан предохранительный в сборе | 1; | |
32 | 252155-П2 | Шайба 8 пружинная | 4; | |
33 | 201469-П29 | Болт М8-6gх55 | 4; | |
34 | 5511-8607028 | Толкатель | 1; | |
35 | 5511-8607031 | Штуцер | 1; |
Содержащиеся в справочниках-каталогах запасные части и детали не предлагаются к продаже, а носят исключительно информационный характер