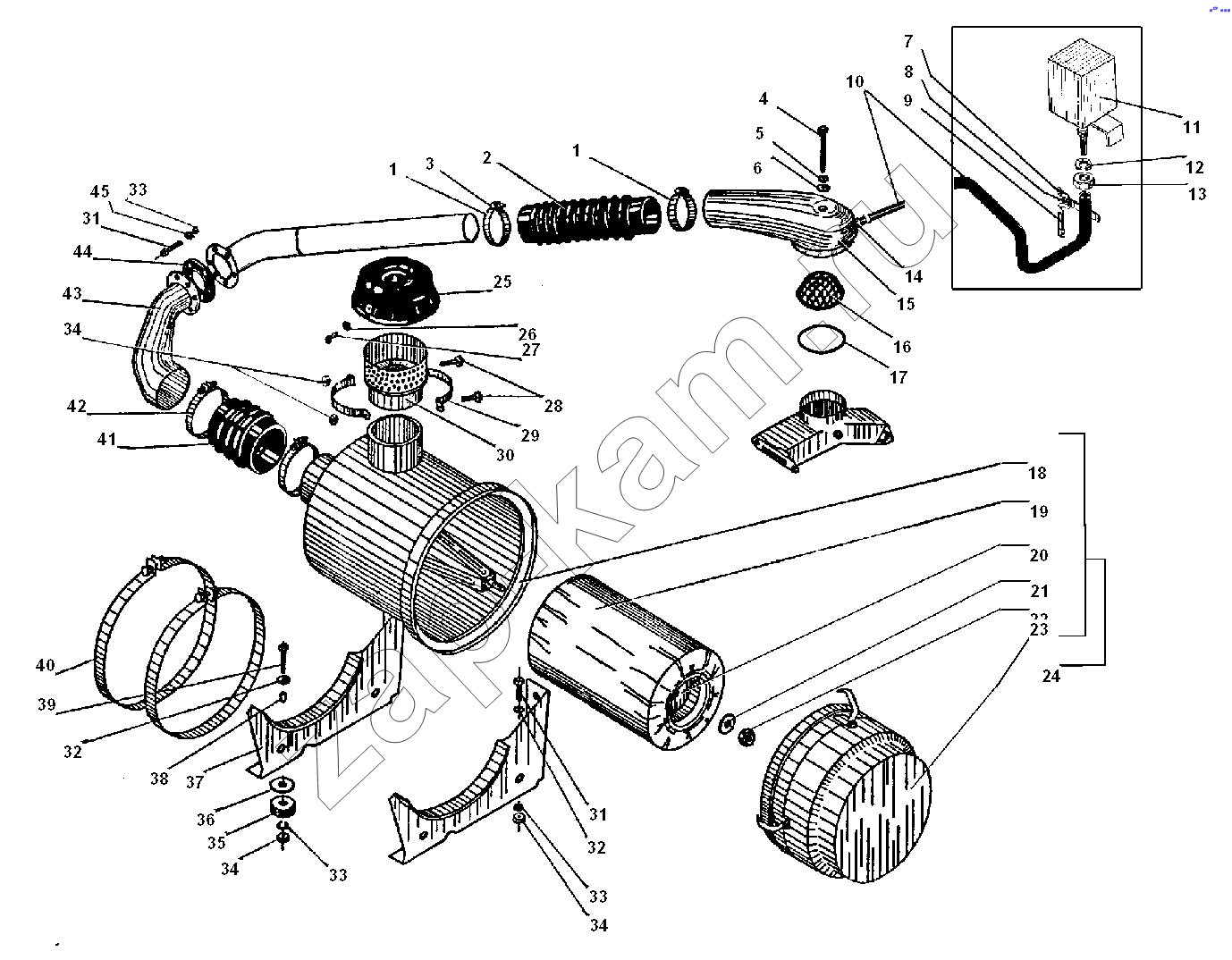
Воздухопровод с воздушным фильтром
/ УралАЗ УРАЛ-5557-31

1
1
2
3
4
5
6
7
8
9
10
11
12
13
14
15
16
17
18
19
20
21
22
23
24
25
26
27
29
30
31
31
32
32
33
33
33
34
34
34
35
36
37
38
39
40
41
42
43
44
45
Поз. | Артикул | Название детали | Кол-во | |
---|---|---|---|---|
1 | 4320Я-1109183 | Лента хомута в сборе | 1; | |
2 | 4320Я2-1109189 | Шланг воздухопровода в сборе | 1; | |
3 | 331006 | Болт хомута | 6; | |
4 | 332716 | Болт | 1; | |
5 | 252039-П29 | Шайба 10 | 1; | |
6 | 4320-8101187 | Уплотнитель | 1; | |
7 | 45 9871 1592 | Пряжка хомута | 2; | |
8 | 45 9871 1570 | Лента 14 хомута | 2; | |
9 | 258038-П29 | Шплинт 3,2х16 | 2; | |
10 | 4320Я2-1109253 | Трубка индикатора | 1; | |
11 | ИЗВ-700 | Индикатор засоренности | 1; | |
12 | 252156-П2 | Шайба 10 пружинная | 1; | |
13 | 250513-П29 | Гайка М10х1-6Н | 1; | |
14 | 432001-3706013 | Штуцер | 1; | |
15 | 4320Я2-1109132 | Насадок | 1; | |
16 | 4320Я-1109435-10 | Кольцо уплотнительное | 2; | |
17 | 4320Я-1109437 | Сетка | 1; | |
18 | 740.1109515-02 | Корпус с пылеотбойником в сборе | 1; | |
19 | 740.1109574 | Предочиститель | 1; | |
20 | 740.1109560-02 | Элемент фильтрующий в сборе | 1; | |
21 | Шайба10х35 | Шайба плоская 10х35 | 1; | |
22 | ГайкаМ10х1,25 | Гайка М10х1,25 | 1; | |
23 | 740.1109580-02 | Крышка фильтра | 1; | |
24 | 740.1109510-03 | Фильтр воздушный в сборе | 1; | |
25 | 4320-1109112-01 | Колпак | 1; | |
26 | 252004-П29 | Шайба 6 | 3; | |
27 | 220104-П29 | Винт М6-6gх14 | 3; | |
29 | 4322-1109390 | Хомут | 2; | |
30 | 4320Я-1109110 | Труба воздухозаборная в сборе | 1; | |
31 | 201455-П29 | Болт М8-6gх18 | 12; | |
32 | 252038-П29 | Шайба 8,5 | 8; | |
33 | 252135-П2 | Шайба 8 пружинная | 14; | |
34 | 250510-П29 | Гайка М8-6Н | 10; | |
35 | 375-1302040-А | Подушка подвески радиатора | 2; | |
36 | 335632-П29 | Шайба 12 | 2; | |
37 | 4320Я-1109141 | Кронштейн воздушного фильтра | 2; | |
38 | 4320Я-1109142 | Втулка | 2; | |
39 | 200265-П29 | Болт М8-6gх40 | 2; | |
40 | 4320Я-1109182 | Хомут в сборе | 2; | |
41 | 4322-1109428 | Щланг соединительный в сборе | 1; | |
42 | 5323-1109182 | Лента хомута | 2; | |
43 | 4320Я-1109120 | Труба воздухопровода в сборе | 1; | |
44 | 375-1109125-01 | Прокладка | 1; | |
45 | 252005-П29 | Шайба 8 | 6; |
Содержащиеся в справочниках-каталогах запасные части и детали не предлагаются к продаже, а носят исключительно информационный характер