ЗапКам
zap-kam16@yandex.ru
(900) 323-41-41
Вход / Регистрация отключена
Вход
Избранное
0
по запросу
Каталог
Все товары и категории
Запчасти КАМАЗ
Двигатель
Двигатели в сборе
Евро-0
КамАЗ-4310
Урал-4320
КамАЗ-4350
Евро-1
КамАЗ-43114
Евро-2
КамАЗ-43118
КамАЗ-65115
КамАЗ-6520
Евро-3
Евро-4
Евро-5
Газовые
Блоки цилиндров
Блоки цилиндров Евро-0 КамАЗ
Блоки цилиндров Евро-1 КамАЗ
Блоки цилиндров Евро-2 КамАЗ
Блоки цилиндров Евро-3 КамАЗ
Блоки цилиндров Евро-4,5 КамАЗ Common Rail
Сборочные комплекты (лонг-, шорт-блоки)
Блоки управления
Валы коленчатые
Коленвалы Евро-0 КамАЗ
Коленвалы Евро-1 КамАЗ
Коленвалы Евро-2 КамАЗ
Коленвалы Евро-3 КамАЗ
Коленвалы Евро-4,5 КамАЗ Common Rail
Вкладыши коренные
Евро-3,4,5
Евро-0,1,2
Вкладыши шатунные
Евро-3,4,5
Евро-0,1,2
Валы распредительные
ЦПГ – поршневая
Поршневая Евро-4,-5 (740.602)
Поршневая Евро-2,-3 (740.60)
Поршневая Евро-1,-2 (740.30)
Поршневая Евро-0,1 (740)
Кольца поршневые
ТНВД
Евро-4-5 Common Rail
Евро-3
Евро-2
Евро-1
Евро-0
Система питания
Форсунки топливные
Распылители форсунок
Топливозаборники
ГБЦ
Евро-3,4,5 Common Rail
Евро-1,2,3
Евро-0
Газ
Турбокомпрессоры
ТРК Евро-4,5 (однотурбовые)
Евро-4
Евро-3
Евро-2
Евро-1
Насос водяной
Насос масляный
Маховики
Коробка передач
КПП в сборе
Валы
Валы вторичные
Валы первичные
Валы промежуточные
Шестерни
Синхронизаторы
Делители в сборе
Коробка раздаточная
РК в сборе
РК 6522
Дифференциалы
Валы
Валы первичные
Валы промежуточные
Вилки
Шестерни
Механизмы переключения
Трансмиссия
Мосты
Редукторы в сборе
Заднего моста
Переднего моста
Среднего моста
Зубьев
31, 35
50
49
48
47
46
КамАЗ
4310
43114
43118
4326
5320
53205
65115
43253
53229
6520
6522
4308
65111
65116
65117
55102
55111
53212
53215
54115
5410
5511
Мосты в сборе
Передние
Средние
Задние
6520, 6522 (20т)
65115 (15т)
65111 (15т)
43118 (10т)
43114 / 4310 (8т)
53205 Евро (10т)
5320 (8т)
5511 (10т)
МОД
Мадара
Подвеска в сборе
Ось передняя
Ось в сборе
Ходовая часть
Подвеска (тележка) в сборе
Колеса и шины
Рама
Рессоры
Лебедка
Механизмы управления
Отопление и вентиляция
Система выпуска
Сцепление
Тормоза
Кабина
Управление рулевое
Электрооборудование
Автомобили
КАМАЗ 5490
Двигатель 457
Двигатели в сборе
Сцепление
Кабина
Кузов
Мосты
Рама
Система выпуска
Тормоза
Управление рулевое
Ходовая часть
КАМАЗ К5
Двигатели WeiChai
Двигатели в сборе
Двигатели Р6
Двигатели 910 Р6 в сборе
Кабина
Сцепление
Тормоза
Управление рулевое
Электрооборудование
ZF
КПП ZF в сборе
16S EcoSplit
КПП 16s 1820 TO
КПП 16S 2220
9S Ecomid
12AS Astronic
12TX Traxon
Запчасти 12tx Traxon
Cummins
Двигатели в сборе
Блоки цилиндров
Коленвалы
Головки блока
Генератор
Китайские грузовики
Shaanxi HanDe
Fast Gear
Sitrak
Weichai
FAW
Laizhou Tongji
Европейские грузовики
Mercedes
Электрооборудование
Блоки управления
Блоки управления ADM
Блоки управления CPC4
Блоки управления двигателем
Блоки управления электрооборудованием
Датчики
Стартеры
Карданная передача
Карданы КамАЗ
Коробки отбора мощности
Прицепная техника
ССУ (Седла)
Ремонт
Ремонт двигателей
Ремонт КПП Камаз и ZF
Ремонт раздаток и редукторов
Ремонт кабин
Услуги
Комплектация заявок
Скупка запчастей и агрегатов
Контакты
Отправить заявку
Каталоги запчастей к технике
Грузовые
УралАЗ
УРАЛ-6370-1151
Топливная система низкого давления
Поиск
Топливная система низкого давления
/ УралАЗ УРАЛ-6370-1151
zoom-in
zoom-out
enlarge
shrink
circle-right
circle-left
file-text2
info
cart
Тип техники
Не выбрано
Грузовые
Двигатели
Марка
Не выбрано
DAF
DongFeng
FAW
Foton
HOWO
IVECO
JAC Motors
MAN
Shaanxi
SITRAK
Volvo
Автокомпонент Плюс
ЗИЛ
КАЗ
КамАЗ
Мадара
НефАЗ
СЗАП
Тонар
УралАЗ
Модель
Не выбрано
4320-0006982-74 (NEXT) (2017)
УРАЛ-375
УРАЛ-4320
УРАЛ-4320 (1981)
УРАЛ-4320-0971-58 (2010)
УРАЛ-4320-1151-59 (2010)
УРАЛ-4320-1951-58 (2010)
УРАЛ-4320-1958-70И (2012)
УРАЛ-4320-31
УРАЛ-4320-31
УРАЛ-4320-41
УРАЛ-4320-60 (2013)
УРАЛ-4320-61 (2013)
УРАЛ-4320-6951-74 (2015)
УРАЛ-4320-80М/82М (2015)
УРАЛ-43202
УРАЛ-43203-10
УРАЛ-43204-1111-70 (2012)
УРАЛ-43204-1153-70 (2012)
УРАЛ-43206-41
УРАЛ-4420 (1981)
УРАЛ-44202-0511-58 (2010)
УРАЛ-44202-3511-80 (2012)
УРАЛ-44202-3511-80 (2013)
УРАЛ-44202-3511-80М (2015)
УРАЛ-532301
УРАЛ-532361 (2015)
УРАЛ-5557
УРАЛ-5557-31 (2010)
УРАЛ-5557-40
УРАЛ-55571-1121-70 (2011)
УРАЛ-55571-30 (2010)
УРАЛ-55571-40 (2010)
УРАЛ-63674
УРАЛ-63685
УРАЛ-6370-1121 (2011)
УРАЛ-6370-1151 (2011)
УРАЛ-63704 (2011)
Схема
>
Не выбрано
Кабина в сборе
Опора кабины передняя
Опора кабины задняя
Механизм опрокидывания кабины
Изоляция мотоотсека внутренняя и наружная
Установка наружной облицовки
Обивка кабины
Обивка крыши
Настил пола
Стеклоочиститель
Стекла кабины
Омыватель ветрового стекла
Установка панели приборов
Двери кабины
Замок двери
Cтеклоподъемник
Сиденье водителя
Сиденье пассажира
Установка кожуха стояночного тормоза, подвод воздуха к пневмосиденьям
Установка системы отопления
Установка независимого отопителя
Установка шумоизоляции и накладки мотоотсека
Установка крыльев передних
Установка брызговиков передних
Установка крыльев среднего моста
Установка крыльев заднего моста
Установка спального места
Установка подножек
Установка переднего буфера
Установка фар, фонарей знака автопоезда, габаритных и указателей поворота
Подвеска двигателя передняя
Подвеска двигателя задняя
Установка балки задней опоры
Блок цилиндров двигателя
Крышка блока цилиндров, боковая
Картер маховика
Лист торцевой
Крышка передняя
Картер масляный
Вал коленчатый
Маховик
Демпфер и шкивы вала коленчатого
Цилиндро-поршневая группа
Головка блока цилиндров, прокладка головки блока цилиндров
Крышка головки блока цилиндров
Клапаны, коромысла, ось коромысел
Вал распределительный, штанги, толкатели
Шестерни привода агрегатов
Коллектор впускной
Турбокомпрессор
Коллектор выпускной и экраны тепловые
Система вентиляции картера
Насос водяной
Патрубки водяные и термостат
Теплообменник жидкостно-масляный
Вентилятор системы охлаждения
Кожух вентилятора
Привод вентилятора
Приводные ремни вентилятора и генератора
Натяжители ремней
Насос масляный и его привод
Патрубки насоса масляного и форсунка охлаждения поршня
Фильтры масляные
Радиатор системы охлаждения
Установка защиты радиатора
Установка расширительного бачка
Трубопроводы и шланги системы питания
Установка фильтра грубой очистки топлива
Насос топливный
Привод насоса топливного
Блок электронный и датчики
Жгуты проводов электрических
Форсунка электроуправляемая
Топливные трубопроводы высокого давления
Топливная система низкого давления
Фильтр тонкой очистки топлива
Моторный тормоз (заслонка на выпуске отработавших газов)
Компрессор воздушный
Трубки подвода смазки, подвода и отвода охлаждающей жидкости компрессора воздушного
Привод компрессора воздушного
Генератор
Стартер
Кронштейн компрессора кондиционера
Насос гидроусилителя руля
Реле включения свечей подогрева воздуха. Клапан электромагнитный управления заслонкой моторного тормоза
Установка маслозаливной трубы
Указатель уровня масла
Установка указателя уровня масла
Установка агрегатов системы предпускового подогрева двигателя
Трубопроводы и шланги системы предпускового подогрева двигателя
Основной топливный бак
Трубопроводы и шланги системы питания
Установка фильтра грубой очистки топлива
Установка педали акселератора
Система питания двигателя воздухом
Установка воздушного фильтра и воздухозаборной трубы
Система выпуска газов
Система выпуска газов с обогревом кузова
Установка картера сцепления
Привод педалей сцепления и тормоза
Установка пневмосистемы управления сцеплением
Установка бачка привода сцепления
Цилиндр гидравлический
Установка управления коробкой передач
Картер коробки передач с пробками
Установка нижней крышки картера и трубки распылителя
Соединительный фланец
Первичный вал
Промежуточный вал
Основной вал
Штоки вилок переключения передач
Механизм переключения передач
Установка крышки механизма переключения передач
Комплект пружин
Механизм управления демультипликатором
Картер планетарной передачи
Установка задней крышки картера
Привод планетарной передачи
Синхронизатор
Управление планетарной передачей
Механизм выбора передаточного числа
Вилка выключения сцепления
Установка раздаточной коробки
Тяга реактивная с наконечником
Картер раздаточной коробки
Первичный вал раздаточной коробки
Двойная зубчатая передача
Вторичный вал раздаточной коробки
Фланец
Механизм переключения передач
Карданная передача
Мост передний в сборе с кронштейнами подвески
Корпус и замок дифференциала переднего моста
Редуктор переднего моста
Картер переднего моста
Планетарный механизм переднего, среднего и заднего мостов
Поперечная рулевая тяга
Мост средний в сборе с кронштейнами подвески
Корпус и замок дифференциала среднего моста
Редуктор среднего моста
Масляный насос
Блокировка дифференциала среднего и заднего моста
Картер полуосей среднего моста
Мост задний в сборе с кронштейнами подвески
Корпус и замок дифференциала заднего моста
Редуктор заднего моста
Картер полуосей заднего моста
Установка пневмоуправления агрегатами трансмиссии
Рама
Установка переднего буфера
Установка заднего защитного устройства
Передняя подвеска
Передняя рессора
Задняя подвеска
Задняя рессора
Ось балансира задней подвески в сборе с кронштейнами и балансиром
Реактивная штанга
Ступица колеса и тормозной барабан
Колесо и шина
Держатель запасного колеса
Гидропривод подъема запасного колеса
Рулевое управление
Рулевой механизм
Колесо и вал рулевого управления
Масляный бак
Тяга сошки рулевого управления
Рабочий тормоз переднего моста
Тормоз среднего и заднего мостов
Установка пневмопривода стояночного тормоза
Установка ускорительного клапана стояночного тормоза
Установка агрегатов пневматического привода рабочих тормозов
Установка пневматических тормозов
Установка воздушных баллонов
Установка влагомаслоотделителя и 4-х контурного защитного клапана
Установка баллона адсорбера и маслоотделителя
Установка крана тормозного 3-х секционного
Установка буксирного клапана
Установка соединительных головок
Установка клапана прицепа
Установка клапана прицепа на Урал-63704
Установка клапана ускорительного с модуляторами
Установка клапана ускорительного
Установка модулятора
Установка тормозной камеры переднего моста
Установка тормозной камеры среднего и заднего моста
Установка фар, фонарей знака автопоезда, габаритных и указателей поворота
Установка замка зажигания
Установка электрического сигнала
Подключение электропневмоклапанов
Установка контейнера аккумуляторных батарей
Установка задних осветительных приборов
Установка задних осветительных приборов на Урал-63704
Панель приборов
Щиток выключателей
Установка фары-прожектора
Коммутационный блок
Установка седельного устройства на седельный тягач 63704-0111-01
Установка седельного устройства на седельный тягач 63704-0111-02
Установка седельного устройства
Буксирный прибор
Установка шкворневого устройства
Установка коробки отбора мощности
Установка инструментального ящика и площадки седельно-сцепного устройства
Установка держателя противооткатных упоров
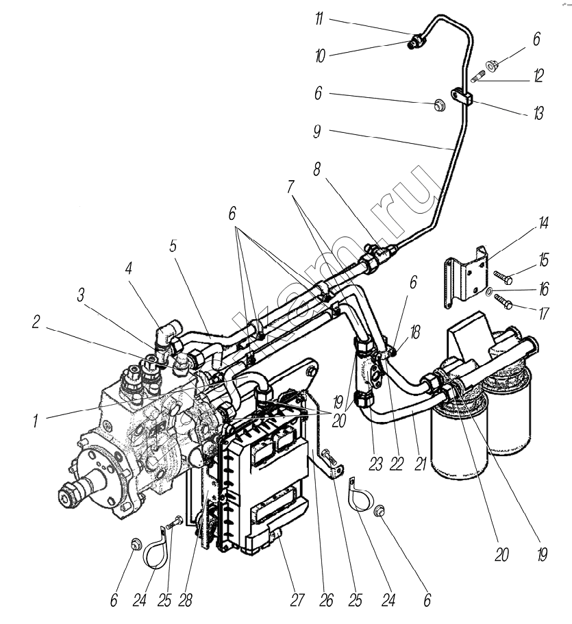
1
2
3
4
5
6
6
6
6
6
6
7
8
9
10
11
12
13
14
15
16
17
18
19
19
20
20
21
22
23
24
24
25
25
26
27
28
Поз.
Артикул
Название детали
6370-1121
6370-1151
63704-0111
1
650.1104416
Трубка насоса топливозакачивающего
1
1
1
2
650.1104205
Наконечник
1
1
1
3
650.1104287
Тройник ТНВД
1
1
1
4
650.1104283
Угольник
1
1
1
5
650.1104390
Трубка топливная отводящая рампы высокого давления
1
1
1
6
311437
Гайка самоконтрящаяся с шайбой в сборе М6х1
12
12
12
7
650.1104525
Трубки от топливного насоса к топливному фильтру в сборе
1
1
1
8
650.1104217
Тройник рампы
1
1
1
9
650.1104346
Трубка слива топлива с головки цилиндров
1
1
1
10
310200
Болт поворотный М10х1,25
1
1
1
11
312381
Шайба медная
2
2
2
12
310463
Шпилька М6х1-25 8.8
1
1
1
13
315362
Скоба крепления топливных трубок
1
1
1
14
650.1117152
Кронштейн корпуса фильтра тонкой очистки топлива
1
1
1
15
310120
Болт М10-6gх25-10.9-А3L DIN EN 1665
3
3
3
16
312369
Шайба
3
3
3
17
310068
Болт M8-6gx20-10.9
3
3
3
18
310038
Болт с подголовником M8х1,25-30 10.9
2
2
2
19
650.1111032
Ввёртыш
7
7
7
20
312321
Шайба 16
7
7
7
21
650.1104426
Трубка подвода топлива к фильтру тонкой очистки топлива в сборе
1
1
1
22
650.1104405
Кронштейн крепления топливных трубок
1
1
1
23
650.1130538
Корпус датчика давления и температуры топлива
1
1
1
24
650.3724156
Кляммер NORMAFIX RSGU 1.22/15 W1
3
3
3
25
201422-П29
Болт М6-6gх25
4
4
4
26
650.3724130
Кронштейн жгутов электронного блока
1
1
1
27
650.1104608
Угольник
1
1
1
28
650.3724136
Кронштейн жгутов форсунок и датчиков
1
1
1
Содержащиеся в справочниках-каталогах запасные части и детали не предлагаются к продаже, а носят исключительно информационный характер
Дополнительная информация
×
Название:
Номер:
Примечание:
Войти
Имя пользователя
Пароль
Забыли пароль?
Запомнить меня
Войти
Поиск товаров
Поиск товаров
Корзина покупок