ЗапКам
zap-kam16@yandex.ru
(900) 323-41-41
Вход / Регистрация отключена
Вход
Избранное
0
по запросу
Каталог
Все товары и категории
Запчасти КАМАЗ
Двигатель
Двигатели в сборе
Евро-0
КамАЗ-4310
Урал-4320
КамАЗ-4350
Евро-1
КамАЗ-43114
Евро-2
КамАЗ-43118
КамАЗ-65115
КамАЗ-6520
Евро-3
Евро-4
Евро-5
Газовые
Блоки цилиндров
Блоки цилиндров Евро-0 КамАЗ
Блоки цилиндров Евро-1 КамАЗ
Блоки цилиндров Евро-2 КамАЗ
Блоки цилиндров Евро-3 КамАЗ
Блоки цилиндров Евро-4,5 КамАЗ Common Rail
Сборочные комплекты (лонг-, шорт-блоки)
Блоки управления
Валы коленчатые
Коленвалы Евро-0 КамАЗ
Коленвалы Евро-1 КамАЗ
Коленвалы Евро-2 КамАЗ
Коленвалы Евро-3 КамАЗ
Коленвалы Евро-4,5 КамАЗ Common Rail
Вкладыши коренные
Евро-3,4,5
Евро-0,1,2
Вкладыши шатунные
Евро-3,4,5
Евро-0,1,2
Валы распредительные
ЦПГ – поршневая
Поршневая Евро-4,-5 (740.602)
Поршневая Евро-2,-3 (740.60)
Поршневая Евро-1,-2 (740.30)
Поршневая Евро-0,1 (740)
Кольца поршневые
ТНВД
Евро-4-5 Common Rail
Евро-3
Евро-2
Евро-1
Евро-0
Система питания
Форсунки топливные
Распылители форсунок
Топливозаборники
ГБЦ
Евро-3,4,5 Common Rail
Евро-1,2,3
Евро-0
Газ
Турбокомпрессоры
ТРК Евро-4,5 (однотурбовые)
Евро-4
Евро-3
Евро-2
Евро-1
Насос водяной
Насос масляный
Маховики
Коробка передач
КПП в сборе
Валы
Валы вторичные
Валы первичные
Валы промежуточные
Шестерни
Синхронизаторы
Делители в сборе
Коробка раздаточная
РК в сборе
РК 6522
Дифференциалы
Валы
Валы первичные
Валы промежуточные
Вилки
Шестерни
Механизмы переключения
Трансмиссия
Мосты
Редукторы в сборе
Заднего моста
Переднего моста
Среднего моста
Зубьев
31, 35
50
49
48
47
46
КамАЗ
4310
43114
43118
4326
5320
53205
65115
43253
53229
6520
6522
4308
65111
65116
65117
55102
55111
53212
53215
54115
5410
5511
Мосты в сборе
Передние
Средние
Задние
6520, 6522 (20т)
65115 (15т)
65111 (15т)
43118 (10т)
43114 / 4310 (8т)
53205 Евро (10т)
5320 (8т)
5511 (10т)
МОД
Мадара
Подвеска в сборе
Ось передняя
Ось в сборе
Ходовая часть
Подвеска (тележка) в сборе
Колеса и шины
Рама
Рессоры
Лебедка
Механизмы управления
Отопление и вентиляция
Система выпуска
Сцепление
Тормоза
Кабина
Управление рулевое
Электрооборудование
Автомобили
КАМАЗ 5490
Двигатель 457
Двигатели в сборе
Сцепление
Кабина
Кузов
Мосты
Рама
Система выпуска
Тормоза
Управление рулевое
Ходовая часть
КАМАЗ К5
Двигатели WeiChai
Двигатели в сборе
Двигатели Р6
Двигатели 910 Р6 в сборе
Кабина
Сцепление
Тормоза
Управление рулевое
Электрооборудование
ZF
КПП ZF в сборе
16S EcoSplit
КПП 16s 1820 TO
КПП 16S 2220
9S Ecomid
12AS Astronic
12TX Traxon
Запчасти 12tx Traxon
Cummins
Двигатели в сборе
Блоки цилиндров
Коленвалы
Головки блока
Генератор
Китайские грузовики
Shaanxi HanDe
Fast Gear
Sitrak
Weichai
FAW
Laizhou Tongji
Европейские грузовики
Mercedes
Электрооборудование
Блоки управления
Блоки управления ADM
Блоки управления CPC4
Блоки управления двигателем
Блоки управления электрооборудованием
Датчики
Стартеры
Карданная передача
Карданы КамАЗ
Коробки отбора мощности
Прицепная техника
ССУ (Седла)
Ремонт
Ремонт двигателей
Ремонт КПП Камаз и ZF
Ремонт раздаток и редукторов
Ремонт кабин
Услуги
Комплектация заявок
Скупка запчастей и агрегатов
Контакты
Отправить заявку
Каталоги запчастей к технике
Грузовые
Volvo
FH12
Рабочий цилиндр сцепления
Поиск
Рабочий цилиндр сцепления
/ Volvo FH12
zoom-in
zoom-out
enlarge
shrink
circle-right
circle-left
file-text2
info
cart
Тип техники
Не выбрано
Грузовые
Двигатели
Марка
Не выбрано
DAF
DongFeng
FAW
Foton
HOWO
IVECO
JAC Motors
MAN
Shaanxi
SITRAK
Volvo
Автокомпонент Плюс
ЗИЛ
КАЗ
КамАЗ
Мадара
НефАЗ
СЗАП
Тонар
УралАЗ
Модель
Не выбрано
FH12 (2005)
Схема
>
Не выбрано
Механизм стеклоподъемника
Элементы подвески кабины и трубки подключения
Элементы подвески кабины и трубки подключения
Электрический подъем кабины
Элементы подъема кабины
Подвеска кабины (передняя часть)
Люк бардачка
Подвеска кабины (задняя часть)
Кузовные детали кабины
Кузовные детали кабины (задняя стенка, пол)
Кузовные детали передней части кабины
Дверь
Бампер BUMP-HDS, BUMP-HS3
Нижняя фронтальная защита
Защита радиаторных трубок
Передняя подножка в решетке радиатора
Ступеньки
Воздуховоды
Отопление и вентиляция
Тросы управления отоплением и вентиляцией
Блок управления печкой
Климатическая установка (конденсор) RADI-NAR, STWPOS-L
Блок испарителя
Стояночный отопитель РН-САВ
Вентилятор печки кабины
Стояночный отопитель PH-ENGCA (арматура подключения)
Стояночный отопитель PH-ENGCA
Стояночный отопитель PH-ENGCA (схема подключения)
Электроподогрев двигателя
Стояночный отопитель EBERSPECHER D1LCC
Топливный бак стояночного отопителя (арматура подключения)
Крепление двигателя (передняя часть)
Крепление двигателя (задняя часть)
Блок цилиндров
Головка блока цилиндров
Гильзы и поршни
Коромысла и рампа коромысел EPG
Коромысла и рампа коромысел VEB (с тормозом двигателя на выпускных клапанах)
Распределительный вал
Механизм газораспределения
Замедлитель на выхлопе
Масляный поддон
Вентиляция картера
Масляный насос
Масляный фильтр
Масляный радиатор
Масляный радиатор
Стартовый подогреватель
Датчик уровня топлива с подогревателем
Педаль газа
Интеркулер (промежуточный охладитель)
Топливный фильтр
Водоотделитель
Инжекторы
Топливные магистрали на двигателе
Впускной и выпускной коллектор
Воздушный фильтр L1H1
Воздушный фильтр L2H1/L2H2
Воздухозаборник AIRIN-FRL2H1
Воздухозаборник
Турбокомпаунд
Крепление радиатора
Шланги радиатора системы охлаждения
Расширительный бачок системы охлаждения
Шланги печки кабины
Шланги соединения термостата и водяного насоса
Привод вентилятора системы охлаждения
Педаль сцепления
Сцепление R/SR-1700/1900, CL43S-0
Рабочий цилиндр сцепления
Рычаг КПП R/SR-1700/1900, STWPOS-L
Шланги подключения ручной КПП R/SR-1700/1900, STWPOS-L
Дифференциал моста EV91
Передние рессоры 4x2, 6x2, 6x4
Передние рессоры
Задние рессоры RAD-L90 RADT-LA, RST-PAR1
Пневматическая подвеска RADT-A6, RAL18, СНН900
Передние амортизаторы 4x2, 6x2, 6x4
Амортизаторы ведущей оси RAD-L90
Передняя ось FAA10
Задняя пневматическая подвеска RAD-A4, RST-AIR
Передняя ступица колеса со спицами
Ступица переднего колеса (дисковые колеса WTF-D335, FRAX-BAS)
Ступица переднего колеса (барабанный тормоз FRAX-UNI)
Ступица переднего колеса со спицами FRAX-UNI
Задняя колесная ступица SRED-V
Рулевая колонка
Демпфер рулевого механизма RADT-LA, RADT-A6S
Гидроусилитель рулевого механизма FAA10 STWPOS-L FSS-AIR
Подключение гидроцилиндра TA-HYDRS
Рулевой механизм
Детали колесного тормоза
Передний тормоз Z-кулачок
Компрессор 1 СОМР 400 CHID-A538207
Компрессор LK39
Компрессор LP49
Змеевик охлаждения STWPOS-L CHID-A538207
Воздухоосушитель STWPOS-L
Воздухоосушитель STWPOS-L, CHID A538208, CHID B298453, CHID 1203057
Клапан стояночного тормоза прицепа
Клапан педали тормоза
Плата педали тормоза STWPOS-L
Ремкомплект тормозного клапана 20374068
Генератор (крепление)
Генератор 3986429 28V/80A
Генератор 28V/60A
Датчики давления и разъемы
Стартер 3964839
Датчики и контрольные устройства двигателя
Проводка двигатель-КПП
Проводка в кабине
Проводка на раме
Электроразъемы
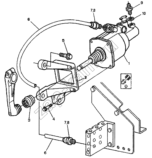
1
2
3
4
5
6
6
6
6
7
7
8
8
9
10
Поз.
Артикул
Название детали
Кол-во
1
8171721
Рабочий цилиндр сцепления
1;
2
8172470
Кронштейн
1;
3
1069232
Чехол
1;
4
946671
Болт с фланцем
4;
5
968436
Болт с фланцем
3;
6
981562
Гидравлический шланг
1;
6
980165
Гидравлический шланг
1;
7
976445
Ниппель
2;
8
968696
Ниппель
2;
9
190132
Ниппель
1;
10
976928
Прокладка
1;
Содержащиеся в справочниках-каталогах запасные части и детали не предлагаются к продаже, а носят исключительно информационный характер
Дополнительная информация
×
Название:
Номер:
Примечание:
Войти
Имя пользователя
Пароль
Забыли пароль?
Запомнить меня
Войти
Поиск товаров
Поиск товаров
Корзина покупок